- PCB反設計系統中的探測電路
- 被測引腳對的自動選擇和測量
- 通路關系的判斷
- 測量結果的確認與記錄
- 模擬多路開關形成開關陣列
- 通/斷路關系的測量
- 閾值電壓值的確定
最簡單的方法是將萬用表打到"短路蜂鳴器"檔,用兩支表筆逐對地測量引腳間連通關系,然后手工記錄"引腳對"之間的通/斷路狀況。為了得到所有"引腳對"之間連接關系的全集,必須按照組合原則組織被測"引腳對",當PCB上元件數目及引腳數目較多時,需要測量的"引腳對"數目將會十分龐大。顯然,若采用人工方法進行這項工作,測量、記錄及校對的工作量都將會非常大。而且測量精度較低,眾所周知,一般萬用表兩表筆間的阻性阻抗值高至20歐姆左右時,其蜂鳴器仍會發出響聲,表示為通路。
為提高測量效率,必須設法實現元件"引腳對"的自動測量、記錄和校對。為此筆者設計了一個由微控制器控制的通路探測儀作為前端探測設備,設計了一套強大的測量導航軟件進行后端處理,共同來實現PCB上元件引腳間通路關系的自動測量和記錄。本文主要探討其中通路探測電路實現自動測量的設計思想與技術。
實現自動測量的前提是將被測元件引腳連入探測電路中,為此探測設備設置若干個測量頭,通過電纜引出,測量頭可掛接各種測試夾具與元件引腳建立連接,測量頭的數量決定了同一批連入探測電路的引腳數。然后在程序控制下探測儀按組合原則依次將被測"引腳對"一一納入測量通路。在測量通路中將"引腳對"之間的通/斷路狀況呈現為引腳間有無電阻,測量通路將其轉換為一個電壓量,由此判斷它們之間的通/斷路關系并加以記錄。
建立在這個思路之上的PCB通路探測電路主要應實現3個功能:
•自動選擇被測"引腳對"并進行測量;
•自動判斷"引腳對"間的通路關系;
•自動記錄測量結果。
2被測引腳對的自動選擇和測量
2.1被測引腳對的自動切換
為了使探測電路能從已掛連元件引腳的眾多測量頭中按組合原則依次選擇不同的引腳進行測量,可以設置相應的開關陣列,由程序開啟/閉合不同的開關,將元件引腳切換入測量通路中,獲取其通/斷路關系。由于被測量是一個模擬電壓量,所以應該用模擬多路開關形成開關陣列,圖1示出了用模擬開關陣列實現被測引腳切換的思路。

圖1用模擬開關陣列實現被測引腳的切換
2.2通/斷路關系的測量
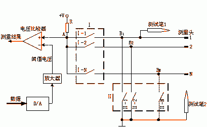
探測電路的設計原理如圖2所示。圖中Ⅰ和Ⅱ兩個方框內的兩組模擬開關成對配置:Ⅰ-1與Ⅱ-1,Ⅰ-2與Ⅱ-2,......,Ⅰ-N與Ⅱ-N。模擬多路開關的閉合與否由程序通過圖1所示的譯碼電路控制,在Ⅰ、Ⅱ兩路模擬開關中最多同時只能各有一個開關閉合。
例如,欲探測測量頭1與測量頭2之間是否有通路關系,使Ⅰ-1與Ⅱ-2開關閉合,在A點與地之間通過測量頭1、2形成測量通路,若為通路,則A點的電壓VA=0;若為斷路,則VA>0。VA的值就是判斷測量頭1、2之間有無通路關系的依據。這樣,在瞬間即可按照組合原則將掛連在測量頭上的所有引腳間的通/斷路關系測量完畢。由于這個測量過程是在測試夾具所夾元件引腳之間進行的,筆者稱其為夾內測量。
如果元件的引腳是不可夾的,則必須用表筆進行測量。如圖2所示,把一支表筆連到一個模擬通道上,另一支接地,這時只要控制開關Ⅰ-1閉合就可以進行測量,稱之為筆筆測量。用圖2所示的電路也可以在瞬間完成所有掛連測量頭的可夾引腳與接地表筆觸及的不可夾引腳之間的測量,此時需依次控制Ⅰ路各開關的閉合,而Ⅱ路各開關始終斷開,這個測量過程可稱為筆夾測量。

圖2探測電路原理
3通路關系的判斷
3.1閾值電壓的提出
由圖2可見,若以VA作為測量的電壓量,理論上當VA=0時應為通路,VA>0時應為斷路,且VA的值隨兩測量通道之間的電阻值的不同而變化。但由于模擬多路開關本身有不可忽略的導通電阻RON,這樣,在測量通路形成后,若為通路,VA并不等于0,而是等于RON上的電壓降。由于測量的目的只是獲知通/斷路關系,沒有必要去測量VA的具體值,為此只需用電壓比較器比較VA是否大于RON上的電壓降即可。設置電壓比較器的閾值電壓等于RON上的電壓降,電壓比較器的輸出就是測量結果,該結果為可直接由微控制器讀取的數字量。
[page]
3.2閾值電壓值的確定
實驗發現RON存在著個體差異,并和環境溫度也有關系,所以加載的閾值電壓需隨閉合的模擬開關通道逐一分別進行設置,為此可通過對D/A轉換器編程實現。
利用圖2所示的電路可方便地對閾值數據進行確定,方法為依次閉合開關對Ⅰ-1、Ⅱ-1;Ⅰ-2、Ⅱ-2;……;Ⅰ-N、Ⅱ-N;形成通路回路,每對開關閉合后,向D/A轉換器送數,所送的數由小到大遞增,并測量此時電壓比較器的輸出,當電壓比較器的輸出由1變為0時,此時的數據與VA相對應。
這樣可測得每個通道通路時的VA,也就是一對開關閉合時RON上的電壓降。對于高精度的模擬多路開關而言,其RON的個體差異較小,因此可把系統自動測得的VA的一半近似作為此對開關各自RON上電壓降的對應數據,就是在現行溫度下各模擬開關的閾值數據。
3.3閾值電壓的動態設置
利用上面測量到的閾值數據建一個表。在進行夾內測量時,根據所閉合的兩個開關編號從表中取出與之對應的數據,把它們的和送D/A轉換器形成閾值電壓。對于筆夾測量和筆筆測量由于測量通路僅通過Ⅰ路的模擬開關,所以只需加載一個開關的閾值數據。
另外,由于電路本身(D/A轉換器、電壓比較器等)具有誤差,且實際測量時測試夾具與被測引腳間具有接觸電阻,因此實際加載的閾值電壓應在按照上述方法確定的閾值基礎上再加一個修正量,以免把通路錯判為斷路。但增大的閾值電壓會把小阻值電阻淹沒,即把兩引腳間的小電阻判為通路,因此應根據實際情況合理地選擇閾值電壓的修正量。通過實驗,本探測電路可準確判斷兩引腳間電阻值大于5歐姆的電阻,其精度明顯高于萬用表。
4測量結果的幾種特殊情況
1.電容的影響
當被測引腳間連的是一個電容,其應為斷路關系,但開關閉合瞬間測量通路對該電容充電,兩測量點間就像通路一樣,此時從電壓比較器讀得的測量結果為通路。對于這種由電容引起的假通路現象,可采用以下兩種方法解決:適當加大測量電流以縮短充電時間,使充電過程在讀取測量結果前結束;在測量軟件中加入查驗真、假通路的程序段(見第5部分)。
2電感的影響
若被測引腳之間連有電感,其應為斷路關系,但由于電感的靜態電阻阻抗非常小,用萬用表測量的結果總是通路的。與電容測量的情況相反,在模擬開關閉合的瞬間,由于電感存在感生電動勢,這樣利用探測電路采集速度快的特點反而可以對電感進行正確地判斷。但是這與電容的測量要求是矛盾的。
3模擬開關抖動的影響
在實際測量中發現模擬開關從開啟狀態到閉合狀態有一個穩定過程,表現為電壓VA的波動,使得最初的幾次測量結果不一致,為此需要對通路的結果多判斷幾次,待測量結果一致后再確認。
4測量結果的確認與記錄
考慮以上各種情況,為適應不同的被測對象,采用如圖3所示的軟件程序框圖進行測量結果的確認與記錄。

圖3軟件程序框圖
為了消除電容元件和模擬開關抖動的影響需要延長測量時間,而要消除電感元件的影響,則要利用感生電動勢在很短時間內確定,為此程序中設置了兩個計數器:通路次數計數器和斷路次數計數器。設置通路次數N是為了消除模擬開關閉合瞬間由于電容充電產生的假通路影響,即當累計讀得N次通路結果時,一般對電容的充電已結束,才確認被測量點間為通路。
設置斷路次數n是為了排除模擬開關抖動所引起的干擾,一般在連續測得n次斷路結果時表明模擬開關的抖動已經結束,才能確認為斷路。但因為電感的感生電動勢在模擬開關閉合瞬間最大,隨后迅速下降,所以如果第一次和第二次測量結果都為斷路,則確認為斷路。由于幾種情況之間互相矛盾,計數器及延時的值是在權衡三種情況的基礎上根據實際情況確定的。
當然,使用上述程序判斷時,若被測引腳之間為一小電阻、小電感或者大電容,則還有可能誤判為通路,這種問題很容易通過軟件在測量結果中檢查出來,若某個兩引腳元件的兩端在同一網絡之中,則可能存在上述判斷錯誤,確認后加以排除。
本文通過對PCB通路探測電路的功能及實現原理的分析,為大規模PCB上元件引腳間通路關系的測量提供了一種新的思路。實驗表明,此探測電路在測量導航軟件(另文介紹)的支持下能高效、準確、完備地測量和記錄PCB上各元件引腳之間的通路關系。



