自從USB2.0釋出后,這項應用已深植各項電子產品中,在各式各樣的端口規格中, USB應可算是使用最廣泛的了。USB3.0的數據傳輸速率比現有的USB2.0快上十倍,剛好迎合日益大增的高畫質、大容量儲存需求。
無論是外接式硬盤、隨身碟、相機記憶卡均可大幅縮減儲存的時間。除了在計算機上的應用之外,手機與相機的傳輸也幾乎都是使用USB規格,甚至許多產品更直接把充電端與USB結合,難怪各界皆如此期待USB3.0的廣泛使用,好讓用戶享受4.8Gbps的傳輸快感。`
USB3.0接口分成主機(Host)端與裝置(Device)端,必須先有Host端的支持,周邊的Device端才能搭配;而芯片大廠英特爾及超威自2010年起亦已開始研發將支持USB3.0為南橋規格,加上微軟Windows 7也確定研發支持USB3.0的drivers,預估USB 3.0取代USB2.0已是既定趨勢。
為實現十倍于USB2.0的傳輸速度,USB 3.0控制芯片必須使用更先進的制程來設計與制造,但這也造成USB 3.0的控制芯片對ESD的耐受能力快速下降。除此之外,USB 3.0會被大量用來傳輸影音數據,對數據傳輸容錯率會有越嚴格的要求,使得使用額外的保護組件來防止ESD事件對數據傳輸的干擾變得很必要。除了傳輸速度的要求之外,另一個用戶最普遍的USB應用就是即插即用、隨拔即關。然而這個熱插入動作卻也經常是造成電子系統工作異常、甚至造成USB端口組件毀壞的元兇,因為如靜電放電(ESD)等瞬時噪聲就是來自這個熱插入動作。
要用在USB3.0端口的ESD防護組件必須同時符合下面三項要求:
第一、ESD防護組件本身的寄生電容必須要小,為不影響USB3.0 4.8Gbps的傳輸速率,其寄生電容必須小于0.3pF。
第二、防護組件對ESD的耐受能力必須要高,最少要能承受IEC 61000-4-2接觸模式8kV ESD的轟擊。
第三、也是最重要的一項要求,防護組件在ESD事件發生期間所提供的箝制電壓必須要夠低,不能造成傳輸數據的損壞。
以上三項要求缺一不可,缺少了任何一個要項,USB3.0端口就無法被完善地保護。然而要同時符合以上三項要求的ESD防護組件,其本身的設計難度就相當高。
晶焱科技擁有先進的ESD防護設計技術,特別針對USB3.0的防護需求,推出AZ1065系列的ESD防護組件。為避免防護組件的寄生電容影響USB3.0 4.8Gbps差動(Differential)訊號的高速傳輸,AZ1065的寄生電容已低于0.3pF。在極低的電容特性下,任一接腳在室溫時仍皆可承受IEC 61000-4-2接觸模式10kV ESD的轟擊。最重要是,以相同寄生電容來比較,AZ1065擁有最低的ESD箝制電壓,可有效防止數據傳輸時被ESD事件所干擾,才能讓擁有USB 3.0端口的電子系統有機會通過Class-A的IEC 61000-4-2系統級靜電放電保護測試。利用傳輸線脈沖系統(TLP)測量AZ1065后,可以觀察到如圖一的ESD箝制電壓特性。在IEC 61000-4-2接觸模式6kV的ESD沖擊下(TLP電流等效約為17A),箝制電壓僅有13.4V,將得以有效避免系統產品于靜電測試時發生數據錯誤、當機甚至損壞的情況。

圖1:AZ1065-06F的ESD箝制電壓測試曲線。
在電子產品的USB3.0應用中,AZ1065-06F將是靜電放電防護的最佳解決方案。圖2所示即為裝有ESD防護組件AZ1065-06F的USB3.0端口順利通過5Gbps的Eye Diagram測試結果。

圖2:AZ1065-06F 5Gbps的Eye Diagram測試結果。
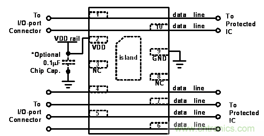
在電子產品朝向輕薄短小的發展趨勢下,產品的印刷電路板(PCB)也隨之越來越小,但在產品功能強大的要求之下,線路也變得更加復雜,因此PCB的面積已變得寸土寸金,造成產品設計時相當大的困擾。AZ1065系列產品提供六個極低電容的接腳,可同時保護USB3.0的兩組差動對(TX and RX)及USB2.0的差動對(D+ and D-),具有縮小PCB面積與降低布局(Layout)復雜度等優點,可節省系統成本。更特別的是AZ1065-06F首先采用交錯型式的接腳,以提供PCB Layout時可利用穿透式(Feedthrough)的設計,圖3即為AZ1065-06F的接線方式。此種首創的組件接腳方式將可免除繞線時的諸多困擾,不但對縮短產品設計時間的PCB Layout工作有相當大的幫助,同時差動訊號線的Layout也將更為對稱,減少訊號傳輸錯誤的機會。

圖3:以AZ1065-06F作為USB3.0 ESD防護,線路可利用穿透式Layout達成



