【導讀】TLVR 結構是一種有效的實現方式,可在多相 VR 的負載瞬變期間加速動態響應。
TLVR 結構
TLVR 結構是一種有效的實現方式,可在多相 VR 的負載瞬變期間加速動態響應。
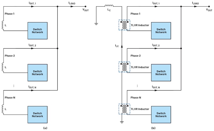
如圖 1 所示,TLVR 結構利用 TLVR 電感器取代傳統多相 VR 中的輸出電感器。TLVR 電感器可以看作是具有初級和次級繞組的 1:1 變壓器。所有 TLVR 電感器都通過連接所有 TLVR 電感器的次級繞組進行耦合。TLVR 電感器次級側的電流 I立法會,由所有不同相位的控制信號決定。由于耦合效應,一旦 VR 的一相的占空比發生變化以響應負載瞬態,所有相的輸出電流可以同時上升或下降。這就是為什么 TLVR 結構可以實現出色的負載瞬態性能。

圖 1.(a) 沒有 TLVR 結構的傳統多相 VR 的電路圖和 (b) 有 TLVR 結構的多相 VR 的電路圖。圖片由 Bodo's Power Systems 提供
基于 Transformer 的 VR
基于 Transformer 的 VR 一直是各種微處理器的有競爭力的電源解決方案。基于變壓器的 VR 配備降壓變壓器,具有高而靈活的降壓比、簡單緊湊的結構、高效率等特點。與無變壓器多相 VR 不同,基于變壓器的 VR 允許更高的輸入電壓,為簡化 VR 設計和實現更高的效率開辟了一個全新的世界。
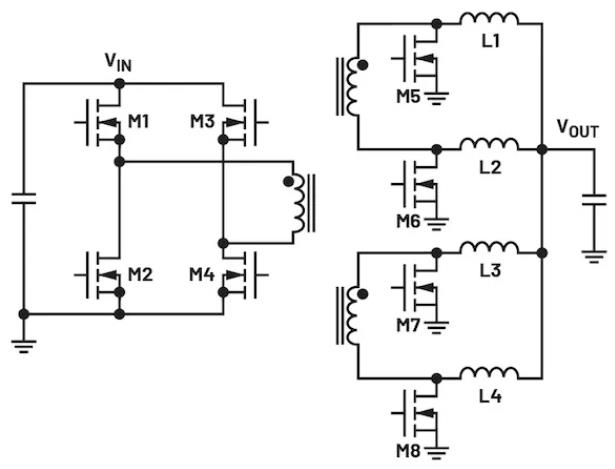
圖 2 顯示了基于 transformer 的 VR 的一個代表性示例的電路圖。VR 電路具有一個帶有兩個次級繞組的降壓變壓器,次級側有一個電流倍增器結構??梢栽O計更多的次級繞組以實現更高的輸出電流和功率密度,并且次級側不需要額外的控制信號。通過適當的控制電路和策略,圖 2 中的多個示例 VR 電路可以并聯連接,為各種高性能微處理器提供所需的電流。因此,圖 2 所示的 VR 電路是本文中的一個示例。

圖 2.一個基于 transformer 的 VR 示例的電路圖。圖片由 Bodo's Power Systems 提供
TLVR 結構在基于 Transformer 的 VR 中的優勢
TLVR 結構可以顯著加速 VR 的動態響應,在負載瞬變期間無需任何降壓變壓器。然而,這種卓越的動態性能伴隨著許多挑戰。無需任何降壓變壓器,這些無變壓器 VR 通常在 TLVR 電感器的初級和次級側以低占空比和高電壓工作。TLVR 電感器次級側的高電壓秒級導致 TLVR 電感器次級側產生高循環電流,并在穩態運行期間產生額外的功率損耗。如圖 1b 所示,應增加一個額外的電感器 Lc 以限制 TLVR 電感器次級繞組中的循環電流。1 額外的電感器進一步增加了系統損耗和成本。
在基于 transformer 的 VR 中引入 TLVR 結構時,可以順利解決 TLVR 結構帶來的挑戰。通過將 TLVR 結構與降壓變壓器相結合,由于主變壓器的高降壓比,TLVR 結構的缺點變得不那么明顯。同時,仍然可以實現極快的動態響應,因為耦合效應推動所有相的電流在負載瞬態期間同時響應。由于采用降壓變壓器,施加到 TLVR 電感器上的電壓降低,從而降低了電感器損耗。TLVR 電感器次級側所需的附加電感器的電感值可以低得多。事實上,通過利用寄生電感,可以消除額外的電感,以及電感帶來的進一步損耗和成本。此外,與 TLVR 電感器和附加電感相關的絕緣問題不再是一個問題。
具有靈活 TLVR 結構的基于 Transformer 的 VR
在具有 TLVR 結構的基于變壓器的 VR 中,電路中的所有輸出電感都被 TLVR 電感取代。此外,在基于 transformer 的 VR 中應用 TLVR 結構時,可以實現兩種類型的實現,這在實現此結構時提供了極大的靈活性。圖 3 顯示了兩種實現方式的電路圖,使用圖 2 中所示的兩個 VR 模塊并聯連接。圖 3a 中的實現稱為串聯,因為 TLVR 電感器的所有次級繞組都是串聯的。圖 3b 所示的另一種實現稱為 串-并行連接。在模塊 1 中,L11 和 L12 的次級繞組在與 L13 和 L14 的次級繞組的串聯并聯之前串聯。模塊 1 中 TLVR 電感器的次級繞組的這種連接終與模塊 2 中的對應連接串聯,如圖 3b 所示。同樣,當兩個以上基于 transformer 的 VR 模塊并聯時,可以實現圖 3 中具有 TLVR 結構的兩個實現。
設計和實現中增強的靈活性不會增加控制復雜性。相同的控制方案適用于具有 TLVR 結構的基于 transformer 的 VR 的兩種實現。這里以基于 transformer 的 VR 為例,其中三個模塊并聯。在不同 VR 模塊的控制信號之間插入相移。在模塊 1 和模塊 2 之間插入的相移為 60°,在模塊 2 和模塊 3 的控制信號之間插入 60° 的相移。如果 N 個模塊并聯,則兩個相鄰模塊之間插入的相移為 180°/N。
施加到所有 TLVR 電感器的電壓都可以根據建議的控制方案得出。圖 4 總結了兩個并聯模塊的基于變壓器的 VR 中所有 TLVR 電感的電壓波形。由于圖 3 中的兩種類型的實現具有相同的控制信號,因此電感電壓波形也相同。還可以觀察到 L11 和 L13 具有相同的電壓波形,L12 和 L14 就是這種情況。這些電感電壓波形有效地解釋了為什么圖 3b 中的串并聯連接是合法的。TLVR 電感器次級側的電流 I秒,在主降壓變壓器初級側的 MOSFET 開關頻率為 4× 時具有高頻紋波。當 N (N > 2) 模塊并聯時,電流紋波 I秒將處于更高的頻率(開關頻率× 2N),并且 I 的幅度秒可以進一步減少。因此,所提出的帶移相的控制方案不僅可以減小輸出電壓紋波,而且可以有效抑制I的紋波秒;因此,TLVR 電感器次級側的傳導損耗。

圖 3.兩個基于 TLVR 結構的基于并聯變壓器的 VR 模塊的兩種實現方式:(a) 串聯連接和 (b) 串并聯連接。圖片由 Bodo's Power Systems 提供
在具有 TLVR 結構的基于變壓器的 VR 中不需要額外的電感器。此外,還消除了額外電感帶來的額外成本和損耗,大大提高了系統的效率和成本。由于變壓器降壓比高(小 n),與采用 TLVR 結構的無變壓器 VR 相比,TLVR 電感器的電壓顯著降低。因此,無需在 TLVR 電感的次級側引入額外的補償電感 Lc 來抑制電流紋波。有關 TLVR 電感電壓的詳細信息,請參見圖 4。在這種情況下,電路中的寄生電感和 TLVR 電感器的漏感在塑造 TLVR 電感器次級側的電流 I 中起著關鍵作用秒.為了進一步改善負載瞬態期間的動態性能,降低 TLVR 電感器次級側的漏感和寄生電感非常重要。

圖 4.具有 TLVR 結構的基于變壓器的 VR 模塊(兩個模塊并聯)中 TLVR 電感器的電壓和次級電流波形。圖片由 Bodo's Power Systems 提供
原型和實驗結果
設計和構建了具有 TLVR 結構的基于 transformer 的 VR 模塊的兩種實現方式,包括串聯連接和串并聯連接版本。圖 5a 顯示了典型 TLVR 電感的 3D 模型。構建的模塊原型如圖 5b 所示。兩個版本的大小與沒有 TLVR 結構的版本相同。換句話說,采用 TLVR 電感器來實現 TLVR 結構,無論是串聯連接還是串并聯連接,都不會增加 VR 模塊的尺寸。
具有 TLVR 結構的基于變壓器的 VR 的極快負載瞬態性能已在構建的原型中成功證明。實驗裝置由兩個并行運行的 VR 模塊組成,如圖 5b 所示。TLVR 電感器的次級側沒有安裝額外的電感器。負載瞬態介于 20 A 和 170 A 之間,轉換速率為 125 A/μs。圖 6 所示的基線比較清楚地說明了具有 TLVR 結構的基于變壓器的 VR 具有出色的負載瞬態響應,其中以串并聯連接版本為例。為了公平地進行比較,沒有 TLVR 結構的情況是通過斷開 TLVR 電感器次級側的連接來實現的。當負載電流從 20 A 上升到 170 A 時,采用 TLVR 結構的基于變壓器的 VR 可以快速調節輸出電壓,峰峰值電壓紋波要低得多。
經過進一步改進,采用 TLVR 結構的基于變壓器的 VR 實現了極快的負載瞬態響應。詳細的瞬態波形如圖 7 所示。在 20 A 至 170 A 的相同瞬態下,由于 TLVR 結構帶來的極快響應,峰峰值輸出電壓紋波僅為 23.7 mV。采用 TLVR 結構大幅加速了動態響應,峰峰值輸出電壓紋波降低了 62%。測得的 115 kHz 高控制帶寬也證明了 TLVR 結構實現了極快的負載瞬態響應。表 1 總結了詳細的比較。

圖 5.(a) TLVR 電感器的 3D 模型和 (b) 兩個基于變壓器的 VR 原型,TLVR 結構在演示板上并聯。圖片由 Bodo's Power Systems 提供 [PDF]
表 1.具有 TLVR 結構和無 TLVR 結構的基于 transformer 的 VR 之間的動態響應比較。
結構采用 TLVR 結構無 TLVR 結構
輸出電容15.2 毫法郎15.2 毫法郎
電壓紋波 (pk-pk)23.7 毫伏62 毫伏
控制帶寬115 kHz45 赫茲
相位裕量69°40.7°

圖 6.基于變壓器的 VR 與 TLVR 結構和無 TLVR 結構的負載瞬態響應比較。圖片由 Bodo's Power Systems 提供

圖 7.具有 TLVR 結構的基于變壓器的 VR 的極快負載瞬態響應。圖片由 Bodo's Power Systems 提供 [PDF]
基于變壓器的穩壓器研究
為了進一步展示基于 transformer 的 VR 與 TLVR 結構相結合的好處,本節根據實際應用的規范介紹了基于 transformer 的 VR 研究。實施和測試了帶和不帶 TLVR 結構的基于 Transformer 的 VR 解決方案,以提供 0.825 V/540 A 的電源軌。表 2 總結了規格和測試結果的詳細信息。具有相當的相位裕量和增益裕量,采用 TLVR 結構的基于變壓器的 VR 解決方案比沒有 TLVR 結構的 VR 解決方案實現了 61% 的控制帶寬。因此,再次證明了 TLVR 結構實現的極快瞬態,如圖 8 所示。峰峰值輸出電壓紋波僅為 40.92 mV,低于 0.825 V 輸出電壓的 5%。
在節省 39% 的輸出電容后,與沒有 TLVR 結構的 VR 解決方案相比,采用 TLVR 結構的 VR 解決方案仍然實現了低得多的峰峰值電壓紋波。因此,輸出電容的數量減少了 27%,從而大大減小了系統解決方案的尺寸。由于 TLVR 結構實現了快速瞬態響應,輸出電容器的成本可以降低 43%。
通常,具有極快動態響應的 TLVR 結構的基于變壓器的 VR 可以有效降低輸出電容,同時在快速負載瞬變期間保持低輸出電壓紋波。此外,在具有 TLVR 結構的基于變壓器的 VR 中不需要額外的電感器。因此,具有 TLVR 結構的基于變壓器的 VR 解決方案可以顯著減小總解決方案尺寸,并大幅降低解決方案成本,尤其是輸出電容器的成本。兩種可供使用的實施方式進一步帶來了極大的靈活性;同時,控制復雜性不會增加。
免責聲明:本文為轉載文章,轉載此文目的在于傳遞更多信息,版權歸原作者所有。本文所用視頻、圖片、文字如涉及作品版權問題,請聯系小編進行處理。
推薦閱讀:
ADA4510-2運算放大器評測:高精度與多場景應用的完美結合






