【導讀】在汽車、工業和綠色能源領域的各種系統中,設計人員正在尋求利用寬帶隙晶體管技術。這種技術不僅能夠支持更高頻率的操作,還能夠支持更高電壓的作業。高頻操作使得電路密度得以提高,但傳統的體硅工藝技術由于開關損耗的限制而難以實現。相比之下,寬帶隙器件則不會遭受相同的損耗影響。
在汽車、工業和綠色能源領域的許多系統中,保護系統免受電壓浪涌和噪聲的影響至關重要。
電子系統設計中存在兩種不同的趨勢,二者均支持電機的電子系統。一方面是向千伏級別發展的發電和電氣分配子系統。另一方面是高速MCU,能夠實現先進算法以優化系統性能,并在接近1V的電壓下運行。
在汽車、工業和綠色能源領域的各種系統中,設計人員正在尋求利用寬帶隙晶體管技術。這種技術不僅能夠支持更高頻率的操作,還能夠支持更高電壓的作業。高頻操作使得電路密度得以提高,但傳統的體硅工藝技術由于開關損耗的限制而難以實現。相比之下,寬帶隙器件則不會遭受相同的損耗影響。
寬帶隙技術也更加穩健,能夠處理比許多硅器件更高的供電電壓。這意味著能夠以較低成本實現高功率密度。由此可以制造更小的變頻器,并且在汽車系統中,充電器可以跨多個電芯傳遞更多能量來支持快速充電協議。
更高頻率的運行意味著使用控制算法生成脈沖寬度調制(PWM)信號,可快速響應傳感器信號,并確保功率晶體管開關操作正確同步。此外,更復雜的控制算法還可優化電機和變頻器的性能以提高效率。
低電壓器件及其周圍的支持器件需要受到保護,以防止來自高電壓的浪涌和尖峰。如果系統的不同部分之間沒有隔離,電氣噪聲和尖峰可能會從高電壓子系統傳播到低電壓電路。在同一塊PCB板上或在同一系統內存在高電壓和高電流電路的話可能會導致許多問題,包括瞬態問題,如數據損壞、安全隱患以及對這些設備內部電路的永久性損壞。
高電流尖峰可能會損壞半導體元件,并可能導致閂鎖條件,從而導致系統整體故障。如果在設計時未考慮組件承受這些應力的能力,那么由此產生的熱量可能引起火災。這些尖峰可能導致絕緣破壞,從而使I/O線纜攜帶危險電壓和電流水平,這可能使操作人員和用戶面臨電擊風險。即使在相對較低的電流水平下,反復受到電壓浪涌也可能導致隔離屏障材料的逐漸破壞,從而降低系統的可靠性。
此外,電氣噪聲也可能成為問題。此類噪聲會干擾敏感混合信號組件的輸入,例如模數轉換器,導致錯誤讀數。更強的脈沖可能會導致從存儲器和其他數字外圍設備傳輸到主處理器時發生位翻轉。

圖1:PLC中的隔離位置
隨著設備中需要保護的位置持續增加。除了需要內部I/O外,通常子系統還將通過網絡彼此通信,以進一步提高效率并更好地對突然變化的條件做出協調響應。這表明了對線纜網絡和系統背板進行高速通信的需求不斷增長。特別是在許多工業系統的惡劣電氣環境中,這些連接也需要保護以免受高壓尖峰和其他電磁干擾(EMI)的損害。 典型可編程邏輯控制器(PLC)的架構提供了許多需要保護的不同信號示例。在許多PLC中,系統功能被劃分為幾個相互協作的模塊,這些模塊通過共同的背板連接。背板通常提供低壓電源軌,其工作電壓可達24V,以及供應給控制模塊的5V控制路徑,并包含電源模塊的供電。 電源模塊通常分為低電壓和高電壓部分。需要保護用于控制功率晶體管開關的PWM信號線。為了避免擊穿等類似開關問題,可能需要多個PWM信號,這會增加并行控制信號的數量。通過在同一隔離器件中支持反向信號,錯誤和傳感器信號便可以從電源級傳遞到控制器。 PLC通常會包含用于外部傳感器信號的模擬和數字I/O模塊。需要跨這些不同信號保護系統,并且以最少的占板空間支持高傳輸速率。網絡模塊可能需要以高達100Mb/s的速率傳輸數據,并且要加以保護,免受高壓損壞和電氣噪聲影響。 在跨電壓域傳播浪涌的保護中,電氣隔離的關鍵在于在高電壓和低電壓域之間斷開電路路徑,以防止電流直接從一側傳輸到另一側。
光隔離器
多年來,光學隔離一直被用于分離兩個子系統之間的電路路徑。這是通過使用LED將傳入的電信號轉換為光子來實現的。一個非導電的透明隔離物將光傳輸到接收端上的光電探測器。

圖2:光隔離器
盡管當前市面上的光耦合器支持緊湊的封裝,但當需要隔離多個通道時,解決方案的整體尺寸仍可能構成問題。由于難以將多個通道集成到單個封裝中并避免通道間的交叉干擾,因此它們通常采用離散型架構。這在需要并行I/O隔離的情況下可能造成問題。例如,對于串行外圍設備互連(SPI)總線的保護,可能需要四個單獨的器件。光耦合器的第二個問題在于它們可以通過的最大數據速率受到LED和光電探測器響應時間的限制。實際上,最大可實現的數字帶寬約為50Mb/s。此外,系統的長期可靠性也是一個問題。
電容隔離
電容隔離是提供用于并行I/O的集成設備的選項的技術之一,盡管它傾向于適用于需要較低隔離水平的場景。這種形式的隔離耦合器使用電容器的充放電周期來實現數據傳輸。由于電容元件之間使用絕緣材料的阻隔,因此不存在直流電流流動。盡管在應用需要大電容時可能會受到充放電速率的限制,但該技術的優勢依然可以支持高數據速率。

圖3:電容隔離
隔離通常受限于位于電容元件之間的絕緣層的擊穿電壓。對于小型設備,這可能不足以阻止大的高壓尖峰。
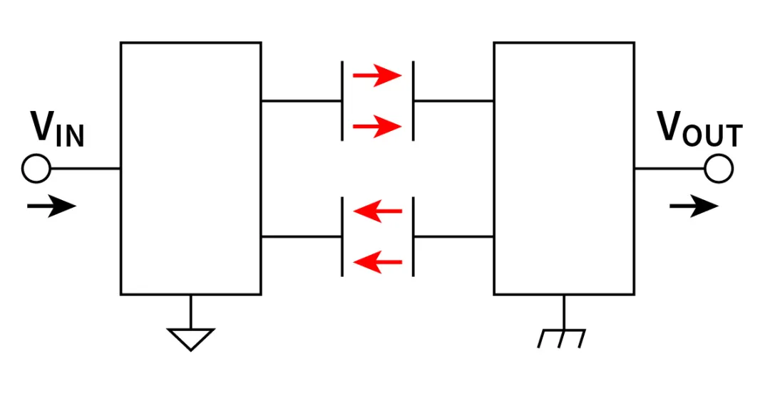
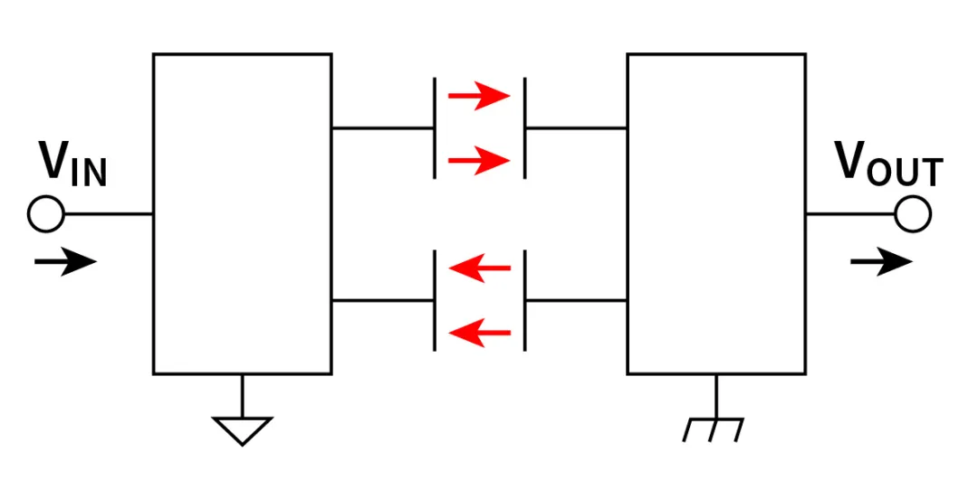
電磁隔離
電磁隔離通過利用一次繞組中電流產生的磁場來感應二次繞組中的電流。當實施隔離解決方案時,一個線圈充當信號發射器,另一個充當接收器。磁感應隔離應用可在工作電壓非常高的系統中運行。因此,磁耦合的使用提供了高保護性,長期運行壽命的組合,并且能夠以比光耦合器更高的速度工作。

圖4:磁耦合為電磁隔離解決方案奠定了基礎
磁耦合并不一定粗大笨重。隨著半導體技術的進步,將電感器集成到小型芯片級產品中已成為可能。因此可以在單個封裝內提供多個并行操作的通道,從而進一步節省空間。例如,東芝的DCL54x01系列由兩個共同封裝的芯片組成。一個是輸入信號的調制器,另一個是解調器,用于處理接收信號。使用兩個隔離芯片便可支持雙重絕緣結構,提供最大限度的保護。在一側的絕緣隔離發生損壞時,這種設計能夠防止兩側之間發生短路。這種架構確保了高達12.8kV的電壓浪涌無法穿過隔離屏障到達另一側,并且組件滿足VDE V 0884-11標準的要求。 基于使用標準的時間依賴介質擊穿(TDDB)計量測試,1.2kVrms脈沖顯示該結構設計提供的預期絕緣壽命長達70年。
圖5:開關鍵控
開關鍵控的調制方案是一種即使在高速運行下也可以提供噪音保護技術。這種調制方案使用載波信號的存在和缺失來分別表示高和低邏輯狀態,是一種提供了高效可靠的方法用于將PWM信號從微處理器傳輸到控制PCB高壓側電機或變頻器的柵極驅動器。在DCL54x01中,該方法提供了小于3ns的脈寬失真,確保了PWM和其他高速邏輯級信號的準確傳輸。該方法還支持以150Mb/s或更高的速率傳輸數據,并具有高抗噪聲干擾性,包括對共模瞬態的抗性。 共模噪聲是一種電流同時在信號和地線上流動的噪聲類型,通常發生于高壓系統中。由于移位會影響信號和地線,并且可能通過隔離障礙物進行耦合,特別是在電容隔離產品的情況下,導致對其進行隔離的實現較為困難。如果耦合到接收端的電流達到一定水平,它可能會導致隔離界面本身以及系統的故障。高共模瞬態抗擾度(CMTI)對于可靠操作至關重要。這一特性在磁隔離產品中得到了很好的支持。
由于隔離器可以利用雙絕緣結構來提供對高壓浪涌的保護,因此在小型封裝中能夠輕松支持多通道作業。
(文章來源:東芝半導體,作者:Joachim Hausmann,東芝電子歐洲有限公司)
免責聲明:本文為轉載文章,轉載此文目的在于傳遞更多信息,版權歸原作者所有。本文所用視頻、圖片、文字如涉及作品版權問題,請聯系小編進行處理。
推薦閱讀:
如何解決單芯片驅動HB/LB/DRL,LED負載切換電流過沖?






