【導讀】在過去十年中,汽車行業經歷的最大變革在于軟件定義車輛的興起。傳統的車輛設計中,針對如動力總成系統或信息娛樂系統等特定功能,均配備有專用的硬件子系統。為了滿足車型快速升級的需求,通過構建模塊化、靈活的子系統(也稱為“區域”)來統一整合多種功能,變得更為經濟高效。現代汽車設計不再局限于專用域控制單元,而是轉向支持兩到三個集成多種功能的區域控制單元。
在過去十年中,汽車行業經歷的最大變革在于軟件定義車輛的興起。傳統的車輛設計中,針對如動力總成系統或信息娛樂系統等特定功能,均配備有專用的硬件子系統。為了滿足車型快速升級的需求,通過構建模塊化、靈活的子系統(也稱為“區域”)來統一整合多種功能,變得更為經濟高效。現代汽車設計不再局限于專用域控制單元,而是轉向支持兩到三個集成多種功能的區域控制單元。
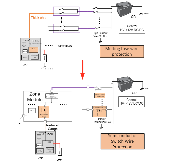
這一區域架構的革新,意味著傳統熔絲將由名為電子保險絲的半導體開關取代。相比分立式熔斷型保險絲,電子保險絲具有多種優勢。電子保險絲可提供可復位輸出,使得車輛架構師能夠靈活選擇安裝位置,因為它們在出現故障后無需更換。由于無需頻繁接觸,這有效縮短了從電源到負載的電纜長度。此外,電子保險絲改善了熔斷時間-電流特性,可變性更小,因而可以縮小電纜直徑、減輕重量并削減線束的制作成本。為電源管理系統提供附加功能可提升預防維護與故障診斷的效能,有助于優化電子系統功耗,從而更大限度地延長電動汽車的行駛里程。
圖 1 展示了熔斷型保險絲向電子保險絲的演變。

圖 1 區域控制器和配電盒中的熔斷型保險絲替代產品
本文將探討可配置電子保險絲如何加快實現向軟件定義車輛架構的轉型。
使用電子保險絲進行設計
互聯汽車必須持續監控系統狀況,這涵蓋了從高級傳感器功能直至保險絲元件的基本狀態。此外,區域架構設計還要求在根據供電負載變化調整保險絲配置時,能夠展現出高度的靈活性。通過采用串行外設接口 (SPI) 等通信接口,電子保險絲(如 TPS2HCS10-Q1)能夠根據負載需求動態配置開關,并通過讀取負載診斷信息來輔助決策,從而有效解決了這兩個難題。盡管增添了附加功能,但總體系統成本卻更低、元件數量也更少,因為電子保險絲無需外部無源器件即可配置保護和診斷功能。
SPI 接口持續不斷地提供多種開關狀態和負載故障診斷信息,大大減少了微控制器 (MCU) 的開銷。器件內集成了模數轉換器 (ADC),能夠通過 SPI 接口全面讀取數字診斷數據,因此無需再依賴基于 MCU 的 ADC 來單獨讀取電流與電壓輸出。圖 2 展示了電子保險絲如何在沒有外部元件的情況下檢測輸出電壓和電池短路或開路負載故障。

圖 2 無需外部元件就能實現輸出電壓和電池短路或開路負載故障的檢測,且大大減少了 MCU 的開銷
在向軟件定義車輛轉型的開發過程中,一大挑戰在于如何精簡軟件和固件的開發流程,確保系統間的協同一致。針對各種車型驗證多個系統會增加周期時間和成本。電子保險絲的優勢在于,它能在處理不同電流負載(從低至高)的同時,使用統一的接口來編程和讀取信息,適用于具有各異輸出負載特性的多種車型版本。通過數字接口實現軟件配置、控制和診斷功能,可以顯著減少對 MCU 輸入/輸出 (I/O) 引腳的需求,進一步降低了額外 I/O 擴展器成本并減小了印刷電路板 (PCB) 的面積。
那么,為何選擇軟件可配置的電子保險絲尤為合適?
可配置時間—電流曲線。不同于標準的平坦電流限制,嵌入式保險絲的時間—電流特性曲線會根據負載電流的時長和強度來判斷是否或何時關閉開關。這意味著電子保險絲可以在短時間內承受高負載電流(例如電機浪涌或失速電流),但在過載情況下會自動切斷,以保護線束、PCB 布線和連接器。此外,通過 SPI 配置,僅需設定標稱電流和關斷能量觸發閾值兩個參數,即可靈活編程多種保險絲特性曲線。圖 3 展示了整個電流范圍內的保護方案示例。

圖 3 可編程保險絲特性
低靜態電流。許多電子控制單元 (ECU) 即使在車輛停車時也保持通電狀態。為這些 ECU 供電的電子保險絲需要消耗非常低的工作電流,以防止電池電量快速耗盡,并確保所需的負載能繼續保持活動狀態。盡管電流需求降低,保護功能依然保持激活狀態,確保系統免受短路事件的影響。更重要的是,電子保險絲通過檢測負載情況適時在正常工作與低功耗模式間切換,從而實現自主運作,而不會增加 MCU 的開銷。德州儀器電子保險絲產品系列具有超低靜態電流,可滿足上述所有要求。
可配置容性負載驅動模式。許多區域負載本質上為容性負載;因此,用于為其供電的開關必須能高效地進行電容充電。傳統保險絲和開關不具備電容充電功能,而電子保險絲則提供了兩種模式:一種是針對充電過程中負載電流較大情況的恒定電流充電模式;另一種則是針對容性負載超大但充電電流超低情況的固定瞬態電壓模式。在任一種情況下,電子保險絲都能在可編程的充電時段里,將浪涌電流限制在一個較低值。電子保險絲的一大優勢在于,使器件能夠通過調整不同的充電電流或電壓閾值,驅動各類大小的容性負載。當需要考慮電容本身的特性和并聯電路中的負載電流消耗情況時,將器件配置為電容充電模式是理想之選。
電子保險絲正在迅速取代傳統的半導體開關
德州儀器的智能高側開關產品系列配有集成式場效應晶體管,具有寬導通電阻范圍,可支持多種負載電流,有助于解決區域架構設計中遇到的難題。TPS2HCS10-Q1 電子保險絲憑借其具備的 SPI 通信功能、低功耗模式、I2T 電流限制及智能電容充電等特性,有效解決了開發與技術層面的難題。這些開關不僅實現了更先進的配電方式,還為執行器驅動應用提供了保護和診斷功能。
結語
包括 TPS2HCS10-Q1 在內的德州儀器電子保險絲既滿足了智能配電及軟件定義區域 ECU 的系統需求,又在開發階段實現了成本、空間和時間的節省。未來,隨著汽車保險絲日漸變得更加智能和安全,傳統保險絲或許將無需再進行更換。
免責聲明:本文為轉載文章,轉載此文目的在于傳遞更多信息,版權歸原作者所有。本文所用視頻、圖片、文字如涉及作品版權問題,請聯系小編進行處理。
推薦閱讀:
羅姆即將參展PCIM Europe 2024:賦能增長,推動創新



