【導讀】如今,碳化硅 (SiC) 器件在電動汽車 (EV) 和太陽能光伏 (PV) 應用中帶來的性能優勢已經得到了廣泛認可。不過,SiC 的材料優勢還可能用在其他應用中,其中包括電路保護領域。本文將回顧該領域的發展,同時比較機械保護和使用不同半導體器件實現的固態斷路器 (SSCB) 的優缺點。最后,本文還將討論為什么 SiC 固態斷路器日益受到人們青睞。
如今,碳化硅 (SiC) 器件在電動汽車 (EV) 和太陽能光伏 (PV) 應用中帶來的性能優勢已經得到了廣泛認可。不過,SiC 的材料優勢還可能用在其他應用中,其中包括電路保護領域。本文將回顧該領域的發展,同時比較機械保護和使用不同半導體器件實現的固態斷路器 (SSCB) 的優缺點。最后,本文還將討論為什么 SiC 固態斷路器日益受到人們青睞。
保護電力基礎設施和設備
輸配電系統以及靈敏設備都需要妥善的保護,以防因為長時間過載和瞬態短路情況而受到損壞。隨著電力系統和電動汽車使用的電壓越來越高,可能的最大故障電流也比以往任何時候都更高。為了針對這些高電流故障提供保護,我們需要超快速交流和直流斷路器。過去,機械斷路器一直是此類應用的主要選擇,然而隨著工作要求越來越嚴苛,固態斷路器越來越受到歡迎。相較于機械斷路器,固態斷路器具有許多優勢:
·穩健性和可靠性:機械斷路器內含活動部件,因此相對易于受損。這意味著它們容易損壞或因為運動而意外自動斷開,并且在使用期間,每次復位都會出現磨損。相比之下,固態斷路器不含活動部件,因此更加穩健可靠,也不太容易出現意外損壞,因此能夠反復進行數千次斷開/閉合操作。
·溫度靈活性:機械斷路器的工作溫度取決于其制造材料,因此在工作溫度方面存在一定的限制。相比之下,固態斷路器的工作溫度更高并且可以調節,因此它能夠更加靈活地適應不同的工作環境。
·遠程配置:機械斷路器在跳閘后需要人工手動復位,這可能非常耗時且成本高昂,特別是在多個安裝點進行大規模部署的情況下,另外也可能存在安全隱患。而固態斷路器則可以通過有線或無線連接進行遠程復位。
·開關速度更快且不會產生電弧:機械斷路器在開關時可能會產生較大的電弧和電壓波動,足以損壞負載設備。固態斷路器采用軟啟動方法,可以保護電路不受這些感應電壓尖峰和電容浪涌電流的影響,而且開關速度要快得多,在發生故障時只需幾毫秒即可切斷電路。
·靈活的電流額定值:固態斷路器具有可編程的電流額定值,而機械斷路器則具有固定的電流額定值。
·尺寸更小、重量更輕:相較于機械斷路器,固態斷路器重量更輕、體積更小。
現有固態斷路器的局限性
雖然固態斷路器相較于機械斷路器具有多項優勢,但它們也存在一些缺點,具體包括電壓/電流額定值受限制、導通損耗更高且價格更貴。通常,對于交流應用,固態斷路器基于可控硅整流器 (TRIAC),而對于直流系統,則基于標準平面 MOSFET。TRIAC 或 MOSFET 負責實現開關功能,而光隔離驅動器則用作控制元件。然而,在具有高輸出電流的情況下,基于 MOSFET 的高電流固態斷路器需要使用散熱片,這就意味著它們無法達到與機械斷路器相同的功率密度水平。
同樣地,使用絕緣柵雙極晶體管 (IGBT) 實現的固態斷路器也需要散熱片,因為當電流超過幾十安培時,飽和電壓會導致過多的功率損耗。舉例來說,當電流為 500 安培時,IGBT 上的 2V 壓降會產生高達 1000W 的功率損耗。對于同等功率水平,MOSFET 需要具有約 4 m? 的導通電阻。隨著電動汽車中器件的電壓額定值朝著 800V(甚至更高)發展,目前沒有單一器件能夠實現這一電阻水平。雖然理論上可以通過并聯多個器件來實現該數字,但這樣的做法會顯著增加方案的尺寸和成本,尤其是在需要處理雙向電流的情況下。
使用 SiC 功率模塊打造下一代固態斷路器
與硅芯片相比,SiC 芯片在相同額定電壓和導通電阻條件下,尺寸可以縮小多達十倍。此外,與硅器件相比,SiC 器件的開關速度至少快 100 倍,并且它可以在高達兩倍以上的峰值溫度下工作。同時,SiC 具有出色的導熱性能,因此在高電流水平下具有更好的穩健性。安森美利用 SiC 的這些特性開發了一系列 EliteSiC 功率模塊,其 1200V 器件的導通電阻低至 1.7m?。這些模塊在單個封裝中集成了兩到六個 SiC MOSFET。
燒結芯片技術(將兩個獨立芯片燒結在一個封裝內)甚至在高功率水平下也能提供可靠的產品性能。由于具備快速開關行為和高熱導率,因此該類器件可以在故障發生時快速而安全地“跳閘”(斷開電路),阻止電流流動,直到恢復正常工作條件為止。這樣的模塊展示了越來越有可能將多個 SiC MOSFET 器件集成到單個封裝中,以實現低導通電阻和小尺寸,從而滿足實際斷路器應用的需求。此外,安森美還提供承受電壓范圍為 650V 到 1700V 的 EliteSiC MOSFET 和功率模塊,因此這些器件也可用于打造適合單相和三相家庭、商業和工業應用的固態斷路器。安森美具有垂直整合的 SiC 供應鏈,能夠提供近乎零缺陷的產品,這些產品經過全面的可靠性測試,能夠滿足固態斷路器制造商的需求。
圖 1:安森美完整的端到端碳化硅 (SiC) 供應鏈
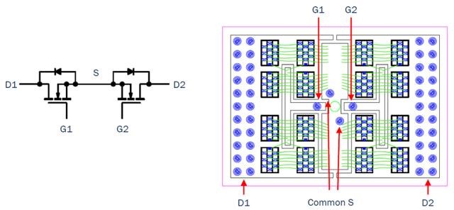
下圖展示了固態斷路器的模塊化實現方式,其中以并聯配置連接多個 1200V SiC 芯片和多個開關來實現了極低的 rdson 和優化的散熱效果。下方這些完全集成的模塊具有優化的引腳位置和布局,有助于減少寄生效應,提高開關性能和縮短故障響應時間。安森美提供豐富多樣的 SiC 模塊產品組合,模塊額定電壓為 650V、1200V 和 1700V,并且其中一些模塊帶有底板,而另一些則無底板,以便滿足不同的應用需求和效率需求。
圖 2:適用于固態斷路器的 SiC B2B 模塊- 480VAC -200A
圖 3:適用于固態斷路器應用的安森美模塊
SiC 技術和固態斷路器將共同發展
機械斷路器具有低功率損耗和更高的功率密度,目前價格也低于固態斷路器。另外,機械斷路器容易因為反復使用而發生磨損,并且復位或更換會產生昂貴的人工維護成本。隨著電動汽車的日益普及,市場對斷路器和 SiC 器件的需求將持續增長,因此這種寬禁帶技術的成本競爭力會日益增強,并且其對固態斷路器方案的吸引力也會不斷增加。隨著 SiC 工藝技術的不斷進步和獨立 SiC MOSFET 的電阻進一步降低,固態斷路器的功率損耗最終會達到與機械斷路器相媲美的水平,那時功率損耗將不再是個問題。基于 SiC 器件的固態斷路器具備開關速度快、無電弧以及零維護等優勢,能夠帶來顯著的成本節約,因此必將成為市場廣泛采用的主流選擇。
(作者: 安森美電源方案事業群工業方案部高級總監Sravan Vanaparthy)
免責聲明:本文為轉載文章,轉載此文目的在于傳遞更多信息,版權歸原作者所有。本文所用視頻、圖片、文字如涉及作品版權問題,請聯系小編進行處理。
推薦閱讀:
如何幫助提高混合動力汽車/電動汽車電池斷開系統的安全性和效率



