【導讀】采取適當的預防措施,可以防止雷擊對以太網連接設備造成損壞。使用保護元器件的傳統方法可能不完全有效,我們還需要輔以另外一種方法,其靈感基于對雷擊能量傳遞給以太網電纜和相連設備的基礎機制的深入分析,本文會詳細介紹這些內容。
問題:
有沒有一種簡單方法可以保護以太網免受雷擊損壞?

答案:
如果對磁學和電路理論有深入的理解,再加上適當的接地和屏蔽技術,就能找到辦法。
摘要
采取適當的預防措施,可以防止雷擊對以太網連接設備造成損壞。使用保護元器件的傳統方法可能不完全有效,我們還需要輔以另外一種方法,其靈感基于對雷擊能量傳遞給以太網電纜和相連設備的基礎機制的深入分析,本文會詳細介紹這些內容。
引言
以雷擊為罪魁禍首的浪涌事件會讓有線以太網出現故障,時刻牽動著網絡管理員或者其他相關負責人的神經。這個問題并不局限于以太網,任何現實中較大的電子或電力系統都不例外。其他示例包括:遠程返回的電氣測量、電力傳輸以及傳感器不在附近的工業自動化應用。傳統解決方案的工作原理是吸收或限制某個區域附近的事件能量,以保護物理層元器件。這種方法的問題在于,能量未被消除,由此產生的電流也未被消除。感應路徑中的瞬態電流總是會產生很大的電壓,進而可能造成損壞。因此,當考慮常規方法時,我們必須明確:需要什么級別的保護,以及需要多少時間、精力和資源來實施?此外,所部署的保護方法不僅要能夠抵御浪涌,而且要在浪涌發生后仍能正常運作。雷擊產生的能量比您想象的可能要大幾個數量級。為了實現安全可靠的運行,需要采取強有力的保護措施來應對這一挑戰。
能量大小
以太網系統需要防范浪涌事件,不同浪涌事件的能量可能相去甚遠。數千米外的雷擊引起的能量浪涌在強度上可能比門外的雷擊引起的能量浪涌低五個數量級。以太網系統的規模也會影響其處理不同量級的能量的能力。甚至環路的方向也可能使系統的浪涌承受能力增加三個數量級。
雷擊能量
浪涌事件造成的損壞取決于事件的能量、能量浪涌發生的位置以及系統受到沖擊時可以儲存多少能量。了解這些因素將有助于找到防范這種損壞的解決方案。
雷擊產生的能量儲存在雷擊周圍的區域中(我們的討論排除直擊雷的可能性)。雷擊的主要問題是能量儲存在近場中,其中磁場對于這種低阻抗源來說最為重要。通過雷擊長度可以求出總電感,然后使用我們熟悉的能量方程E = 1/2Li2便可近似計算磁場中的總能量。雷擊電流大小不一,但可能高達50,000 A。在超過此距離的遠場中,能量非常小,幾乎不用擔心,除非您從事建造無線電接收器的業務。
太陽每秒產生3.846 × 1026 W的功率。在距離太陽9300萬英里的地球上,一平方米空間接收到其中的1000 W功率。如果我們對圍繞太陽的整個球面進行積分,無論距離太陽表面有多遠,總會有3.846 × 1026 W的輻射功率,而1平方米相對于9300萬英里之外的總表面積而言非常之小!現在我們從能量而不是功率的角度來討論。要獲得1000焦耳的能量,需要照射1 s(瓦特的單位為J/s)。此能量體積等于1M2乘以光在一秒內傳播的距離,即3 × 108 M;在這種情況下,總體積也是3 × 108M3。
為了理解本文的其余內容,必須接受輻射能量和靜態能量(磁能BxH和靜電能ExD)都儲存在空間中的概念。坡印廷定理描述了能量的運動、移動或轉移。能量的轉移總是同時涉及磁場和電場。導體內部不可能有明顯的電場,因此也不可能儲存任何能量。近處和遠處(輻射)的能量都儲存在雷擊事件周圍的空間中,這個道理簡單明了。此概念(能量儲存在空間中)為浪涌問題提出了以下解決方案:不接觸這種能量就能消除電涌問題。
要接觸該能量,導體幾何結構(以太網電纜)需要進入能量運動所在的空間。就像我們的輻射示例一樣,即使處于近場,也涉及時間。以太網電纜以差分方式連接,不具有任何明顯的環路區域,因此不太可能從該周圍空間耦合任何明顯的能量。對于以太網電纜和接地系統之間的區域,情況并非如此。
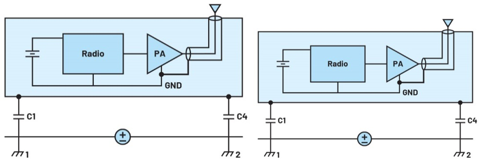
浪涌是一種涉及機箱接地系統的高頻環路電流。每個構建的電路都有機箱接地系統。就本文而言,它僅對大型電路很重要。請參閱圖1的示例,了解機箱接地系統如何始終存在,而且系統越大,它就越重要,以及為什么接地與該問題沒有任何關系,而任何寄生導體都會有關系。下一節將介紹兩種最常見的浪涌電流源。
接地環路能量
接地環路之所以產生,是因為任何兩個位置的接地電位都不是恒定的。圖1顯示,每個原理圖都有第二個電路,即寄生接地環路。由于接地環路和您設計的電路可以共用一根導線,因此該接地環路也被稱為共阻抗耦合1。圖1和圖2顯示了更詳細的示例。通常,第二個機箱接地電路不是那么大,但始終存在。一般來說,電子系統覆蓋的距離越遠,這些接地之間的電位差就越大,它們之間的電感和電阻也會越大。

圖1.從技術上講,即使像手持設備這樣小的系統也可能受到外界的影響。在此示例中,接地環路非常小,任何干擾電流都將流向屏蔽層而不是無線電接地。

圖2.上圖所示為線路供電儀器,機箱接地1和機箱接地2之間有接地環路電壓。同時,該環路很大,足以使磁耦合干擾變得顯著。另請注意,干擾環路與儀器接地共用一根導線。
當閃電擊中地面時,電流會向各個方向擴散。該電流會導致電流流經的接地電阻和電感出現顯著的電壓下降。對于某些有線以太網設施,此電位差可能橫跨整個以太網電纜(從一端到另一端),并可能引起大電流流動。這種效應被歸類為接地環路,這是正確的。源自儀器儀表和電力機械的電流也會引起接地環路。正確接地的建筑物以公用設施入口處的單個接地導體為基準。由此可知,在單一建筑物內,雷擊引起的接地環路并不是造成設備損壞的主導因素。對于在建筑物外部或建筑物之間布設的以太網來說,情況顯然不是這樣。
無論來源如何,接地電壓都會在以太網電纜中產生電流,即使長度不是很長或者沒有環路區域也是如此。重要的是兩個接地點的電位差、上升時間以及兩點之間機箱系統的電感。
閃電產生的磁場
根據法拉第定律,閃電還可以在任何環路區域中產生磁耦合電壓。這可能是最堪憂的問題,因為它會影響建筑物內布設的以太網。
接地環路引起的雷擊浪涌事件與磁耦合(法拉第定律)引起的浪涌事件不同。接下來的幾節將討論每個問題的可能解決方案。作為參考,圖3顯示了沒有采用本文所述任何解決方案的以太網連接。這里,通過電路和接地參考平面(也是電路的一部分)的電流路徑(由于接地環路或法拉第定律而產生)是浪涌電流可以通過的唯一路徑。常規解決方案試圖將該電流從元器件中分流走,但電流路徑中可能發生具有危險性的V = Ldi/dt事件。

圖3.一個容易受到浪涌損壞的以太網示例。
教科書解決方案
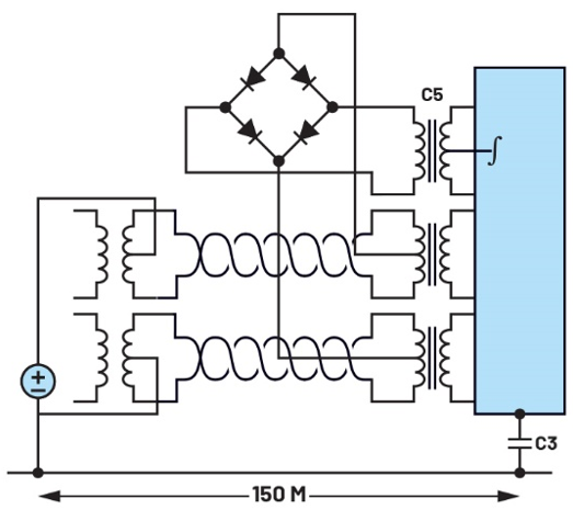
解決接地環路和磁能問題的教科書解決方案是使用防護。用屏蔽層包圍整個應用來提供防護。這種防護的作用是使應用與除防護本身之外的任何物體之間的電容最小化。考慮圖4(一個簡化的非以太網示例),很顯然,所有接地環路或磁感應電流都將沿著防護金屬流動并穿過C5處的隔離柵。接地環路電流不可能進入防護裝置所包圍的任一應用區域。在這種情況下,干擾場完全在應用元器件的外部。除了消除任何靜電耦合噪聲之外,該教科書解決方案還能應對上述兩種干擾源。教科書解決方案確實非常出色,即使C5非常小,它也能工作。短路線匝并不是必需的。

圖4.儀器示例,顯示了使用防護來消除能量,從而減少應用電路中的浪涌電流。
這是唯一適用于兩種接地環路和磁耦合場能量的解決方案。它通常也超出了這種以太網應用的要求,下面將做一些簡化,以得到我們可以實際構建的以太網解決方案。
短路線匝
造成損壞的能量來自閃電所產生的能量場。為了消除以太網布設中的能量,我們需要消除能量場,為此我們將在此變壓器中設計一個短路線匝,其中閃電為初級,以太網接地環路區域為次級。如果使用以太網電纜內部的防護層和應用電路中的平面來構建一個隔離的短路線匝,通過接地提供最終導體來閉合短路線匝,那么我們應該能夠消除能量。在實踐中,實施這種短路線匝后,添加外部分流保護元件的過程會容易得多。
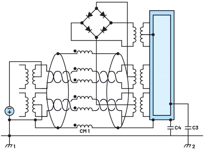
要進行簡化,可以去掉系統左右半部的完整包圍,如圖5所示(以太網配置如圖6所示)。如果防護回路可以充當短路線匝,并且C3/C4的比值極小,那么這種更簡單的配置可能是有效的。相比隔離路徑,這種消除浪涌的簡化方法只有在我們能夠構建短路線匝時才有效。

圖5.使用屏蔽將浪涌能量從應用電路引走的簡化儀器示例。

圖6.使用屏蔽將浪涌能量從應用電路引走的以太網示例,C3 < C4。
從以太網環路的角度來看,此短路線匝究竟是如何消除能量的呢?為了揭示這個問題,我們需要在更深的層次上理解變壓器類比。真正的變壓器旨在移動能量,而不是儲存能量。無論空芯變壓器還是磁芯變壓器,都是如此。為了在空芯變壓器中幾乎不儲存能量,繞組必須直接纏繞在彼此之上,以便幾乎沒有儲存能量的空間。即使繞組不直接相互疊置,用磁芯制成的變壓器也會將能量(具有磁滯和渦流損耗)從一個繞組轉移到另一個繞組,但繞組和磁芯之間必須幾乎沒有空間,以便幾乎不會儲存能量。當使用磁芯時,由于電感較高,較大的μr會直接降低磁化電流,讓我們可以獲得額外的優勢。不管有無磁芯,施加到初級的電壓都會產生一個電流,可通過我們熟悉的V = Ldi/dt關系來描述,這反過來又會導致次級上產生一個電壓,可通過下式得出:
V = (環路面積)dB/dt。磁性材料的存在不會改變初級Ldi/dt或次級dB/dt。換句話說,它不會改變變壓器電壓。在初級中,磁導率μr是一個常數,它會增加電感(增加μr),但也會降低di/dt以進行補償。對于次級,較大μr會減慢dB/dt(因為初級di/dt較低),但它也會增加B,增加幅度就是該常數。高磁導率實際上只是通過提高初級電感來降低磁化電流。
由于變壓器中不儲存能量,當次級負載很大時,低阻抗電壓源驅動的初級將需要提供更大電流,初級電流將增加以提供能量。
相比之下,雷擊會在非常大的空間中儲存大量能量。能量總是按照儲存能量盡可能少的配置自行排列。這正是變壓器在內部以及次級繞組接口處所做的事情,次級電流與初級電流方向相反。這些相反的電流保證不會存在凈外部磁場(儲存的能量)。在高層次上,這被稱為最小作用原理,但就本文而言,它被稱為楞次定律。這就是以太網電纜和機箱接地回路周圍空間中發生的情況。以太網環路(或短路線匝,由您選擇)提供了轉移或耗散此能量的手段,因為任一手段都提供了儲存較少能量的方法。就像上面的變壓器示例一樣,產生的次級電壓仍然為V = (環路面積)dB/dt,但初級(閃電)和次級(以太網環路)之間沒有緊密耦合。這種不良耦合使該區域無法接觸無限的能量源。短路線匝會產生一個電流,抵消/耗散閃電儲存在該空間中的能量。如果可以在短路線匝就位的情況下測量初級的電感,那么它會是一個較低的值,表明儲存的能量較少,一些丟失的能量在短路線匝中耗散。換句話說,次級負載產生的磁場將抵消閃電產生的磁場,使以太網環路中儲存的能量減少。
順便說一句,在變壓器中,當將一個次級短路時,所發生的正是上述情況。但是,這其中有一個重要區別。對于實際變壓器,由于緊密耦合,短路線匝將耗散初級中的所有可用能量。對于閃電,只有以太網環路空間中的能量才會被耗散。
我們來看一個例子。雷擊產生的H場為I/2πR。假設雷擊距離以太網電纜1英里(1600 M),雷擊電流為50,000 A,則磁場強度將為4.97 A/M
B場即為B = μH = (4π × 10E-7)(4.97) = 6.25E-6 Tesla,以太網環路面積(一英里遠)為: 1 M × 150 M =150M2
雷擊電流的上升時間可以短到1μs,其下降時間為約100 μs,因此該環路中產生的電壓可近似計算為:V = A (環路面積 × dB/dt) = 150(6.25E-6)/1 μs = 937 V
我們通過仿真來獲得準確的值。圖7顯示了一次50 kA雷擊,上升時間為1 μs,下降時間為10 μs。

圖7.50 kA雷擊,上升時間為1 μs,下降時間為10 μs。
根據法拉第定律,此電流將產生電壓V1,如圖8所示。E1代表未受保護的以太網環路內的浪涌電壓。459 μH是帶機箱的以太網環路區域的電感,500 pF表示以太網連接的PSE和PD兩側的對地凈串聯電容,10 Ω電阻是電路的串聯電阻。在仿真中,R2的值并沒有真正改變電流的峰值,而是導致波形的包絡以更快的速率衰減。這一更有利的L/R時間常數將使浪涌能量作為熱量更快地通過整個分布式電阻耗散。

圖8.SPICE仿真模型,說明了利用與以太網環路緊密耦合的第二短路線匝可以降低浪涌電流。

圖9.圖8中示例仿真的浪涌電流。
所產生的浪涌電流I(L2)如圖9所示。該圖表明,即使雷擊發生在1英里之外,未受保護的環路也會出現1.6 A的峰峰值浪涌電流。想象一下,如果雷擊距離近很多,會產生多大的環路電流。即使這樣的電流也足以造成損壞。
現在,讓我們考慮原理圖右半部分所示的受保護以太網環路(這里是內部以太網環路)中的浪涌電流。如果降低屏蔽環路阻抗(增加C3和C4),同時保持與以太網環路的良好磁耦合,則該浪涌電流可以進一步降低。
隔離
還有一種消除浪涌電流的方法,那就是隔離電纜的一端或兩端。理想情況下,要以這種方式隔離應用,需要在所有頻率下都有一個開路。這通常由隔離變壓器實現;對于以太網,這包括數據變壓器和電源變壓器(POE應用)。變壓器擅長阻止DC;但其初級到次級電容在較高頻率下會短路,從而支持高頻浪涌電流。如果有極低電容的變壓器可用,我們一開始就不會有浪涌問題,所以這不是答案。不過,減小隔離電容確實會降低雷擊引起的電流。然而,本文提出的解決方案在較高頻率下可提供更好的隔離系統,盡管跨隔離柵的電容較大。如果電容看不到任何dv/dt,那么它便無關緊要。
有什么問題?
問題是我們永遠無法在電路周圍建立理想的防護,或者利用短路線匝消除所有磁場,或者構建沒有電容的變壓器。這種情況下,還能做些什么呢?為了增強這些解決方案,我們可能還需要添加旨在轉移任何剩余浪涌電流的保護元器件。短路線匝中的電流可能很高,但幾乎不必擔心,因為我們只使用銅和電容來構建它。我們可以做出的最后一項改進是在整個以太網鏈路周圍添加鐵氧體,如圖10所示。

圖10.共模扼流圈CH1為差模電流提供低阻抗,并為共模電流提供更大阻抗。
在沒有新增短路線匝的情況下,此鐵氧體仍然表現良好。它為高頻電流提供一個開路,以補充直流和較低頻率下隔離變壓器的開路。如果將鐵氧體與短路線匝一起使用,我們會得到一些非常驚人的結果。在這種情況下,鐵氧體為接地環路周圍的電流提供一個開路,使得C3/C4比值進一步減小。
結語
任何需要長電纜的應用都可能受到雷擊的損壞。這種損壞的原因可能是雷擊的高電流導致的接地阻抗壓降(接地環路),還有根據法拉第定律產生的電壓(磁耦合)。在某些應用中,使用保護元器件來引導這種破壞性電流可能不奏效。在這種情況下,直接沿著以太網電纜和電路(耦合良好)添加低阻抗短路線匝可以顯著降低浪涌電流。這種方法僅使用銅和電容,因此我們不必擔心短路線匝可能產生的高電流。在以太網電纜上添加共模扼流圈也可以安全地降低浪涌電流。
參考資料
1 Alan Rich。“屏蔽和防護,如何排除干擾型噪聲——方法及原理:一種理性方法。”ADI公司,1983年。
Karl-Heinz Niemann。“Ethernet-APL工程指南”,版本1.14 19。2022年9月。
Richard P. Feynman、Robert B. Leighton和Matthew Sands。費曼物理學講義,第二卷:新千年版:主要涉及電磁學和物質。Basic Books,2011年。
Ralph Morrison。接地和屏蔽技術,第四版。John Wiley & Sons Publications,1998年。
(來源:ADI公司,作者:James Niemann,現場應用工程師)
免責聲明:本文為轉載文章,轉載此文目的在于傳遞更多信息,版權歸原作者所有。本文所用視頻、圖片、文字如涉及作品版權問題,請聯系小編進行處理。
推薦閱讀:



