【導讀】雖然“電機的種類”這幾個字說起來簡單,但隨著技術的發展,電機已經變得越來越多樣化,因此分類方法也呈現多樣化趨勢,可以根據電源種類、產生轉矩的原理、電機結構以及應用領域等進行分類。
電機有哪些種類?
雖然“電機的種類”這幾個字說起來簡單,但隨著技術的發展,電機已經變得越來越多樣化,因此分類方法也呈現多樣化趨勢,可以根據電源種類、產生轉矩的原理、電機結構以及應用領域等進行分類。
例如,當我們根據[轉矩產生原理] ? [電源] ? [結構]進行分類,就會得出如下圖所示的結果:

如上圖所示,電機的種類有很多,但方便用于電子制作的電機卻是有限的。 在本文中,將為您介紹適用于電子制作的三種主要電機及其應用。
什么是有刷直流電機?
在電子制作中常用的電機是“有刷直流電機”。 不同的電機制造商對這種電機的叫法也有所不同,比如“DC電機”、“直流換向器電機”、“有刷電機”、“直流換向器電動機”等各種名稱。
有刷直流電機是一種簡單易用的電機,它無需準備特別的電子電路來驅動,只要連接干電池等電源即可旋轉。 由于其易用性和低廉的價格,使其成為電子制作中使用率最高的電機。
它還可以通過PWM或被稱為“電機驅動器”的控制IC來調整旋轉速度、設置旋轉方向并控制制動等,因此還被廣泛用于無線電控制器和風扇等應用。

圖中是有刷直流電機的典型控制方式——“H橋電路”。 可以通過四個開關(實際上是晶體管或FET)的ON/OFF來操作電機①自由/②正轉/③反轉/④制動。
雖然這種電機具有易用性的優點,但它也有一些缺點。 有刷直流電機的內部具有被稱為“電刷”的接觸體,如果電刷因旋轉引起的摩擦而嚴重磨損,電機將無法使用。轉幾個小時是沒有問題的,但是如果持續使用,電刷就會磨損嚴重,就需要更換整個電機,而且電機不能再重復使用。
此外,接觸體電刷產生的火花也是導致噪聲的原因之一,在某些情況下,有刷直流電機運行時產生的異味也是很大的問題,因此,在一些應用場景中,必須考慮其他選項。
優點
? 給電即可旋轉
? 價格低
缺點
? 電刷引起的問題(壽命、噪聲、異味等)
什么是無刷直流電機?
“無刷直流電機”通過取消有刷直流電機的電刷,解決了電刷帶來的弊端。 通過去除電刷,取消了電機內部的接觸體,減少了零部件數量,最終使電機在可維護性、重量、壽命、電機效率和高速旋轉等各個方面的性能都得到了提升,可以說是一種劃時代的電機。這種電機不是給電就可以工作的,使用起來稍微有點麻煩,但其效率高,壽命長,因而常被用于電池供電的設備。
使電機旋轉的電子電路會始終監測與輸出軸(曲軸)連接的轉子的旋轉角度,并根據角度隨時切換線圈的通電。 驅動電路的作用對于無刷直流電機的控制非常重要。無刷直流電機的驅動電路需要很多電子元器件,包括位置檢測傳感器、多個功率晶體管和柵極驅動器、以及控制它們的微控制器等,因此對電路設計技巧和軟件知識要求很高。
近年來,配備單片機控制IC或具有無刷直流電機控制功能的微控制器的無刷直流電機也越來越多,但總體而言,無刷直流電機的操作還是比有刷直流電機復雜。

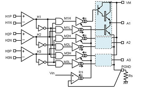
無刷直流電機的驅動電路。 在該電路之外,還增加了位置檢測傳感器和用來檢測過電流的保護電路,使電路規模很大。
順便提一下,無刷直流電機的分類比較復雜,由于電機本身是由逆變器產生的交流電驅動的,所以可以考慮將其歸類為“交流電機”,但貌似無刷直流電機多被歸類為“直流電機”。
優點
? 重量輕、壽命長、電機效率好
缺點
? 價格貴、驅動電路復雜
什么是步進電機?
“步進電機”是可以控制旋轉角度的電機。 前面介紹的兩種電機都是用作長時間連續旋轉的動力源,而步進電機主要用于位置控制。
步進電機的特點是,每施加一次脈沖信號,輸出軸就轉過一個固定的角度。 這種每輸入一次脈沖信號而旋轉的角度稱為“步距角”。例如,如果是步距角為1.8°的步進電機的話,會每200個脈沖旋轉一圈,因此可以按照“施加100個脈沖使其旋轉半圈”、“每秒施加1000個脈沖,使其5轉/秒”等進行控制,可以很靈活地控制其旋轉速度、方向和停止位置等。
由于即使在電機停轉時其保持轉矩也會作用,因此步進電機也被用于需要固定停止位置的應用。
與伺服電機通過安裝在電機外部的伺服機構來實現準確停止位置的方式不同,步進電機通過其內部結構來控制位置,因此具有結構簡單、可靠性高的特點。對于數控機床、3D打印機和機械臂等需要高精度位置控制的應用而言,步進電機已成為不可或缺的部件。
只需施加脈沖即可運行的步進電機,其驅動電路是相對簡單的。但是,如果負載轉矩過大或轉速過快,就會出現失步(發送的脈沖數與旋轉角度不匹配)和噪聲等問題,因此要想使其穩定運轉,還是需要一定的機械設計技巧的。

用來驅動步進電機的驅動器IC。乍一看很復雜,不過其原理只是有刷直流電機的H橋電路的延伸而已。另外,它會處理脈沖信號,因此很容易控制。
優點
? 位置控制容易
? 具有保持轉矩
? 可靠性高
缺點
? 步進式旋轉,所以動作不順暢
? 不適合長時間連續旋轉和高速旋轉
免責聲明:本文為轉載文章,轉載此文目的在于傳遞更多信息,版權歸原作者所有。本文所用視頻、圖片、文字如涉及作品版權問題,請聯系小編進行處理。
推薦閱讀:




