【導讀】碳化硅 (SiC) JFET堅固耐用,具有高能量雪崩和短路耐受額定值,而且值得注意的是,它們在每單位芯片面積的 FOM 導通電阻R DS(on) × A方面擊敗了所有其他技術,實現了價值接近材料的理論極限(圖 1)。這個品質因數直接關系到開關的實際性能及其經濟性,與競爭技術相比,每個晶圓的芯片數量更多,性能相當。
碳化硅 (SiC) JFET堅固耐用,具有高能量雪崩和短路耐受額定值,而且值得注意的是,它們在每單位芯片面積的 FOM 導通電阻R DS(on) × A方面擊敗了所有其他技術,實現了價值接近材料的理論極限(圖 1)。這個品質因數直接關系到開關的實際性能及其經濟性,與競爭技術相比,每個晶圓的芯片數量更多,性能相當。
圖 1: R DS(on) × A的理論極限與開關技術的擊穿電壓
我們還能做得更好嗎?
UnitedSiC (現為 Qorvo)的SiC 共源共柵在許多應用中具有顯著優勢,但它們還能做得更好嗎?該器件包括級聯排列的 SiC JFET 和 Si-MOSFET,以實現常關特性。從細節上看,如圖 2 所示,形成了一個共源共柵,其中 Si-MOSFET 切換 SiC JFET 的源極,因此當 Si-MOSFET 關閉時,JFET 源極浮動為正,從而關閉 JFET。當 MOSFET 導通時,JFET 柵極和源極有效短路,將其導通。
圖 2:SiC FET 的正常共源共柵排列
共源共柵配置通過簡單的柵極驅動使部件易于使用,但降低了可控性。共源共柵開關速度主要由 JFET 柵極漏極電容和從 JFET 柵極到 Si-MOSFET 源極的內部串聯電阻 R G決定。RG _是預定義的值并且不可訪問。Si-MOSFET 柵極對速度的影響有限,因為實際上沒有 JFET 漏源電容,否則會通過其自身的柵極漏極電容將電流反饋回 MOSFET 柵極,從而允許使用 MOSFET 柵極電阻器控制轉換速率。對于硬開關,轉換率控制是通過添加一個外部緩沖器來實現的,這是一個可行的解決方案,幾乎沒有額外的功耗。UnitedSiC 為級聯SiC FET“用戶指南”提供了推薦的緩沖器和柵極電阻器值。
級聯排列的另一個特點是,當串聯的級聯形成橋的支路時,存在顯著的反向恢復效應。這不是來自寄生體二極管,而是由于續流共源共柵的 JFET 在其柵極電容放電時延遲關閉而導致的短時間傳導重疊。結果是反向恢復電荷在很大程度上與溫度和電流無關。該恢復電荷直接影響導通開關損耗。
JFET 本身在某些方面會是一個更好的開關,重要的是:轉換速率的簡單控制、更低的導通電阻和更低的反向恢復電荷。
隔離 SiC JFET 柵極以獲得更大的靈活性
對于較低開關頻率的應用,更好的安排是將 JFET 柵極引出至外部連接,如圖 3 所示。Si-MOSFET 現在可以簡單地視為一個“啟用”,可用于確保關斷啟動時或控制電源異常丟失時的狀態。
圖 3:SiC JFET + Si MOSFET“雙柵極”,UnitedSiC(現為 Qorvo)部件
當直接控制 JFET 柵極時,沒有漏源電容,輸出電容 C OSS實際上是 JFET 柵極漏極電容 C GD,完全由柵極驅動器而不是負載充電。這意味著開關速度可以直接由柵極電阻器控制,并聯得到簡化。外部緩沖器現在是可選的,可節省空間和成本。當用于橋式電路時,恢復電荷效應來自于對續流 JFET的輸出電容 (C GD ) 充電;它的柵極電壓不變。因此,反向恢復效應大大降低,隨之而來的是 E ON的降低. 關斷速度明顯低于傳統的共源共柵,這在電機驅動和 SSCB/SSR 應用中是理想的,但對于 DC/DC 轉換器和其他 SMPS 應用, E OFF損耗可能太大。
第三象限權衡
當電流從源極流向漏極且柵極關閉時,直接驅動的 JFET 在第三象限的功能不同。標準級聯通過 Si-MOSFET 體二極管反向傳導并導致 JFET 通道導通,從而導致低 V SD:硅二極管壓降加上 JFET 導通電阻。對于雙柵極部件,如果柵極導通或 JFET 柵極-漏極電壓超過其閾值電壓,反向電流將流過 JFET。換句話說,在橋電路死區時間內,V SD將包含一個“拐點電壓”,該電壓等于柵極被驅動為比閾值電壓更負的電壓加上 JFET 導通電阻。這可能是幾伏。這種死區功率損耗在 10 至 20 kHz 的電機驅動開關中微不足道,與 SSCB/SSR 應用完全無關。對于更高頻率的 SMPS 應用,需要添加反并聯SiC 二極管。反并聯二極管可以很小,因為它只在死區時間內承載峰值電流。
還有更多的收獲
到目前為止,我們可以直接控制開關速度并大大減少反向恢復電荷,但還有另一個容易實現的優勢。在標準共源共柵中,JFET 通過其柵極被 Si-MOSFET 源極短路而導通。使用雙柵極部件,可以將導通電壓設置為正一點,進一步增強 JFET 通道,從而使 R DS(on)降低約 15% ,更快的導通,并且對關斷沒有影響. 在所有工作溫度下,JFET 柵極-源極 PN 結的“拐點”下方有一個 2 V 正驅動電壓,因此只有很小的柵極電流會流動。該電流大約為幾毫安,因此少數載流子注入可以忽略不計。這是實現傳導損耗顯著降低的簡單方法。
正柵極驅動還有另一個好處:JFET 柵極-源極二極管壓降可用作實時片上溫度測量的溫度敏感參數。例如,-3.22 mV/°C 是UnitedSiC Gen 3 1200 V JFET的線性 V GS溫度系數。因此,可以通過測量導通狀態下的柵極-源極電壓和柵極電流來直接檢測芯片溫度。
一種更簡單的確定管芯溫度的方法是測量 Si-MOSFET 的柵極漏電流。但是請注意,由于部件之間的差異,這需要校準。與 JFET V GS一樣,MOSFET 柵極泄漏(很小)與溫度直接相關。通過將 Si-MOSFET 芯片堆疊在 JFET 芯片的頂部,它可以準確測量 MOSFET 和 JFET 的溫度。Si-MOSFET 通常保持導通狀態,因此使用差分放大器測量其柵極電阻兩端的靜態電壓是感測溫度的一種簡單方法。
實際電路說明了該技術
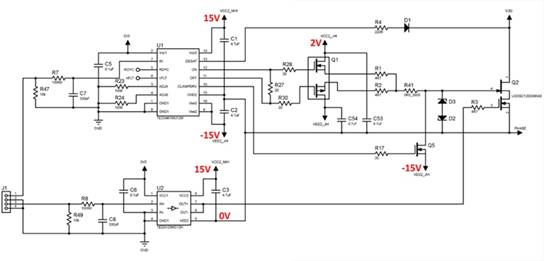
驅動 JFET 的柵極可能看起來不熟悉,關斷狀態需要負電壓,導通狀態需要 ≥ 0 伏,但實際上它與驅動硅或 SiC MOSFET 非常相似,它們通常被驅動為負電壓(圖 4)。
圖 4:直接與標準驅動器和緩沖器連接到級聯 JFET 門
在該電路中,的附加元件是緩沖器 Q1,它將標準驅動器 U1 的導通狀態輸出從例如 +15 V 電平轉換為通過穩壓器提供的 +2 V。Q1 中較低的 MOSFET 是可選的——所示的驅動器 IC 具有可直接使用的斷態輸出,但 U1 中的 MOSFET 提供增加的電流容量,這對于并聯設備可能很有用。雙柵極部分的 Si-MOSFET 由另一個隔離驅動器控制。在直流鏈路通電但驅動器斷電的情況下,齊納二極管 D2 和 D3 確保 JFET 恢復級聯操作并保持關閉狀態。傳統的 DESAT 檢測通常包含在驅動器中,這可以通過原理圖中的 R4 和 D1 使用 JFET 來實現。
免責聲明:本文為轉載文章,轉載此文目的在于傳遞更多信息,版權歸原作者所有。本文所用視頻、圖片、文字如涉及作品版權問題,請聯系小編進行處理。
推薦閱讀:
瑞薩電子將與Fixstars聯合開發工具套件用于優化R-Car SoC




