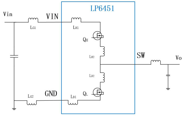
【導讀】LP6451內部集成了兩個MOS管,構成同步Buck電路中所必須的上管和下管,同樣由于PCB上的走線,Die與芯片引腳之間Bonding線都會帶來寄生電感,我們在分析LP6451的MOS管應力時,就需要把這些寄生電感都考慮進來,而圖1就是LP6451功率部分的實際等效電路圖。
前面我們介紹了什么是寄生電感,以及寄生電感對輸入端的影響,本期,我們來聊一下寄生電感對Buck電路中開關管的影響。
寄生電感對開關管的影響
LP6451內部集成了兩個MOS管,構成同步Buck電路中所必須的上管和下管,同樣由于PCB上的走線,Die與芯片引腳之間Bonding線都會帶來寄生電感,我們在分析LP6451的MOS管應力時,就需要把這些寄生電感都考慮進來,而圖1就是LP6451功率部分的實際等效電路圖。
圖1:LP6451實際應用等效圖
其中,QH和QL分別為LP6451內部集成的Buck電路的上管和下管,而LG1和LG2為輸入電容到芯片VIN和GND引腳之間的PCB走線所帶來的寄生電感,LH1和LD1為LP6451的Bonding線帶來的寄生電感,LH2和LD2則分別為上下管到引腳SW的寄生電感。在上下管開關切換的過程中,這些寄生電感所產生的感應電壓都會對LP6451內部的MOS管帶來額外的電壓應力。
比如,當上管QH開始關斷,下管QL開始導通時,流經上管QH的電流IH逐漸減少,流經下管QL的電流IL逐漸增加,此時,在寄生電感LG2和LD1上會產生左高右低的感應電壓,寄生電感LD2上會產生下高上低的感應電壓,如圖7所示。此時,我們使用示波器探頭去測量LP6451的引腳SW的波形,探頭正端接LP6451的引腳SW,地線接輸入電容的地線,就會發現SW的最低電壓會比正常LD2體二極管導通時的電壓-0.7V還要更低。如果將輸入電容更加遠離LP6451,那么寄生電感LG2則會變得更大,產生的感應電壓也就越大,此時測試SW引腳的負壓值就會越大。如圖2所示,實測SW的電壓最低可以達到-4V左右。
圖2:下管開通時刻的感應電壓
同樣,當上管電流減小時,會使得寄生電感LG1和LH1產生左低右高的感應電壓,LH2產生上低下高的感應電壓,這些感應電壓連同輸入電壓Vin會共同加在上管QH的漏極和源極之間,使得上管QH實際承受的電壓要大于Buck電路的輸入電壓。如果這些寄生電感比較大的話,上管QH就會存在擊穿的風險。
(來源:微源半導體)
免責聲明:本文為轉載文章,轉載此文目的在于傳遞更多信息,版權歸原作者所有。本文所用視頻、圖片、文字如涉及作品版權問題,請聯系小編進行處理。
推薦閱讀:
ADI推出長距離單對以太網供電(SPoE)解決方案,助力實現智能樓宇和工廠自動化





