【導讀】本文介紹了一種用于高精度測量應用的低功耗模數轉換器(ADC)解決方案。電氣工程中的一個典型應用是通過傳感器記錄物理量并轉發給微控制器進行進一步處理。需要使用ADC將模擬傳感器輸出信號轉換為數字信號。在高精度應用中,使用SAR-ADC或Σ-Δ ADC。在低功耗應用中,節省的每一毫瓦都算數。
本文介紹了一種用于高精度測量應用的低功耗模數轉換器(ADC)解決方案。電氣工程中的一個典型應用是通過傳感器記錄物理量并轉發給微控制器進行進一步處理。需要使用ADC將模擬傳感器輸出信號轉換為數字信號。在高精度應用中,使用SAR-ADC或Σ-Δ ADC。在低功耗應用中,節省的每一毫瓦都算數。
使用Σ-Δ ADC進行信號轉換
與SAR-ADC相比,Σ-Δ ADC有一些優勢。首先,它們通常具有更高的分辨率。此外,它們通常與可編程增益放大器(PGA)和通用輸入/輸出(GPIO)集成。因此,Σ-Δ ADC非常適合直流和低頻高精度信號調理和測量應用。但是,由于固定過采樣速率較高,Σ-Δ ADC通常功耗更高,在電池供電的應用中,會導致使用壽命縮短。
如果輸入電壓很小(即在毫伏范圍內),則必須先放大輸入電壓,以便ADC更輕松地進行管理。需要使用PGA模擬前端(AFE)連接小于10 mV輸出的電壓。例如,為了將橋式電路的小電壓連接到具有2.5 V輸入范圍的Σ-Δ ADC,PGA必須具有250的增益。但是,由于噪聲電壓也被放大,這會導致ADC輸入端的噪聲變大。24位Σ-Δ ADC的有效分辨率因此被大幅降低到12位。不過,在某些情況下,無需使用ADC中的所有碼值,有時進一步放大也無法再改善動態范圍。Σ-Δ ADC的另一個缺點是,由于其內部復雜性,通常成本較高。
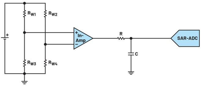
將SAR-ADC與儀表放大器相結合的好處
一種同樣準確但更經濟和更高效的替代方案是將SAR-ADC與儀表放大器相結合,如圖1所示。
圖1. 顯示簡化橋式測量電路與儀表放大器和SAR-ADC相結合的示意圖。
SAR-ADC的功能可分為兩個階段:數據采集階段和轉換階段。基本上,在數據采集階段,電流消耗很低。大多數SAR-ADC甚至會在轉換間隙斷電。轉換階段汲取的電流最多。功耗取決于轉換率,并與采樣速率成線性比例關系。對于針對慢速響應測量(即測量的量變化緩慢的測量,例如溫度測量)的節能應用,應使用低轉換率來保持電流汲取,從而降低損耗。圖2顯示了 AD4003 在不同采樣速率下的功率損耗。在1 kSPS時,功率損耗約為10 μW;在1 MSPS時,已增加至10 mW。
圖2. AD4003中的功率損耗作為采樣速率的一個函數。
與這種慢速測量相比,Σ-Δ ADC具有過采樣的優勢,同時使用比輸出速率高得多的內部振蕩器頻率。這使設計者能夠將采樣優化為速度較快、噪聲性能較差;或者速度較低,而濾波、噪聲整形(將噪聲移至感興趣測量區域之外的頻帶)及噪聲性能較好。不過,這意味著與SAR-ADC相比,Σ-Δ ADC的功耗要高得多。許多Σ-Δ ADC的有效分辨率和無噪聲分辨率均在其數據手冊中有所提及,因此很容易比較權衡。
結論
Σ-Δ ADC與PGA的組合以及SAR-ADC與儀表放大器的組合都適用于高精度測量應用中的信號轉換。這兩種解決方案的準確性差不多。不過,對于節能或電池供電的測量應用,SAR-ADC與儀表放大器的組合更好,與由PGA和Σ-Δ ADC組成的解決方案相比,其功耗和成本更低。此外,具有高增益的PGA通常會限制性能,因為噪聲也會被放大。本文僅介紹了一種適用于SAR-ADC的可行解決方案。還有更多的集成解決方案,例如 AD7124-4/AD7124-8 等集成PGA的Σ-? ADC。
(來源:亞德諾半導體)
免責聲明:本文為轉載文章,轉載此文目的在于傳遞更多信息,版權歸原作者所有。本文所用視頻、圖片、文字如涉及作品版權問題,請聯系小編進行處理。
推薦閱讀:





