【導讀】伺服是按控制命令的要求,對功率進行放大、變換以及調控等處理,使驅動裝置輸出的力矩、速度和位置能被控制得非常靈活、方便。
伺服驅動功能框圖
伺服是按控制命令的要求,對功率進行放大、變換以及調控等處理,使驅動裝置輸出的力矩、速度和位置能被控制得非常靈活、方便。
目前市場上伺服驅動的功能需求一般如下:
1.通用伺服驅動為 ARM + FPGA 架構, MCU 與 FPGA 通過并口通信;
2.電流環,脈沖分頻輸出由 FPGA 處理,電流環頻率一般為 8K / 16K;
3.MCU 處理速度環與位置環,并做 RC 濾波,同時與系統周邊進行數據通信;
4.一般為單電阻相電流采樣,會外掛 16bit 帶 ΣΔ 的 AD 模塊。


伺服驅動器大體可以劃分為功能比較獨立的功率板(強電部分)和控制板(弱電部分)兩個模塊。
控制板是電機的控制核心,也是伺服驅動器的技術核心控制算法的載體。控制板通過相應的算法輸出 PWM 信號,作為功率板的驅動信號,來改變逆變器的輸出功率,以達到控制三項永磁同步電機的目的。目前主流的伺服驅動器一般采用 ARM + FPGA 架構,其優點是可擴展性強,同時可以實現比較復雜的控制算法。
以上我們發現伺服驅動對 MCU 的性能要求比較高,還需求 MCU 有豐富的外設用來做數據交互。那么對于信號接口的保護就十分重要。

針對靜電放電、浪涌、脈沖等對信號接口可能造成的傷害,雷卯推出了相應的保護方案
1.RS485 浪涌濾波保護方案
方案優點:采用多路集成器件保護,可以保證信號完整性的同時,可濾除雜訊, 通過靜電測試。
滿足:滿足IEC61000-4-2,ISO10605-2 等級4,接觸放電30kV,空氣放電30kV。


2.CAN靜電濾波保護方案
方案優點:采用多路集成器件保護,電容<50PF,可以保證信號完整性的同時,可濾除雜 訊、通過靜電測試。
滿足: IEC61000-4-2,等級4,接觸放電30kV,空氣放電30kV。 SMC24 通過汽車級AEC-Q101認證。

3.100M網口防雷保護方案
方案優點:用于室外的100M網口浪涌保護,本方案采用二級防護,可靠工作,保證信號高溫完整性,滿足IEC61000-4-2,等級4,接觸放電30kV,空氣放電30kV。
IEC61000-4-5 10/700μs,40Ω,6kV,±5次,千兆網口拓展4個端口即可。


4. I²C接口隔離與靜電保護方案


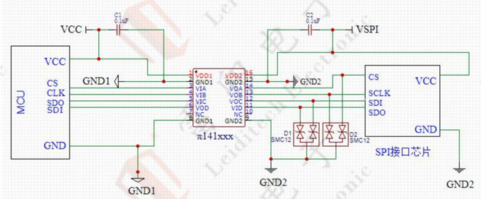
5.SPI接口隔離與靜電保護方案


6.GPIO靜電保護方案
方案優點:可以采用普通低電容集成器件防靜電,
滿足IEC61000-4-2,等級4,接觸放電8kV,空氣放電15kV。 單路的0402封裝器件可選。


7.USB2.0靜電保護方案
方案優點:USB2.0提供500Mbps的傳輸速度,本方案采用單顆器件防護,節約空間, 保證信號完整性,滿足IEC61000-4-2,等級4,接觸放電8kV,空氣放電15kV
如對Vbus有過流要求,需配PTC保護。


8. 電源浪涌防雷保護方案
該方案特點是可以保護到4KV的浪涌,殘壓水平經測試在40V左右,后端LDO的耐壓水平需要比較大的余量。
防雷保護講究分層分級,雷擊浪涌一層一層分解,降低到最后的TVS身上,就可以安排保護IC了。
GDT 用于防大浪涌,大雷擊,因為屬于開關型保護器件,測試過程中會有續流,所以需要用MOV壓敏來阻斷需求。
GDT陶瓷放電管防雷速度比較慢,殘壓很高100V 以上,所以需要用TVS繼續降壓。
但TVS的反應速度很快,如果和GDT并聯放置,會導致TVS直接燒毀,所以在TVS之前需要設置退藕電路。電感和PTC是很好的選擇。這就是這個電路為啥這么復雜的原因。

雷卯電子供應超小型貼片整流橋IBS封裝。


免責聲明:本文為轉載文章,轉載此文目的在于傳遞更多信息,版權歸原作者所有。本文所用視頻、圖片、文字如涉及作品版權問題,請聯系小編進行處理。
推薦閱讀:





