【導讀】半橋逆變電路是電子鎮流器和電子節能燈中最常用也是最基本的電路,正確地理解它的工作原理,將有助于我們合理地選擇元器件如磁環變壓器、扼流電感、啟動電容等元件的參數,正確地安排三極管的驅動電路,以降低它的功耗與熱量,提高整燈的可靠性。
半橋逆變電路是電子鎮流器和電子節能燈中最常用也是最基本的電路,正確地理解它的工作原理,將有助于我們合理地選擇元器件如磁環變壓器、扼流電感、啟動電容等元件的參數,正確地安排三極管的驅動電路,以降低它的功耗與熱量,提高整燈的可靠性。遺憾地是過去受觀測儀器(如示波器)和測試手段的局限,我們無法觀測到電路中關鍵點如三極管各個電極電流的正確波形(如文獻4的電流iB、ic的起始波形就是錯誤的),因而無法作出符合實際情況的定量分析和判斷,以至形成一些錯誤的概念。最近看到深愛公司葉文浩先生發表在中國照明電器(刊載于04年11、12期)的文章,受到不少啟發,到歐普照明公司后,利用比較先進的示波器TDS5000,對電路關鍵點的電流和電壓波形,進行了仔細的測試,感到認識上有所提高,澄清了過去不少胡塗概念,特撰寫本文,拋磚引玉,與葉先生商榷,并就教于國內方家。
半橋逆變電路的工原理,盡管這個電路是眾所周知的,但人們對它的理解卻并不十分正確,存在一些錯誤觀念。
半橋逆變電路工作原理如圖1

工作原理:
①tl時間:開關K1導通,K2截止,電流方向如圖中①,電源給主變T供電,并給電容C2充電。
②t2時間:開關K1、K2都截止,負截無電流通過(死區)。
③t3時間:開關K1截止,K2導通,電容C2向負載放電。
④t4時間:開關K1、K2均截止,又形成死區。如此反復在負載上就得到了如圖2的電流,實現了逆變的目的。
IGBT焊機的工作原理
①電源供給:
和場效應管作逆變開關的焊機一樣,焊機電源由市電供給,經整流、濾波后供給逆變器。
②逆變:
由于IGBT的工作電流大,可采用半橋逆變的形式,以IGBT作為開關,其開通與關閉由驅動信號控制。
③驅動信號的產生:
驅動信號仍然采用處理脈寬調制器輸出信號的形式。使得兩路驅動信號的相位錯開(有死區),以防止兩個開關管同時導通而產生過大電流損壞開關管。驅動信號的中點同樣下沉一定幅度,以防干擾使開關管誤導通。
④保護電路:
IGBT焊機也設置了過流、過壓、過熱保護等,有些機型也有截流,以保證焊機及人身安全,其工作原理與場效應管焊機相似。
逆變與整流是兩個相反的概念,整流是把交流電變換為直流電的過程,而逆變則使把直流電改變為交流電的過程,采用逆變技術的弧焊電源稱為逆變焊機。逆變過程需要大功率電子開關器件,采用絕緣柵雙極晶體管IGBT作為開關器件的逆變焊機成為IGBT逆變焊機。
逆變焊機的工作過程如下:將三相或單相工頻交流電整流,經濾波后得到一個較平滑的直流電,由IGBT組成的逆變電路將該直流電變為幾十KHZ的交流電,經主變壓器降壓后,再經整流濾波獲得平穩的直流輸出焊接電流。
逆變電焊機優點:由于逆變工作頻率很高,所以主變壓器的鐵心截面積和線圈匝數大大減少,因此,逆變焊機可以在很大程度上節省金屬材料,減少外形尺寸及重量,大大減少電能損耗,更重要的是,逆變焊機能夠在微妙級的時間內對輸出電流進行調整,所以就能實現焊接過程所要求的理想控制過程,獲得滿意的焊接效果。
半橋逆變電路的工作原理
1、半橋逆變電路的等效電路:

2、半橋逆變電路的工作原理:上圖中,A、B分別為兩個半橋中點,uAB是它們之間的電壓,R是等效電阻,L為扼流電感,LC構成串聯諧振電路,將uAB的方波輸入轉變為C兩端的近似正弦波,完成了逆變過程。
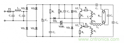
3、典型電子日光燈電路中的應用:

圖中L2、C6、RLA,就是半橋逆變電路,燈管等效電阻是由燈管電壓和燈管電流決定。
左側電路將直流電轉換成方波(為了順利起振和持續振蕩,電路比較復雜),由高頻變壓器提供半橋中點,由C7、C8組成無源半橋中點,實現了由直流到交流的逆變。



