【導讀】紋波噪聲是衡量電源的一個重要指標,一個好的電源必須要把輸出紋波噪聲控制在一個合理的范圍內。但一般有哪些行之有效的降低紋波噪聲的對策呢?下面我們拋磚引玉,簡單討論常用的八個方法。
1、電源PCB走線和布局
反饋線路應避開磁性元件、開關管及功率二極管。
輸出濾波電容放置及走線對紋波噪聲至關重要,如圖1所示,傳統設計中由于到達每個電容的阻抗不一樣,所以高頻電流在三個電容中分配不均勻,改進設計中可以看出每個回路長度相當即高頻電流會均勻分配到每個電容中。

圖1
如果PCB是多層板,可以選擇和主電流回路層最近一層覆地,覆地可以有效的解決噪聲問題,注意,盡量保證覆地的完整性。
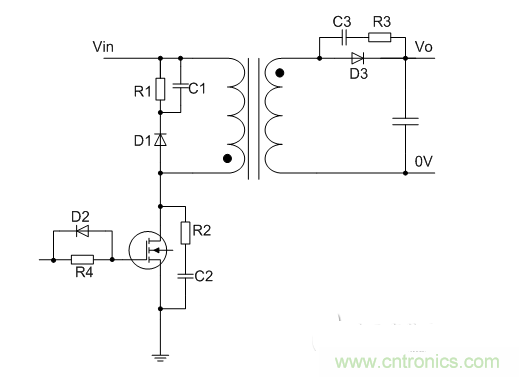
2、場效應管D級與輸入正之間加RCD
一般選擇場效應管的反向恢復時間要比二極管D1慢2~3倍,以避免形成直通電流,此電流會產生很強的磁場,可增大輸出噪聲干擾,所以可人為的通過柵極電阻R4來減慢開關管的開關速度。為了不影響關斷速度可以在柵極電阻并聯一個二極管D2如圖2所示。

圖2
3、場效應管DS端并聯RC
可以在場效應管DS兩端并聯一個RC電路也可以有效的降低噪聲干擾如圖2所示,電容C2一般在100P左右,電容值過大會導致場效應管的開關損耗加大,電阻R2一般選取小于10Ω電阻。
4、輸出二極管兩端并聯RC
二極管在高速導通和關斷時,反向恢復期間,二極管的寄生電感和電容會產生高頻振蕩,為了抑制高頻振蕩可在二極管兩端加RC緩沖電路如圖2所示,電阻R3一般在1Ω~100Ω,電容C3一般在100pF~1nF,如果電源工作頻率較低,效率滿足要求的話,二極管D3可以選擇反向恢復時間較慢的二極管。
5、輸出加二級LC濾波
LC對噪聲和紋波抑制效果比較明顯,根據紋波頻率選擇合適電感電容值,但由于柱形電感價格低體積小的優點,所以一般LC中電感大都會選擇柱形電感,然而柱形電感是開放式磁結構,對周圍會產生較嚴重磁干擾,我們可以采用兩個電感并排放置,且電流流入方向相反,即有助于引導磁通從一個磁柱到另一個磁柱,從而可以降低電磁干擾,如圖3所示。

圖3
6、變壓器初次級之間加法拉第屏蔽層
變壓器的繞組通過高頻電流時,變壓器將變成有效的磁場天線,變壓器繞組又承受跳躍電壓,即變壓器也變成了電場天線,在初次級之間加法拉第屏蔽層可收集隔離邊界處的噪聲電流,并予以轉移到原邊地,但銅箔應為非常薄的銅箔帶,盡量避免渦流損耗并減小漏感,注意,銅屏蔽層末端不應有電連接,否則會形成磁短路。
7、降低變壓器漏感
采用三明治繞法可使初次級繞組耦合更加緊密,使漏感得以減小,從而到達減小噪聲的目的。
8、變壓器輸出繞組并聯的合理設計
當電源輸出電流較大時,通常我們會采用兩個繞組并聯的方式進行使用,這兩個繞組通常分置于原邊繞組內外,所以直流阻抗會略有差異,從而有可能產生內部環流,電壓波形也會出現嚴重的振鈴,并且電磁干擾會變的更加嚴重,以及有可能會出現意外的大量發熱,如果輸出繞組一定需要并聯使用,最好采用如圖4的推薦電路,圖4推薦電路中二極管可以消除兩個不同繞組的不均勻導致的負面影響。

圖4
小結:
在設計電源時,有上述八種方式可降低輸出的紋波噪聲,如果選用成品電源,不管是模塊電源、普通開關電源、電源適配器等,這部分的工作一般都由電源設計廠家完成,客戶只需關注規格書寫明的輸出紋波噪聲即可。如ZLG的模塊電源,會標出典型的紋波噪聲值,如E_FLS-1W系列,典型值為60mV VP-P。




