【導讀】這里小編教你設計一種獨特的交流電壓表,盡管該電壓表都是由標準元件組成的,其特點卻是不同于普通的商業電壓表,最大的不同在于整流方式的不同。到底是如何設計的呢?
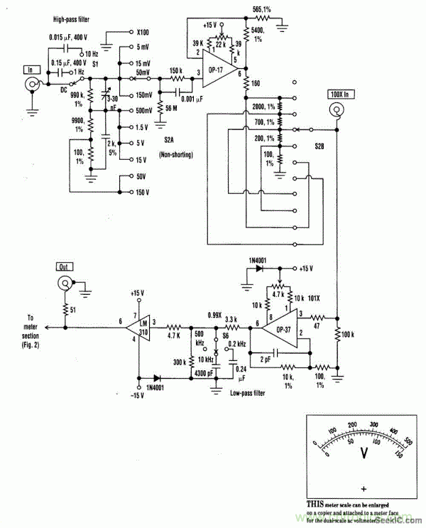
盡管該電壓表都是由標準元件組成的,其特點卻是不同于普通的商業電壓表,最大的不同在于整流方式的不同。電壓表響應包括真實有效值,平均值,RMS校準平均響應,正峰值,負峰值,正峰值保持和負峰值保持。

發布時間:2014-10-14 責任編輯:sherryyu

我愛方案網 ICGOO元器件商城 創芯在線檢測 芯片查詢 天天IC網 電子產品世界 無線通信模塊 控制工程網 電子開發網 電子技術應用 與非網 世紀電源網 21ic電子技術資料下載 電源網 電子發燒友網 中電網 中國工業電器網 連接器 礦山設備網 工博士 智慧農業 工業路由器 天工網 乾坤芯 電子元器件采購網 亞馬遜KOL 聚合物鋰電池 工業自動化設備 企業查詢 工業路由器 元器件商城 連接器 USB中文網 今日招標網 塑料機械網 農業機械 中國IT產經新聞網 高低溫試驗箱
關閉
關閉