【導讀】水泥電阻具有耐震、耐濕、耐熱及良好散熱的特性,并且其低價格,完全絕緣,因此廣泛適用于印刷電路板。那么關于水泥電阻你又了解多少呢?請看本文。
陶瓷絕緣功率型線繞電阻,常被人稱作水泥電阻。它廣泛應用于計算機,電視機,儀器,儀表,音響之中。
水泥電阻器采用電阻絲繞制,一般功率大,外形尺寸也較大。因此,從它的外形結合功率及型號可以很容易判別出來。功率上它分為
2W,3W,5W,7W,8W,10W,15W,30W,20W,40W等規格。常見型號為RX27-1型,RX27-3型(3A,3B,3C),RX27-4(4V,4H)型,其外形如圖1-1型。


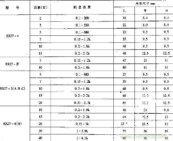
水泥電阻的阻值范圍表:
水泥電阻采用工業高頻電子陶瓷外殼,散熱好,具有優良的絕緣性能,其絕緣電阻可達100MR,同時具有優良的阻燃,防爆性。電阻絲選用康銅,錳銅,鎳鉻等合金材料,有較好穩定性和過負載能力。電阻絲同焊腳引線之間,采用壓接方式。在負載短路的情況下,可迅速在壓接處熔斷,對電路有保護功能。
水泥電阻具有多種外形和安裝方式,可以直接安裝在印制線路板上,也可以利用金屬支架獨立安裝焊接。
在選用水泥電阻時,如在常溫下工作,功率大小可用下式來決定:UXI=P;如在特殊環境下工作,電阻功率小應根據圖所示曲線來和選擇。倘若電阻功率較大或散熱條件較差,宜選用引腳長的水泥電阻;也可利用金屬支架把水泥電阻固定在合適的位置上,另用導線把水泥電阻連接到電路中。
相關閱讀:
詳解水泥電阻的發熱情況
經典資料!PTC熱敏電阻基礎知識大百科!
網友熱心分享:使用壓敏電阻的方法



