- 電信設備電源熱插拔和上電順序控制
- 限制輸入電流小于預設值,避免瞬態大電流沖擊
- 瞬態電流則始終被控制在門限值以內
對于正在運行的電信設備或數據通信設備,在做電路板維護和升級、需要更換電路板時,都不能將整個系統斷電,以保證通信或系統工作的連續性。這樣就要求在背板帶電的情況下進行電路板插拔,也就是熱插拔,相應地帶來了一些新的問題和設計要求。在電路板插入帶電背板時,電路板電源輸入濾波電容處于低阻狀態。從背板流向電路板的瞬態沖擊電流可能燒壞插座或板上器件,也可能瞬時拉低背板電源電壓,引起系統掉電復位。因此需要特別設計熱插拔控制電路以解決這些問題。

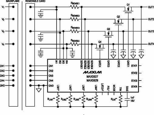
Maxim公司推出了一系列電源熱插拔控制器,適應于各種背板電源的要求。MAX5927/5929是針對低壓電源系統的+1V到13.2V的四通道熱插拔控制器。在電路板熱插拔時,MAX5927/5929控制輸出電壓緩慢升高,同時限制輸入電流小于預設值,避免瞬態大電流沖擊,保證了系統的安全性和穩定性。圖1是典型應用電路圖,圖2是熱插拔時的啟動電壓、電流波形。可以看出,MOSFET的柵極電壓受MAX5927/5929的控制,按照固定斜率上升,逐漸打開MOSFET,輸出到電路板的電壓也基本同步地按斜率上升,瞬態電流則始終被控制在門限值以內,避免了大的沖擊電流的出現。啟動時間和電流限值都可以簡單地通過一個外部電阻來設定,為設計工程師提供了極大的靈活性。

正常啟動之后,MAX5927/929對系統和電路板電源繼續提供故障保護功能。通過采用雙速率/雙電平比較器,既可以在發生短路或嚴重過流故障時及時關斷MOSFET,提供保護功能,又可以避免對噪聲和負載瞬態變化的誤動作。
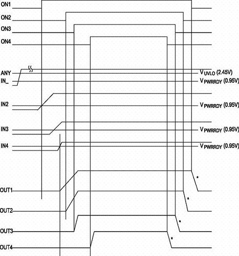
在低電壓、多電源系統中,一般會有上電順序的要求,MAX5927/5929提供三種工作模式,包括電壓跟隨模式、順序上電模式和獨立模式,來滿足設計者的需要。在符合啟動條件,無系統/電路板故障情況下,電壓跟隨模式保證所有四路通道在熱插拔時,同時上電,如果有任何故障發生,不論是哪一個通道,所有通道同時斷電。圖3是電壓跟隨模式的時序圖,可以看到所有四路電壓同步跟隨上升。

順序上電模式則根據設計者的要求,順序打開/關閉每一個通道。如果出現故障情況,則所有通道會被同時關閉,圖4是順序上電模式時序圖。

在獨立控制模式下,所有通道完全獨立控制。當某一通道出現故障時,只有這一路電源才會進入保護狀態。




