中心論題:
- 分析鋰離子電池保護電路熔斷器實現電路
- 闡述此電路在正常工作狀態、過充電保護、過放電保護、過電流保護及短路保護的工作原理
解決方案:
- 保護回路由兩個MOSFET、一個控制IC外加一些阻容元件構成
- 過充電檢測電壓時C0腳由高電壓轉為低電壓起到過充電保護
- 過放電檢測電壓時D0腳由高電壓轉為低電壓起到過放電保護
- 電流猛增D0腳迅速由高電壓轉為低電壓起到過流保護
- 電流繼續增大則熔斷器起到過流時的二級保護,避免IC及MOSFET的永久性損壞
引言
---鋰離子充電電池使用過程中,過充電、過放電和過電流都將會影響電池使用壽命和性能及安全,充電電池中熔斷器作為二級過流保護配合IC控制環路有效監測并防止對電池產生損害。
---近年來隨著移動電器的小型化及普及,而鋰離子充電電池具有小型、重量輕、輸出電壓高、放電電壓穩定、儲存時間長等優點,使得電器配套的鋰離子充電電池用量猛增。
---鋰離子充電電池是鋰電池中的一種(即可充電的二次電池),在電池中放置保護線路,可有效的保護電池在過充、過放及過流或使用不當而損壞。熔斷器作為過流保護器件,可保護鋰離子充電電池在充電或放電過程中的大電流及短路而造成電池損害。
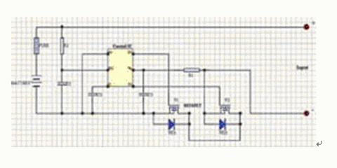
---這里以圖1(典型鋰離子充電電池保護電路圖)為例來說明電池保護電路及工作原理:

---此保護回路由兩個MOSFET和一個控制IC外加一些阻容元件構成。控制IC負責監測電池電壓,并控制兩個MOSFET的柵極,MOSFET在電路中起開關作用,分別控制著充電回路與放電回路的導通與關斷,fuse為熔斷器起二級保護,C2為延時電容,該電路具有過充電保護、過放電保護、過電流保護與短路保護等功能。
正常工作狀態
---在正常充、放電時,電路中控制IC的C0與D0腳高電平,V1、V2都導通。充電電流從Input+流入,經熔斷器向電池充電,經V1、V2后由Input-流出。正常放電時,電流經Input-及V2、V1流向電池負極,其電流方向與充電電流方向相反。由于V1、V2的導通電阻Rds(ON)極小,此狀態下的消耗電流為μA級因此損耗很小。
過充電保護
---電池在被充電初期為恒流充電,隨著充電時間的延長,電池電壓亦會上升,在此過程中當IC檢測到電池電壓達到過充電檢測電壓(該數值由控制IC決定)時,則C0腳由高電壓轉為低電壓,使控制充電的MOSFET柵極為關斷狀態,即V2由導通轉為關斷從而切斷充電回路,使充電器無法對電池進行充電起到保護作用。過充電檢測對應于脈沖充電及由于噪聲而產生的誤動作,需要設定延遲時間,延遲時間由C2決定,一般設為1s左右。
過放電保護
---過放電保護是在電池電壓變低時停止對負載放電。當電池對負載放電時,其電壓亦隨放電過程而逐漸降低,當電池電壓降至過放檢測電壓以下時,其容量已經完全放光,如果電池繼續放電,則會造成電池的永久性損壞。所以當控制IC檢測到電池電壓低于過放點檢測電壓時,其D0腳由高電壓轉為低電壓,使V1由導通轉為關斷從而切斷放電回路,則電池無法繼續放電起到保護作用。由于在過放檢測電壓以下時電池電壓不能再降低,因此必須要求控制IC消耗電流極小。過放電檢測對應于脈沖充電及由于噪聲而產生的誤動作,需要設定的延遲時間一般為100ms左右。
過電流保護及短路保護
---過電流保護是在消耗大電流時停止對負載的放電,此功能的目的在于保護電池及MOSFET,確保電池在工作狀態下的安全性。在正常放電過程時,電流經過兩個MOSFET因為導通阻抗會在其兩端產生壓降,此電壓值U=I*[R1ds+R2ds],其中把導通的V1、V2看作電阻,即R1ds和R2ds,此時若負載因某種原因導致異常使回路電流增大,當電流猛增使得電壓亦增加到控制IC決定的電壓值時,控制IC的D0腳迅速由高電壓轉為低電壓使V1關斷從而切斷放電回路,回路電流變為零。需要設定的延遲時間一般為13ms左右。當電壓增加到控制IC決定的電壓值時(此時IC判斷為負載短路),V1會由導通轉為關斷,其工作原理與過流保護類似。短路保護的延遲時間一般小于7μs,如果出現意外時電流繼續增大,則熔斷器會起到過流時的二級保護,避免對電路中控制IC及MOSFET的永久性損壞。
---以上詳細闡述了鋰離子充電電池保護電路的工作原理,除了控制IC和MOSFET外,電路中還有一個重要元件,就是熔斷器,它在電路中起著二級過流保護作用,由于它的電阻很小在電路中消耗的能量可以忽略不計,所以這已經成為很多電池廠商考慮將PTC聚合物(內阻過大)替換為新型疊層多元陶瓷片式熔斷器的主要原因。





