【導讀】在開關模式電源中使用GaN開關是一種相對較新的技術。這種技術有望提供更高效率、更高功率密度的電源。本文討論了該技術的準備情況,提到了所面臨的挑戰,并展望了GaN作為硅的替代方案在開關模式電源中的未來前景。如今,電源管理設計工程師常常會問道:現在應該從硅基功率開關轉向GaN開關了嗎?
在開關模式電源中使用GaN開關是一種相對較新的技術。這種技術有望提供更高效率、更高功率密度的電源。本文討論了該技術的準備情況,提到了所面臨的挑戰,并展望了GaN作為硅的替代方案在開關模式電源中的未來前景。如今,電源管理設計工程師常常會問道:現在應該從硅基功率開關轉向GaN開關了嗎?
氮化鎵(GaN)技術相比傳統硅基MOSFET有許多優勢。GaN是寬帶隙半導體,可以讓功率開關在高溫下工作并實現高功率密度。這種材料的擊穿電壓較高,可適用于100 V以上的應用。而對于100 V以下的各種電源設計,GaN的高功率密度和快速開關特性也能帶來諸多優勢,比如進一步提高功率轉換效率等。
挑戰
用GaN器件替代硅基MOSFET時,肯定會遇到一些挑戰。首先,GaN開關的柵極電壓額定值通常較低,所以必須嚴格限制驅動器級的最大電壓,以免損壞GaN器件。
其次,必須關注電源開關節點處的快速電壓變化(dv/dt),這有可能導致底部開關誤導通。為了解決此問題,需布置單獨的上拉和下拉引腳,并精心設計印刷電路板布局。
最后,GaN FET在死區時間的導通損耗較高,所以需要盡可能縮短死區時間,與此同時,還必須注意高端和低端開關的導通時間不能重疊,以避免接地短路。
如何入門
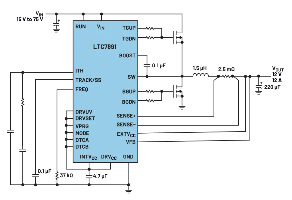
GaN在電源設計領域有著廣闊的發展前景,但如何開始相關設計,是許多企業的煩惱。比較簡單的方法是選用相關的開關模式電源控制器IC,例如ADI公司的單相降壓GaN控制器 LTC7891。選擇專用GaN控制器可以簡化GaN電源設計,增強其穩健性。前面提到的所有挑戰都可以通過GaN控制器來解決。如圖1所示,采用GaN FET和LTC7891等專用GaN控制器,將大大簡化降壓電源設計。

圖1. 專用GaN控制器有助于實現穩健且密集的電源電路
使用任意控制器IC
使用任意控制器IC 若希望通過改造現有的電源及其控制器IC來控制基于GaN的電源,那么GaN驅動器將會很有幫助,可負責解決GaN帶來的挑戰,實現簡單而穩健的設計。圖2為采用 LT8418驅動器IC實現的降壓穩壓器功率級。

圖2. 專用GaN驅動器根據來自傳統硅基MOSFET控制器的邏輯PWM信號控制功率級
邁出第一步
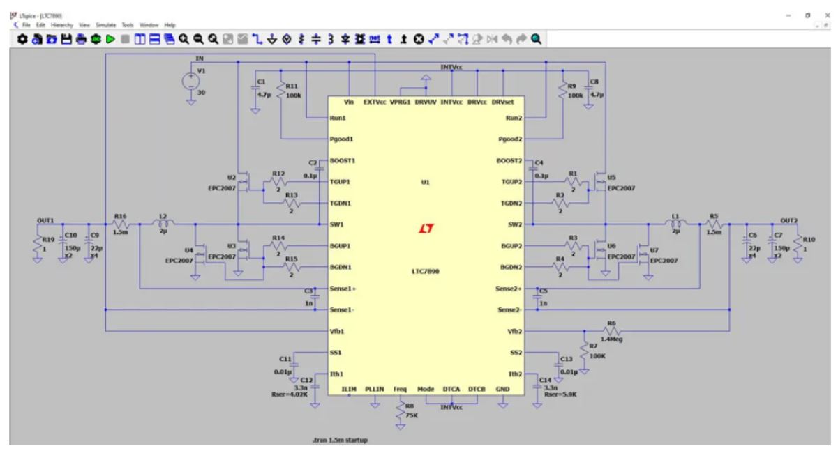
選定合適的硬件、控制器IC和GaN開關之后,可通過詳細的電路仿真來快速獲得初步評估結果。ADI公司的 LTspice? 提供完整的電路模型,可免費用于仿真。這是學習使用GaN開關的一種便捷方法。圖3為LTC7890(LTC7891的雙通道版本)的仿真原理圖。

圖3. LTspice,一款實用的GaN電源仿真工具
結論
GaN技術在開關模式電源領域已經取得了許多成果,可用于許多電源應用。未來,GaN開關技術仍將持續迭代更新,進一步探索應用前景。ADI現有的GaN開關模式電源控制器和驅動器靈活且可靠,能夠兼容當前及今后由不同供應商研發的GaN FET。
文章來源:亞德諾半導體
免責聲明:本文為轉載文章,轉載此文目的在于傳遞更多信息,版權歸原作者所有。本文所用視頻、圖片、文字如涉及作品版權問題,請聯系小編進行處理。
推薦閱讀:





