【導讀】光伏,作為重點發展的新質生產力,其市場規模仍在迅速發展擴大中,其技術迭代也在不斷演進升級。英飛凌作為半導體技術和市場應用的領軍企業,發布了一系列具有差異化附加價值的創新半導體,并同時推出了一款適用于光伏應用的半橋拓撲評估板,為工程師分享了系統設計的參考方案,并提供了器件性能的評估平臺。
光伏,作為重點發展的新質生產力,其市場規模仍在迅速發展擴大中,其技術迭代也在不斷演進升級。英飛凌作為半導體技術和市場應用的領軍企業,發布了一系列具有差異化附加價值的創新半導體,并同時推出了一款適用于光伏應用的半橋拓撲評估板,為工程師分享了系統設計的參考方案,并提供了器件性能的評估平臺。
光伏電壓平臺的高壓化,可以降低系統成本,提高能量轉換效率,簡化研發設計方案,是光伏應用公認的發展趨勢之一。為了實現高壓平臺化,離不開光伏板,功率器件,無源器件,結構件等的技術發展。我們就功率半導體的發展,來看看對于光伏高壓平臺的影響。
圖1. 光伏不同電壓平臺對應的拓撲和器件
如圖所示,對于更高平臺的電壓,可以減小母線電流大小,從而降低走線的尺寸,從而減少成本,同時,電感,二極管和開關管等器件上流過的電流也會減小,從而降低的器件的成本和系統的損耗。使用2000V SiC MOSFET后可以簡化電路拓撲,降低系統尺寸和重量。
功率器件介紹
圖2. 2000V SiC MOSFET和X3門極驅動器及其絕緣距離
采用英飛凌TO-247PLUS-4pin封裝的2000V SiC MOSFET,新的封裝可以滿足I.S.EN62109-1-2010《用于光伏電力系統的電力轉換器的安全性- 第1部分:一般要求》的安規要求,背部可以實現三次260°C回流焊,門極開爾文引腳可以降低回路中的寄生電感,從而降低開關中的震蕩尖峰,另外,使用了.XT擴散焊接技術后,也大大降低了器件的熱阻,整個系列涵蓋了各種不同導通電阻的器件可供選擇,如15mΩ,30mΩ,60mΩ,90mΩ和120mΩ等。
另外,采用了英飛凌EiceDRIVER? Compact 14A單通道磁隔離門極驅動器1ED3124MU12H, 該器件DSO-8寬體封裝可以實現>8mm的爬電距離要求,滿足UL1577-2014光隔離器的UL安全標準認證,可以實現6.8kV耐壓要求,非常適用于IGBT和SiC MOSFET的門極驅動。
安規絕緣要求
根據I.S.EN62109-1-2010標準要求,我們設定光伏電壓1500V,海拔2000米以下,過電壓等級為II,如圖3所示,通過查表9可以得到基本絕緣的電氣間隙要求是5.5mm。
圖3. 電氣間隙距離要求
同理,設定工作有效值電壓1500V,污染等級2,材料等級II的情況下,通過查表10通過插值法可得爬電距離要求為10.43mm。
圖4. 爬電距離要求
基于以上分析,設計了一款適用于光伏MPPT應用的評估板,功能邏輯框圖和3D設計圖如圖5所示。
圖5. 評估板邏輯框圖和3D設計圖
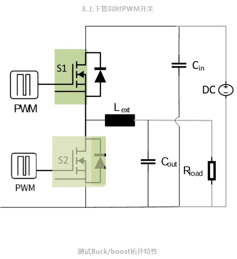
該評估板使用的半橋拓撲,在GUI上可以十分方便靈活的設置開關使能,PWM頻率,占空比和死區時間大小,來分別單獨開關上管或者下管,可以實現如下的幾種不同的功能。
圖6. 評估板不同應用組合拓撲電路
因為SiC MOSFET的高速開關特性,在PCB設計中,需要格外注意SiC MOSFET的門極驅動回路和功率回路,盡量減小開關回路中寄生的電感,電容和電阻,來保證系統運行中盡量低的噪音。
圖7. 門極驅動開通和斷開回路
測試波形
為了驗證評估板的特性,做了一下雙脈沖測試,雙脈沖可以用來來驗證器件的開關特性,模擬調試一下開關震蕩(選擇驅動電阻大小,吸收電路,開關環路等)。測試條件是平臺電壓1500V,雙脈沖電流50A。
黃色為VGS,藍色為VDS,綠色為IDS。
圖8. 使用鐵硅鋁繞線電感和使用空心電感對比波形
使用了外接的空心電感,電感量值不會隨著電流大小和溫度而變化。使用了多股線繞制,也降低了趨膚效應。同時也不存在線圈與磁芯之間的寄生電容,從而不會有一些異常的電流尖峰,所以雙脈沖測試的結果比實際應用中的鐵氧體或鐵粉芯電感效果相對要好。
圖9. 使用不同母線電容后對比波形
Ceralink電容和X7R電容都屬于高頻電容,尺寸相對小,放在母線上靠近SiC MOSFET,可以很好的吸收一些高頻的電流和電壓尖峰,通過如圖9所示的對比,可以看到普通X7R的濾波特性相比容值更大的Ceralink好像還要更好一些。
圖10. 使用不同RC snubber吸收電路后對比波形
如圖10所示,通過在上管和下管DS端上分別并聯不同的RC snubber(X7R電容)吸收電路后,雙脈沖測試波形沒有十分明顯的改善,說明snubber對于吸收震蕩尖峰的效果不是很明顯。
總結
設計了一種適用于光伏MPPT的評估板,介紹了設計的背景需求,設計的框架,功率器件和門極驅動器的選擇,安規規范的要求,電路設計的要點,最后給出了一下測試和調試的波形和經驗,選擇一款性能優良的功率管,并在布板設計時候充分考慮減小開關回路,可以極大的節省調試研發時間,提升整體系統的質量。
(作者: 施三保,文章來源:英飛凌工業半導體)
免責聲明:本文為轉載文章,轉載此文目的在于傳遞更多信息,版權歸原作者所有。本文所用視頻、圖片、文字如涉及作品版權問題,請聯系小編進行處理。
推薦閱讀:




