【導讀】本文簡要回顧了與經典的硅 (Si) 方案相比,SiC技術是如何提高效率和可靠性并降低成本的。然后在介紹 onsemi 的幾個實際案例之前,先探討了 SiC 的封裝和系統集成選項,并展示了設計人員該如何最好地應用它們來優化 SiC 功率 MOSFET 和柵極驅動器性能,以應對能源基礎設施的挑戰。
本文簡要回顧了與經典的硅 (Si) 方案相比,SiC技術是如何提高效率和可靠性并降低成本的。然后在介紹 onsemi 的幾個實際案例之前,先探討了 SiC 的封裝和系統集成選項,并展示了設計人員該如何最好地應用它們來優化 SiC 功率 MOSFET 和柵極驅動器性能,以應對能源基礎設施的挑戰。
SiC 是一種寬帶隙 (WBG) 材料,其帶隙為 3.26 電子伏特 (eV),而 Si 的帶隙為 1.12 eV。與 Si 相比,SiC 提供了 10 倍的擊穿場能力,超過 3 倍的導熱率,并且可以在更高的溫度下工作。這些規格使得 SiC 很適合用于能源基礎設施應用(表 1) 。
SiC 的材料特性使之成為許多高壓、高速、大電流和高密度電源轉換設計的絕佳選擇。在許多情況下,問題不在于是否使用 SiC,而在于什么 SiC 封裝技術能提供最佳的性能和成本取舍。
設計人員在使用 SiC 電源技術時有三種基本的封裝選擇:分立器件、智能電源模塊 (IPM) 或電源集成模塊 (PIM),每一種都有一套獨特的成本和性能取舍(表 2)。例如:
當成本是一個主要考慮因素時,如消費應用,通常傾向于使用分立器件。此外它們還支持雙源,并有很長的使用壽命。
IPM 解決方案減少了設計時間,具有最高的可靠性,是最緊湊的中功率水平解決方案。
與 IPM 相比,PIM 可以支持更高的功率設計,具有更好的功率密度、合理的快速上市速度、廣泛的設計選擇,以及更多的實現雙源的機會。
表 2:在選擇分立、IPM 和 PIM SiC 封裝解決方案時的集成特性和取舍之比較。(圖片來源:Onsemi)
混合 Si/SiC IPM
雖然有可能開發只使用 SiC 器件的解決方案,但有時使用 Si/SiC 混合設計更具有成本效益。例如,onsemi 的 NFL25065L4BT 混合 IPM 在輸出端將第四代 Si IGBT與 SiC 升壓二極管組合在一起,形成一個交錯式功率因數校正(PFC) 輸入級,適合用于消費、工業和醫療應用(圖 1) 。這種緊湊的 IPM 包括了一個經過優化的 IGBT 柵極驅動,以盡可能減少 EMI 和損失。集成的保護功能包括欠壓鎖定、過流關斷、熱監控和故障報告。NFL25065L4BT的其他特性包括:
600 伏/50 安培 (A) 兩相交錯式 PFC 針對 20 千赫 (kHz) 開關頻率進行了優化 使用氧化鋁直接鍵合銅 (DBC) 基底實現低熱阻 集成用于溫度監測的負溫度系數 (NTC) 熱敏電阻 隔離額定值達 2500 伏均方根(rms)/1 分鐘 UL 認證
圖 1:NFL25065L4BT IPM 在輸出端使用第四代 Si IGBT 與 SiC 升壓二極管組成交錯式 PFC 級。(圖片來源:Onsemi)
SiC PIM
對于太陽能逆變器、電動汽車充電站和類似應用,如果能夠使用基于 SiC 的 PIM,通過減少封裝和縮小總體積來最大限度地提高功率傳輸,那么設計人員就可以轉而使用 NXH006P120MNF2PTG。該器件包括一個 6 毫歐 (mΩ)、1200 伏的 SiC MOSFET 半橋和一個集成 NTC 熱敏電阻,采用 F2 封裝(圖2)。封裝選項包括:
有或沒有預涂熱界面材料 (TIM) 可焊接引腳或壓配引腳
這些 PIM 最大工作結溫為 175 攝氏度 (°C),需要外部控制裝置和柵極驅動器。可選的壓配技術,也稱為冷焊接,在引腳和印刷電路板上的電鍍通孔之間提供可靠的連接。壓配提供了簡化的組裝方式,無需焊接,可實現氣密性、低電阻、金屬對金屬連接。
圖 2:NXH006P120MNF2PTG集成電源模塊采用 F2 封裝,帶有壓配引腳。(圖片來源:Onsemi)
SiC 肖特基二極管
175°C 最大結溫 506 毫焦耳 (mJ) 雪崩額定值 最高 220 A 的非重復性浪涌電流,最高66 A 的重復性浪涌電流 正溫度系數 無反向恢復,也無正向恢復 AEC-Q101 認證資質/PPAP 能力
圖 3:1700 伏/25 A NDSH25170A SiC 肖特基二極管沒有反向恢復電流,具有出色的熱性能,以及與溫度無關的開關特性。(圖片來源:Onsemi)
分立式SiC MOSFET
106 納庫侖 (nC) 典型柵極電荷 139 皮法拉 (pF) 典型輸出電容 100% 雪崩測試 175°C 工作結溫 AEC-Q101 鑒定
圖 4:NTBG040N120SC1 SiC MOSFET 的額定值為 1200 伏/60 A,導通電阻為 40 mΩ,采用D2PAK?7L 表面貼裝封裝。(圖片來源:Onsemi)
SiC MOSFET 柵極驅動器
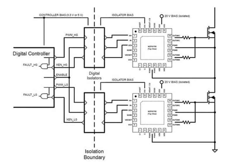
用于 SiC MOSFET 的柵極驅動器,如onsemi NCx51705 系列,提供的驅動電壓比用于 Si MOSFET 的驅動器高。全導通 SiC MOSFET 需要 18 至20 伏的柵極電壓,而導通 Si MOSFET 則需要不到10 伏的電壓。此外,SiC MOSFET 在關斷時需要 -3至 -5 伏的柵極驅動。設計人員可以使用針對 SiC MOSFET 優化的 NCP51705MNTXG 低壓側、單 6 A 高速驅動器(圖 5)。NCP51705MNTXG 提供了最大的額定驅動電壓,以實現低傳導損耗,并且在導通和關斷期間提供高峰值電流,以盡量減少開關損耗。
圖 5:簡化示意圖顯示兩個 NCP51705MNTXG 驅動器 IC(中右)以半橋拓撲結構驅動兩個 SiC MOSFET(右)。(圖片來源:Onsemi)
設計人員可以使用集成充電泵來產生用戶可選擇的負電壓軌,以提供更高的 可靠性、提升的 dv/dt 抗擾度以及更快的關斷速度。在隔離設計中,可以用一個從外部獲得的 5 伏電壓軌為數字或高速光隔離器的二次側供電。NCP51705MNTXG 的保護功能包括基于驅動電路結溫的熱關斷,以及偏置電源欠壓鎖定監控。
評估板和SiC 柵極驅動注意事項
為了加快評估和設計過程,設計人員可以使用 NCP51705SMDGEVB 評估板 (EVB) 來評估 NCP51705(圖 6)。該評估板包括一個 NCP51705 驅動器和所有必要的驅動電路,包括一個板載數字隔離器以及能夠焊接任何采用 TO?247 封裝的 SiC 或 Si MOSFET。該評估板旨在用于任何低壓側或高壓側的電源開關應用。在圖騰柱驅動器中可以配置兩個或多個這樣的評估板。
圖 6:NCP51705SMDGEVB EVB 有孔(上左),可連接 SiC 或 Si 功率 MOSFET,且包括 NCP51705 驅動器(U1,中左)和數字隔離器 IC(右中)。(圖片來源:Onsemi)
在使用帶有 SiC MOSFET 的 NCP51705柵極驅動器時,盡量減少印刷電路板的寄生電感和電容是很重要的(圖 7)。印刷電路板布局注意事項:
NCP51705 應盡可能靠近 SiC MOSFET,要特別注意的是 VDD、SVDD、V5V、充電泵和 VEE 電容與 MOSFET 之間的短印制線。 VEE 和 PGND 之間的印制線應盡可能短。 高 dV/dt 印制線與驅動器輸入和DESAT 之間需要有隔離,以避免因噪聲耦合而導致的異常操作。 對于高溫設計,應在裸焊盤和外層之間使用熱過孔,以盡量減少熱阻。 OUTSRC、OUTSNK 和 VEE 需要使用寬印制線。
圖 7:NCP51705的推薦印刷電路板布局,可最大程度地減少驅動 SiC MOSFET 的寄生電感和電容。(圖片來源:Onsemi)
總結
如上所述,在分立器件、IPM 和 PIM 之間進行選擇時,需要考慮一系列的性能、上市速度和成本權衡。此外,在使用分立器件或 PIM 時,為了實現可靠和高效的系統性能,SiC 柵極驅動器的選擇和最佳的印刷電路板布局也至關重要。
(作者:Jeff Shepard,文章來源:DigiKey得捷)
免責聲明:本文為轉載文章,轉載此文目的在于傳遞更多信息,版權歸原作者所有。本文所用視頻、圖片、文字如涉及作品版權問題,請聯系小編進行處理。
推薦閱讀:
2024全數會從深圳出發,引領全球數字經濟產業新風向標,預約免費門票!




