【導讀】在PCB上靠近芯片的位置直接端接阻抗匹配和片上阻抗匹配,可以達到很高的精度和穩定性,但是需要占用很大的面積,而且隨著系統復雜度的增加,多處都會用到阻抗匹配,這時就需要在片上去集成阻抗匹配電阻。而根據電阻本身的性質,可以分為無源電阻和有源電阻,這種分類屬于片上阻抗匹配的范疇。
阻抗匹配在高速串行,傳輸系統中,有著非常廣泛的應用,目前主要有以下幾類實現方法,根據阻抗匹配的位置:
(1)PCB板上阻抗匹配
(2)片上阻抗匹配
在PCB上靠近芯片的位置直接端接阻抗匹配和片上阻抗匹配,可以達到很高的精度和穩定性,但是需要占用很大的面積,而且隨著系統復雜度的增加,多處都會用到阻抗匹配,這時就需要在片上去集成阻抗匹配電阻。而根據電阻本身的性質,可以分為無源電阻和有源電阻,這種分類屬于片上阻抗匹配的范疇。無源電阻通常采用的是多晶硅電阻,可以將多晶硅直接放到終端作為匹配電阻,多晶硅具有很好的線性度和溫度特性,且電容負載小,但是去缺點就是精度不高。以TSMC 65nm工藝為例,其精度僅為1±30%,但是高速串行接口對匹配電阻的精度要求卻非常高,因此無論是從PVT的角度,還是從多晶硅電阻本身的精度來說,都需要對其進行精確校準。
當前主要的校準方法分為下面幾類:
偏置校準,主要是通過芯片內部的電流鏡向外部精密校準電阻和內部校準電阻BLOCK灌電流,通過產生的偏置電壓來調節需要校準的電阻模塊,調節的方法也可以分為兩類:模擬電流控制和數字電壓控制。
模擬電流控制是通過模擬偏置電壓控制Vgs電壓,進而控制流過輸出驅動器transistor的電流,其缺陷很明顯,對干擾和噪聲很明顯;而數字電壓控制,是通過電壓來打開或者關閉并聯的輸出驅動器,對噪聲具有很好的抑制性,也很容易進行數字化。
I/O端接阻抗校準電路如圖1所示:包括模擬和數字兩個部分,此外在芯片外部有200ohm的高精度電阻(也可以設計為其它阻抗,比如1.8K等),在芯片內部有一個集成的參考電流鏡電流源源(提供3.25mA的DC電流),該電流鏡有3條支路,分別給TX、RX和外部REXT校準電阻,而每個支路的開關是由CMOS傳輸門(TG)實現的(在忽略失配的情況下,電流鏡的電流假定完全一致)。詳細的電流鏡和開關電路如下圖所示:
校準電路,實際上校準的是TX和RX校準電路的replica blocks(后面統一稱為復制塊),所謂復制,指的就是的復制實際上的TX/RX的input/output端接匹配電路,有一點差異就是, 復制塊需要校準的阻值和片外精密校準電阻并不一定相等,在此案例中,復制塊目標校準電阻值為200ohm。
如上圖所示,顯示了一個簡單的TX到RX的link架構:TX 輸出端接電阻和輸出buffer,傳輸線(50ohm)和RX端的input端接電阻模塊,而普通的接口,TX只有1個buffer,RX只有一個差分運放。
在校準過程中,TX/RX端的端接電阻,會從校準電路已經校準完成后的寄存器中中獲得復制塊的二進制校準代碼,然后在TX/RX的端接電路中設置50ohm的阻抗。因為復制塊的牧寶校準阻抗是高速Link端接阻抗的4倍,因此會在校準代碼的基礎上進行處理,設置在TX/RX端接電阻陣列中,從而產生50ohm的阻抗。
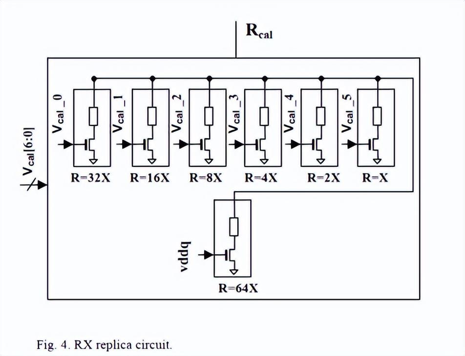
如上圖所示,復制塊電路中,包含不同阻值的GROUP,每個GROUP都有并聯的電阻和控制MOS(可以在截止或者三極管區域工作),每個電阻都可以通過MOS的開關進行控制(使用來自邏輯塊的二進制代碼),每個GROUP的阻值都是下一個的兩倍,在此方案就有7個GROUP,第一個電阻最小(32X),第六個只有1個電阻(X)。
MSB[5]的二進制代碼連接到最小的電阻GROUP(32X),LSB[5]就連接到了最大的電阻GROUP,為了避免Rcal的電阻過大,因此增加了一組最小的GREOUP(R=64X)。
校準電路在各種PVT條件下,提供了200ohm的恒定電阻,但是通常電阻變化范圍可以達到±50ohm,所以在典型情況下,至少需要150~250ohm的電阻校準范圍,這一條件被用于選擇每個replica模塊的電阻值。
在本文提出的解決方案中,常開的GROUP的阻值為300ohm(64X=300ohm),因此當二進制代碼為0的時候(Vcal=000000),總阻值就是300ohm,而當所有的GROUP都打開時(Vcal=000000),總阻值為150ohm。
對于中間的輸入二進制代碼,在典型的情況下,具有200ohm左右的復制模塊電阻是非常重要的。
TX和RX復制塊的校準原理基本都是一樣的,但是有個小差異:TX的輸出端接電阻block是驅動電路的一部分,上拉和下拉路徑上有兩個transistor,第一個transistor用于數據輸入,第二transistor則被TX復制塊的二進制代碼進行控制,因此對TX電路,只有下拉電路被用在復制塊中,在校準完成之后,二進制代碼也會被用在TX上拉電路中。事實上,TX的復制快每個電阻都可以表示為兩個NMOS管加上一個電阻串聯,如下圖所示:
第一個transitor接收二進制代碼,第二個晶體管被拉高并且常開,RX復制模塊的單電阻塊被表示為NMOS晶體管(二進制輸入)和電阻串聯連接。
I/O端接電阻校準電路有如下幾個部分組成:
(1)邏輯控制模塊;
(2)多路復用器;
(3)比較器;
邏輯控制模塊用于提供所有的數字信號,比如校準代碼(Vcal)、開關信號(Vswitch)用于控制電流開關、多路復用器、和復位信號去寫數據/復位寄存器(寄存器用于保存校準代碼),比較器用于比較復制塊的校準電壓和外部參考電壓,輸出電壓(Vcomp)作為邏輯模塊的輸入。
校準過程如上表所示,從RX開始,一個3-bit的信號(由邏輯模塊產生),用于控制電流開關,切到RX mode(這意味著沒有電流通過TX 復制塊),電流通過RX復制塊和外部校準電阻,Vswitch信號會控制多路復用器并將其路徑打開。
將RX復制塊的電壓送到比較器中;在下個階段邏輯控制模塊,開始增加6-bit的校準代碼(Vcal)并改變RX復制塊的阻抗,精確校準依賴于校準bit位(bit位越多,校準的就越精確),校準復制塊時,將從最高值(vcal=000000)開始,此時復制塊的阻值大約是300ohm,在校準結束后,復制塊的阻值最小,因為所有的電阻blocks都是打開,并且是并聯狀態(Vcal=111111)。阻值也會落到150ohm,校準step將會有63步。
Nstep=2^n-1
Vext是校準電阻的正相輸入(外部壓降是200*Iref),RX復制模塊的電流也是恒定的(等于Iref),但是其實際阻抗在校準期間是在減小的,因此RX復制塊的壓降也在減小,同時,當復制塊的壓降達到外部參考電壓時(Vact=Vext),比較器的輸出會從0切到1(Vcomp=1),此時邏輯模塊將會停止減小校準碼(Vcal),并將固定的校準碼存儲在寄存器中,這個校準碼將會從寄存器中傳輸給真正的輸入端接模塊,提供固定的50ohm電阻(RX復制塊的1/4)。
免責聲明:本文為轉載文章,轉載此文目的在于傳遞更多信息,版權歸原作者所有。本文所用視頻、圖片、文字如涉及作品版權問題,請聯系小編進行處理。
推薦閱讀:
聚焦智能座艙及車載顯示新技術,新產品︱盡在2024汽車工業技術博覽會
2024廣州國際新能源汽車功率半導體技術展5月與您相約廣州保利世貿博覽館



