【導讀】隨著物聯網,尤其是智能照明和智能家居的發展,高效高性能的小體積電源越來越被市場所需求。如何能在電源體積做得更小的情況下,依然能夠保證最好的性能?安森美(onsemi)提供基于NCL2801+NCP13992的一整套你所需要的方案:適配于氮化鎵(GaN)開關器件,工作于高頻開關頻率場合下的小體積PFC & LLC方案。
隨著物聯網,尤其是智能照明和智能家居的發展,高效高性能的小體積電源越來越被市場所需求。如何能在電源體積做得更小的情況下,依然能夠保證最好的性能?安森美(onsemi)提供基于NCL2801+NCP13992的一整套你所需要的方案:適配于氮化鎵(GaN)開關器件,工作于高頻開關頻率場合下的小體積PFC & LLC方案。
NCL2801是安森美開關電源方案中PFC控制芯片家族的一員。內置谷底計數頻率返走(VCFF)、谷底開通等技術,提供優秀的總諧波失真(THD)以及功率因數(PF)值表現。適用于LED照明、PC電源以及平板電視等要求高PF值、低THD的應用場合。
NCP13992作為安森美LLC諧振半橋控制器家族的一員,在NCP1399優異表現的基礎上,創新的增加了輕載工作模式(LL mode),Quiet SKIP模式,顯著提升了輕載情況下整機的效率,并且有效抑制了打嗝模式下的噪聲問題。
產品方案簡介:
1.方案特點:
使用臨界模式的電流型PFC控制器NCL2801,內部集成谷底開通技術,在具備優良的THD和PF值性能基礎上,還擁有優秀的效率表現;
使用業內知名的電流型LLC拓撲結構驅動芯片NCP13992,在實現高頻開關工作的基礎上,實現電源的小型化,并且具備優秀的效率表現;
簡易的外部線路,有利于簡化PCB布板工作;
LLC滿載工作頻率300KHz左右,完美適配目前市場火熱的GaN產品,實現LLC部分高頻化設計;
完善的保護:過溫保護(OTP),過壓保護(OVP),過流保護(OCP)等;
NCP13992在輕載情況下進入輕載(LL)模式以及跳周期(SKIP)模式,使整機擁有優秀的輕載效率以及待機功耗表現;
2.應用領域:
高PF值,低THD等應用場合,比如LED照明行業;
高效率,高工作頻率,高功率密度要求應用場合AC-DC開關電源;
方案應用實例:
1.方案實物圖:
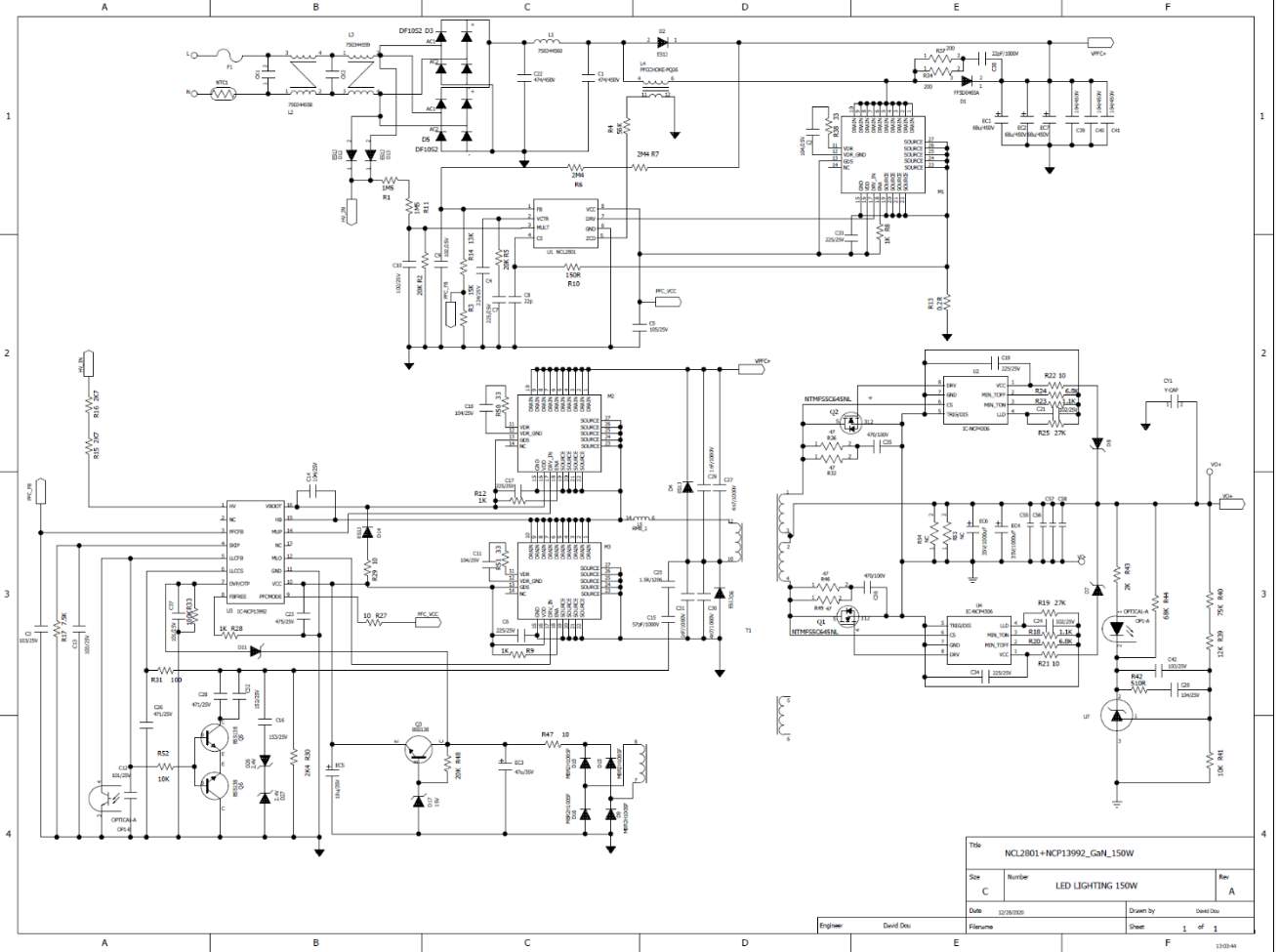
2.典型應用原理圖以及線路介紹:
PFC部分使用安森美的NCL2801產品,SOIC-8封裝,外圍線路簡單。FB腳為輸出電壓采樣信號輸入端,作為反饋信號輸入端的同時還有輸出電壓OVP功能保護。MULT腳外置電阻分壓,采樣輸入AC電壓,用于判定輸入電壓范圍以及設置BO功能保護。在設計過程中,還需要注意CS腳外部電阻(R10)的取值:R10阻值固定為4檔,分別是100Ω,330Ω,620Ω以及1000Ω。R10的取值大小決定了負載大小變化時,MOS管開關過程中的第一個固定跳變CTRL腳的電壓大小,R10取值越大,第一個谷底跳變時的負載就越大。我們推薦使用100Ω或者330Ω電阻,在擁有較好THD表現的同時,也有較好的效率表現。
LLC部分使用安森美的NCP13992產品,SOIC-16封裝。作為電流型控制的LLC控制器,擁有快速的反饋環反應速度,具有優秀的動態響應表現。NCP13992內置高壓啟動腳HV腳,可以耐受最大600V的啟動電壓。PFCFB腳內部內置1V電壓基準,檢測PFC部分電壓,用于設置LLC電路的啟動電壓點。SKIP腳內置50uA恒流源,外置對地電阻產生電壓與FB電壓對比,用于設置NCP13992進入SKIP模式的負載點。LLCCS腳內置4.35V(版本不同會有差異)基準,通過外部電容分壓(C15,C25,C26以及R30)檢測諧振電容上電壓,用于實現原邊諧振腔電流大小檢測以及OCP保護。PFCMODE腳為電壓輸出端,當VCC電壓高于Vcc_on之后,PFCMODE會有一個穩定的電壓輸出(正常工作狀態時為12V左右)。該電壓可以用于給PFC部分控制器VCC腳供電。
3.優秀的待機功耗和效率表現:
4.優秀的PF值表現:
方案應用總結:
作為在市場經過驗證的PFC和LLC控制器,NCL2801和NCP13992以其優秀的表現贏得了非常多電源工程師的認可和喜歡。在驅動GaN器件的高頻化應用場景中,NCL2801和NCP13992仍然具有非常優秀的表現:穩定,高效的基礎上,還具有完善的保護,優秀的THD,PF值和待機功耗等表現。因此,作為適配于GaN開關器件的高頻小體積照明方案,NCL2801和NCP13992也一定會受到大家的歡迎。
免責聲明:本文為轉載文章,轉載此文目的在于傳遞更多信息,版權歸原作者所有。本文所用視頻、圖片、文字如涉及作品版權問題,請聯系小編進行處理。
推薦閱讀:



