【導讀】對于可穿戴設備、家用電器、醫療設備和工業設備等幾乎所有電子系統的設計人員來說,發熱都是一項挑戰。不易察覺的熱量積聚尤其棘手。為避免出現此類問題,有幾種測熱方法可供選擇,包括溫度感應 IC 和正溫度系數 (PTC) 熱敏電阻。然而,這些方法都有其局限性。每種感測方法都使用多個元器件,而這些元器件需要與主機微控制器單元 (MCU) 的專用連接,占用寶貴的電路板空間,設計耗時,而且精度有限。
對于可穿戴設備、家用電器、醫療設備和工業設備等幾乎所有電子系統的設計人員來說,發熱都是一項挑戰。不易察覺的熱量積聚尤其棘手。為避免出現此類問題,有幾種測熱方法可供選擇,包括溫度感應 IC 和正溫度系數 (PTC) 熱敏電阻。然而,這些方法都有其局限性。每種感測方法都使用多個元器件,而這些元器件需要與主機微控制器單元 (MCU) 的專用連接,占用寶貴的電路板空間,設計耗時,而且精度有限。
不過,設計人員現在有了新的選擇。人們開發了可與多個 PTC 熱敏電阻配合使用的 IC,使單個 IC 只需與主機 MCU 的一個連接,即可執行精確的超溫檢測。為了提供高度的設計靈活性,這些 IC 可選擇輸出電流,以支持各種 PTC 熱敏電阻。它們有多種 MCU 接口可供選擇,并可包括閉鎖功能。采用 1.6 x 1.6 x 0.55 mm 的微型 SOT-553 封裝,這些器件的電流消耗為 11.3 μA,從而實現了緊湊型低功耗解決方案。
本文介紹了電子系統中的各種熱源,并探討了一些將 PTC 熱敏電阻與感測 IC 或分立式晶體管結合使用的溫度監測解決方案。文中還將這些解決方案與溫度測量 IC 進行了比較。本文還將介紹并解釋如何應用來自 Toshiba 的 IC,這些 IC 是實現低功耗、高成本效益熱保護的典范。
熱源
電子元器件產生的熱量會對用戶安全和設備/系統運行產生不利影響。中央處理器 (CPU)、圖形處理器 (GPU)、專用集成電路 (ASIC)、現場可編程門陣列 (FPGA) 和數字信號處理器 (DSP) 等大型 IC 會產生大量熱量。雖然它們需要保護,但還不是僅有的必須監測是否過熱的器件。
電流在流經電阻時會產生熱量,而在大型 IC 中,有成千上萬甚至數百萬個微熱源,這些微熱源積聚在一起,會給熱管理帶來巨大挑戰。這些 IC 通常需要在電源引腳附近直接進行精確的電壓調節。這可能需要多相負載點 (POL) DC-DC 轉換器或低壓差 (LDO) 線性穩壓器。POL 中的功率 MOSFET 和 LDO 中的傳輸晶體管的導通電阻可能導致器件過熱,從而降低電壓調節精度,并影響系統性能。
產生熱量的不僅僅是 POL 和 LDO。我們需要對一系列系統上的熱量進行監測和管理,包括 AC-DC 電源、電機驅動器、不間斷電源系統、太陽能逆變器、電動汽車 (EV) 傳動系統、射頻 (RF) 放大器,以及光探測和測距 (LiDAR) 系統。這些系統可能包括用于大量儲能的電解電容器、用于電壓轉換和隔離的電磁互感器、用于電氣隔離的光隔離器以及激光二極管。
電解電容器中的紋波電流、變壓器中的渦流、光隔離器中 LED 的電流,以及 LiDAR 中的激光二極管,都是這些器件中的潛在熱源。在所有這些情況下,溫度監測都有助于提高安全性、性能和可靠性。
傳統 PTC 熱敏電阻方法
監測溫度是熱保護的關鍵第一步。一旦發現超溫情況,就可以采取補救措施。PTC 熱敏電阻通常用于監測印刷電路板上的溫度。PTC 熱敏電阻的電阻率會隨著溫度的升高而增加。PTC 熱敏電阻設計針對過流、短路保護和溫度監測等特定功能進行了優化。溫度監測 PTC 熱敏電阻采用溫度系數較高的半導體陶瓷制成。在室溫下,它們的電阻值相對較低,但當加熱到居里溫度以上時,電阻值會迅速上升。
PTC 熱敏電阻可單獨用于監測特定器件(例如 GPU),也可多個串聯用于監測更多器件(例如 POL 中的 MOSFET)。使用 PTC 熱敏電阻實施溫度監測有多種方法。兩種常見的方法是使用傳感器 IC 或分立式晶體管來監測 PTC 熱敏電阻的電阻(圖 1)。

圖 1:使用 PTC 熱敏電阻的兩種常見溫度監測方案分別采用傳感器接口 IC(左)和分立式晶體管解決方案(右)。(圖片來源:Toshiba)
在這兩種情況下,PTC 熱敏電阻鏈與主機 MCU 之間只有單個連接。選擇這些方法時,需要在以下幾個方面做出權衡取舍:
· 元器件數:IC 解決方案使用三個元器件,而晶體管方法需要六個器件
· 貼裝面積:由于使用的元器件較少,IC 解決方案所需的電路板面積也較小
· 精度:這兩種方法都容易受到電源電壓變化的影響,但晶體管方法還容易受到溫度升高時晶體管特性變化的影響。總體而言,IC 方法可以提供更高的精度
· 成本:晶體管方法使用的器件價格低廉,相比 IC 方法具有成本優勢
傳感器 IC 和 Thermoflagger
可以使用多個溫度感測 IC 代替 PTC 熱敏電阻。溫度感測 IC 會測量其芯片溫度,從而估計印刷電路板的溫度。印刷電路板和 IC 之間的熱阻越低,溫度估計值越準確。只要正確貼裝在印刷電路板上,溫度感測 IC 就能提供高度精確的測量。使用溫度感測 IC 有兩個限制因素,第一個是必須在需要測量溫度的每個點放置一個 IC,第二個是每個 IC 都需要與主機 MCU 建立專用連接。
Toshiba 的 Thermoflagger 提供了第四種選擇。與使用溫度測量 IC 相比,使用 Thermoflagger 只需增加一個元器件,即可實現溫度測量電路。Thermoflagger 解決方案不需要與主機 MCU 的多個連接,而只需單個 MCU 連接,因而能夠使用廉價的 PTC 熱敏電阻同時監測多個位置(圖 2)。

圖 2:溫度傳感器 IC 監測通常需要在每個潛在熱源處使用一個 IC,并為每個傳感器 IC 提供 MCU 連接(左);使用 Thermoflagger 和多個 PTC 熱敏電阻的解決方案只需單個 MCU 連接(右)。(圖片來源:Toshiba)
考慮使用 Thermoflagger 的更多原因包括:
· 與其他解決方案相比,它占用的電路板面積更小
· 它不受電源電壓變化的影響
· 它可用于實施簡單的冗余溫度監測
Thermoflagger 解決方案是什么樣的?
Thermoflagger 為連接的 PTC 熱敏電阻提供一個小恒定電流,并監測其電阻。它可以監測單個 PTC 熱敏電阻或 PTC 熱敏電阻鏈。溫度升高時,根據所監測的特定 PTC 熱敏電阻,PTC 熱敏電阻的電阻會迅速上升,Thermoflagger 會檢測到電阻的增加。Thermoflagger 具有不同的恒定電流,例如 1 或 10 μA,以適應各種不同的 PTC 熱敏電阻。Thermoflagger 的電流消耗為 11.3 μA,旨在實現低功耗監測。
檢測觸發溫度取決于使用的特定 PTC 熱敏電阻,可通過替換不同的 PTC 熱敏電阻進行更改。如果發生超溫,Thermoflagger 會檢測到 PTC 熱敏電阻的電阻增大,并觸發 PTCGOOD 輸出的變化,向 MCU 發出警報(圖 3)。

圖 3:與正常工作溫度下的低電阻(上圖)相比,Thermoflagger 感測到加熱的 PTC 熱敏電阻的電阻上升(下圖)。(圖片來源:Toshiba)
Thermoflagger 的工作原理
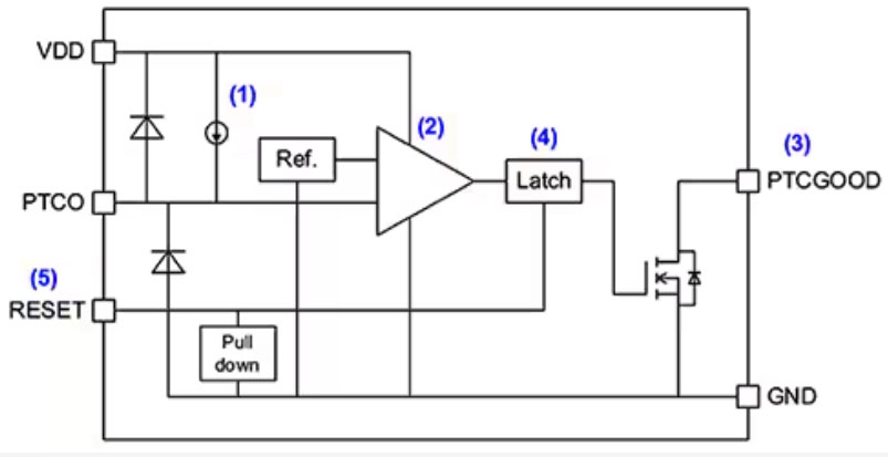
Thermoflagger 是一款精密模擬 IC,其輸出經過優化,可與主機 MCU 連接。以下對其工作原理的描述引用了下面圖 4 中的數據:
1、恒流由 PTCO 端子提供,并利用一個或多個連接的 PTC 熱敏電阻的電阻轉換為電壓。正是內部恒流源使得 Thermoflagger 解決方案對電源電壓變化不敏感,這是它與其他溫度監測技術相比的一大重要優勢。如果 PTC 熱敏電阻發熱,電阻大幅增加,PTCO 電壓就會增加至電源電壓 (VDD)。如果 PTCO 端子斷開,PTCO 電壓也會升至 VDD。
2、如果 PTCO 電壓超過檢測電壓,比較器的輸出將反轉,并且發送“低”輸出。PTCO 輸出精度為 ±8%。
3、Thermoflagger IC 有兩種輸出格式:開漏和推挽。開漏輸出需要一個上拉電阻。推挽輸出無需電阻器。
4、比較器輸出反轉之后,它將被閉鎖(假設 Thermoflagger 包括可選的閉鎖功能),以防止輸出因 PTC 熱敏電阻的溫度下降而發生變化。
5、向 RESET 引腳施加信號后,鎖存器被釋放。

圖 4:顯示 Thermoflagger 主要功能的框圖,Thermoflagger 是一種精密模擬 IC,其輸出經過優化,可與主機 MCU 連接。(圖片來源:Toshiba)
應用注意事項
Thermoflagger 解決方案尤其適用于監測大型 IC (例如片上系統 SoC)的電源電路中的 MOSFET 或 LDO,以及工業和消費系統中的電機驅動電路。其典型應用包括筆記本電腦(圖 5)、機器人真空吸塵器、家用電器、打印機、電池供電的手動工具、可穿戴設備以及類似設備。Thermoflagger IC 的例子包括:
· TCTH021BE,提供 10 μA 的 PTCO 輸出電流和非閉鎖開漏輸出
· TCTH022BE,提供 10 μA 的 PTCO 輸出電流和閉鎖開漏輸出
· TCTH021AE,提供 10 μA 的 PTCO 輸出電流和閉鎖推挽輸出

圖 5:筆記本電腦中的典型 Thermoflagger 實施。(圖片來源:Toshiba)
與所有精密 IC 一樣,Thermoflagger 也有特定的系統集成注意事項,包括:
· 施加到 PTCO 引腳上的電壓不應超過 1 V
· 應避免 Thermoflagger 受到系統噪聲的影響,以確保內部比較器的可靠運行
· Thermoflagger IC 和 PTC 熱敏電阻之間應保持足夠的間距,以防止熱量通過印刷電路板傳遞到 Thermoflagger IC
· 在 VDD 和 GND 之間放置去耦電容器,有助于確保穩定運行
· 所有 GND 引腳必須連接到系統地線
簡單冗余
一些系統可受益于冗余溫度監測。如果監測的是成本昂貴的 IC,或者涉及到關鍵功能,情況更是如此。Thermoflagger 解決方案非常簡單,而且體積小巧,因而可以輕松集成更多的溫度監測層,從而構建強大可靠的溫度監測系統(圖 6)。

圖 6:Thermoflagger 可為基于溫度監測 IC(左)的基本溫度監測解決方案增加溫度監測層或冗余(右)。(圖片來源:Toshiba)
總結
為確保可靠的系統性能,設計人員必須監測過熱現象。他們可以采用多個熱監測選項,包括溫度感測 IC 和 PTC 熱敏電阻。Toshiba 的 Thermoflagger 是一種較新的可選產品,它具備諸多優點,包括使用多個低成本 PTC 熱敏電阻、基底面較小、元器件數量較少、與 MCU 只有單個連接、抗電源波動能力強,另外還可實施簡單的冗余溫度監測。
(作者:Jeff Shepard)
免責聲明:本文為轉載文章,轉載此文目的在于傳遞更多信息,版權歸原作者所有。本文所用視頻、圖片、文字如涉及作品版權問題,請聯系小編進行處理。
推薦閱讀:





