【導讀】在之前的推文——樓氏電容|深入了解電動汽車應用中的直流母線電容中,我們探討了在電源轉換器中使用直流母線電容作為中間緩沖器這一主題,今天的主題則是關于另一個有用的電源模塊元件——緩沖吸收電容器。
在之前的推文——樓氏電容|深入了解電動汽車應用中的直流母線電容中,我們探討了在電源轉換器中使用直流母線電容作為中間緩沖器這一主題,今天的主題則是關于另一個有用的電源模塊元件——緩沖吸收電容器。緩沖電路是一種能量吸收電路,用于保護功率器件免受寄生電感引起的電壓尖峰和電磁瞬態干擾的影響。開關打開在本質上會在設備上引起尖峰電壓,而緩沖器為多余的能量提供了一個替代的流動路徑,使其被緩沖電容器吸收,抑制波形振蕩并經由電阻或其他負載耗散。
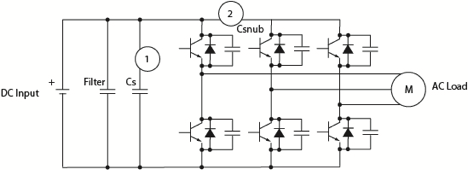
在電動汽車子系統中,絕緣柵雙極型晶體管(IGBT)是三端子功率半導體器件,通常作為快速高效的開關用于如逆變器、轉換器和電源等電力電子應用中。IGBT經常與各種拓撲結構中的二極管模子結合在一起,形成更大的模塊。
圖 1. 基本的RC吸收電路(來源:維基百科)
例如,圖2中的電動車逆變器負責將電池中的直流電轉換為三相交流電,以在加速時驅動牽引電機,在制動時逆變器則又將交流電轉換回直流電。一個驅動三相負載的電源模塊至少需要六個IGBT和六個配套的緩沖吸收電容Csnub來保護半導體功率器件。
圖 2. 電機驅動電路中的逆變器
緩沖電容器會吸收100kHz至300kHz高頻工作環境中的噪聲從而保護電源開關模塊。理想的緩沖電容器應具備以下幾個特性:
●在高頻(100 kHz及以上)環境工作下的高電壓承受能力
●低ESR(等效串聯電阻)
●低損耗因子
●低自熱性
●高容量
針對以上特性要求,樓氏電容(KPD)推薦使用規格范圍在600V-2kV,nF-μF級的C0G或X7R電容器。電容器的直流電壓等級將取決于半導體開關的阻斷電壓。
正溫度系數(PTC)加熱控制器是另一個需要用到緩沖電容器的電動汽車子系統。與可以使用內燃機的廢熱加熱機艙的燃油車不同,電動汽車使用高壓PTC加熱控制器作為供暖、通風和空調(HVAC)系統的熱源。
PTC加熱器使用特殊的材料,在溫度較低時其電阻也較低,從而允許全電流流動并產生熱量;隨著溫度的升高,PTC材料的電阻也會增加——這一特性作為一種自動安全功能可對電流加以限制從而防止過熱。加熱控制器中的電源單元(PSU)電路需要高壓電容器以作緩沖和初級-次級隔離之用——樓氏電容(KPD)制造的型號為1206-3640,1kV-2kV,1nF-1μF的X7R電容器是您的理想之選。
鑒于IGBT和功率模塊在電動汽車應用中的不可或缺,設計師們選擇符合應用要求和行業認證的高壓緩沖電容器至關重要。
(來源:Knowles樓氏電容)
免責聲明:本文為轉載文章,轉載此文目的在于傳遞更多信息,版權歸原作者所有。本文所用視頻、圖片、文字如涉及作品版權問題,請聯系小編進行處理。
推薦閱讀:
安森美和Ride Vision合作,為摩托車騎行者提供先進的安全方案



