【導讀】功耗是工業和汽車應用 DC/DC 轉換器設計師面臨的重大問題,因為這類應用需要大電流,但是空間受限。用高性能分立式組件可以構成高效率穩壓器,但是其費用之高和解決方案占板面積之大卻使這種方法令人難以承受。
功耗是工業和汽車應用 DC/DC 轉換器設計師面臨的重大問題,因為這類應用需要大電流,但是空間受限。用高性能分立式組件可以構成高效率穩壓器,但是其費用之高和解決方案占板面積之大卻使這種方法令人難以承受。LT8612 / LT8613 高效率降壓型穩壓器在單個 IC 中集成了所有必要的組件,顯著地減小了 DC/DC 轉換器的尺寸,甚至在面對高降壓比時也可以。這些器件還可以并聯,以增強輸出電流能力并分散負載和熱量。
包括在這些調節器中的其它期望功能有:超低靜態電流以最大限度延長電池壽命;高開關頻率以最大限度減小解決方案尺寸并避開噪聲敏感頻段。
采用 3mm x 6mm 封裝的高效率 42V、6A 穩壓器
LT8612 / LT8613 是 42V、6A 降壓型單片式穩壓器。其集成的高效率電源開關功耗很低,因此這些開關、升壓二極管、內部補償和所有必要的電路都密封在一個纖巧的 3mm x 6mm QFN 封裝中,不會產生過熱問題。圖 1 顯示了一個典型的 5V/30W LT8612 轉換器,其效率和功耗如圖 2 所示。甚至在 24V 輸入電壓時,LT8612 也能產生 30W 輸出,且溫升不超過 50°C。在負載范圍的另一端,LT8612 / LT8613 以低紋波突發模式 (Burst Mode®) 運行,以在超低負載情況下提高效率。

圖 1:采用 LT8612 的 5V/30W 降壓型轉換器

圖 2:圖 1 所示 5V/30W LT8612 降壓型轉換器的效率和功耗
EFFICIENCY:效率
POWER LOSS:功耗
LOAD CURRENT:負載電流
LT8612 / LT8613 的最小接通時間短至 40ns,從而允許很高的 VIN/VOUT 比,即使在很高的開關頻率時也是如此。高達 2.2MHz 的開關頻率最大限度減小了功率電感器和輸出電容器的尺寸和值。此外,可以基于輸出負載要求有把握地改變電感器的大小,而無需使用較大的電感器來進行設計,這是器件的高速峰值電流模式架構和可靠的開關設計帶來的結果。
多相設計增強輸出電流能力
在汽車和工業應用中,超過 6A 的負載并非不常見。就這些電流相對較大的情況而言,多相設計可以增強 LT8612 / LT8613 穩壓器的輸出能力。LT8613 具內置軌至軌電流檢測放大器以及監視器和控制引腳,從而可實現準確的輸入或輸出平均電流調節。這個電流環路調節內部開關電流限制,這樣跨 ISP / ISN 引腳的電壓就不會超過 ICTRL 引腳設定的電壓。另一個 IMON 引腳用來監視通過 ISP / ISN 引腳測量的平均電流。這種電流控制功能可在幾個 LT8613 之間實現準確的均電,而無需任何額外的控制電路。
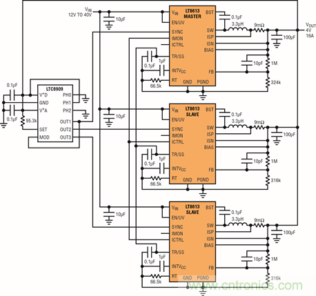
圖 3 顯示了三個 LT8613 并聯以提供高達 16A 輸出的電路。最上面一個 LT8613 是主穩壓器,其輸出電壓設定為 4V,另外兩個 LT8613 是從屬穩壓器,其輸出電壓設定為略高于 4V。

圖 3:以一個三相設計的 3 個并聯 LT8613 在 4V VOUT 時提供 16A
為了在 3 個 LT8613 穩壓器之間均流,主穩壓器 LT8613 的 IMON 引腳連至從屬 LT8613 的 ICTRL 引腳。3 個 LT8613 穩壓器由 LTC6909 振蕩器產生的三相 700kHz 時鐘信號 (120° 相移) 同步。圖 4 顯示了這個三相 LT8613 設計的熱像。這些 LT8613 的溫度相似表明,三相之間的電流是均勻分配的。這個設計的效率如圖 5 所示。

圖 4:三相 LT8613 設計的熱像顯示,電流均分是平衡的

圖 5:圖 3 所示三相 LT8613 設計的典型效率曲線
EFFICIENCY:效率
LOAD CURRENT:負載電流
如果期望給這些相位之間的均流加權,也就是說讓電流均分不平衡,那么簡單地調節跨 ISP 和 ISN 引腳的檢測電阻值即可。
結論
LT8612 和 LT8613 是全面集成的高功率密度單片式降壓型穩壓器,可滿足挑戰性的汽車和工業應用需求。這些穩壓器能夠非常方便地并聯,以用于高效率、大電流應用,構成占板面積緊湊的解決方案。
(來源:ADI公司,作者:Ying Cheng,電源產品部 高級應用工程師 )
免責聲明:本文為轉載文章,轉載此文目的在于傳遞更多信息,版權歸原作者所有。本文所用視頻、圖片、文字如涉及作品版權問題,請電話或者郵箱聯系小編進行侵刪。






