【導讀】在"電源系統優化"系列文章的 第1部分 ,我們介紹了如何量化電源噪聲靈敏度,以及如何將這些量值與信號鏈中產生的實際影響聯系起來。有人問到:高性能模擬信號處理器件要實現出色性能,真正的噪聲限值是多少?噪聲只是設計配電網絡(PDN)時的一個可測量的參數。如 第1部分所述,如果單純只是最小化噪聲,可能需要以增大尺寸、提高成本或者降低效率為代價。優化配電網絡可以改善這些參數,同時將噪聲降低到必要的水平。
本文在闡述高性能信號鏈中電源紋波的影響的基礎上進一步分析。我們將深入探討如何優化高速數據轉換器的配電網絡。
我們將對標準PDN與經過優化的PDN進行比較,了解在哪些方面可以實現空間、時間和成本優化。后續文章將探討適合其他信號鏈器件(例如RF收發器)的特定優化解決方案。
AD9175雙通道12.6 GSPS高速數模轉換器的電源系統優化
AD9175 是一款高性能、雙通道、16位數模轉換器(DAC),支持高達12.6 GSPS的DAC采樣速率。該器件具有8通道、15.4 Gbps JESD204B數據輸入端口、高性能片內DAC時鐘倍頻器和數字信號處理功能,適合單頻段和多頻段直接至射頻(RF)無線應用。

圖1.集成在現成評估板上的AD9175高速DAC的標準PDN。
我們來看看如何為這個雙通道高速DAC優化PDN。圖1顯示安裝在現成評估板上的AD9175高速DAC的標準配電網絡。該PDN由一個ADP5054分立式四通道開關和三個低壓降(LDO)后置穩壓器構成。旨在驗證是否可以改進和簡化該PDN,同時確保其輸出噪聲不會導致DAC性能大幅下降。
AD9175需要8個電源軌,可以分為4組,分別是:
● 1 V模擬(2個電源軌)
● 1 V數字(3個電源軌)
● 1.8 V模擬(2個電源軌)
● 1.8 V數字(1個電源軌)
分析:噪聲要求
在我們實施優化之前,必須先了解這些電源軌的電源靈敏度。我們將重點討論模擬電源軌,因為相比數字電源軌,它們對噪聲更加敏感。
模擬電源軌的電源調制比(PSMR)如圖2所示。注意,1 V模擬電源軌在1/f頻率區域內較為敏感,而1.8 V模擬電源軌在開關轉換器的工作頻率范圍(100 kHz至約1 MHz)內更敏感。

圖2.1 V模擬電源軌和1.8 V模擬電源軌上的AD9175高速DAC PSMR。
一種優化方法是使用帶有LC濾波器的低噪聲開關穩壓器。圖3顯示 LT8650S Silent Switcher®穩壓器(帶和不帶LC濾波器)在展頻(SSFM)模式關閉時的傳導頻譜輸出。如 第1部分所述,SSFM可以降低開關頻率噪聲幅度,但會因為三角調制頻率在1/f區域產生噪聲峰值。由于1/f噪聲已小幅偏離該閾值,增加的噪聲可能超過此電源軌的最大允許紋波閾值。因此,不建議在這種情況下使用SSFM。最大允許電壓紋波閾值代表電源紋波電平,當超過該值時,DAC載波信號中的邊帶雜散將出現在DAC輸出頻譜的1 µV p-p本底噪聲上方。
從這些結果可以看出,開關穩壓器的1/f噪聲沒有超過1 V模擬電源軌的最大允許紋波閾值。此外,LC濾波器足以將LT8650S的基本開關紋波和諧波降至最大允許紋波閾值以下。

圖3.LT8650S傳導頻譜輸出與1 V模擬電源軌的最大允許紋波閾值之間的關系。
圖4顯示 LT8653S (帶和不帶LC濾波器)的傳導頻譜輸出。如圖所示,1.8 V電源軌的最大允許電壓紋波不會在AD9175輸出頻譜的1 µV p-p本底噪聲內產生雜散。可以看出,LT8653S的1/f噪聲沒有超過最大允許紋波閾值,LC濾波器足以將LT8653S的基本開關紋波和諧波降至最大允許紋波閾值以下。

圖4.LT8653S傳導頻譜輸出與1.8 V模擬電源軌的最大允許紋波閾值之間的關系。
結果:優化PDN
圖5顯示AD9175的優化配電網絡。旨在提高效率,降低空間要求以及圖1中PDN的功率損耗,同時實現AD9175出色的動態性能。噪聲目標是基于圖3和圖4所示的最大允許波紋閾值。
優化的配電網絡由LT8650S和LT8653S Silent Switcher穩壓器,以及模擬電源軌上的LC濾波器構成。在這個PDN中,1 V模擬電源軌由LT8650S的VOUT1供電,LT8650S后接LC濾波器;1 V數字電源軌直接由同一個LT8650S的VOUT2供電,其后無需連接LC濾波器。對于AD9175,其數字電源軌對電源噪聲不太敏感,因此可以在不降低DAC動態性能的情況下直接為這些電源軌供電。帶有LC濾波器的LT8653S直接為1.8 V模擬和1.8 V數字電源軌供電。
表1比較了優化PDN和標準PDN(如圖1所示,由一個四通道降壓開關和三個LDO穩壓器構成)的性能。從組件大小來看,優化后的解決方案比標準解決方案減小70.2%。此外,效率從69.2%提高到83.4%,整體節能1.0 W。
表1.AD9175優化PDN與標準PDN進行比較


圖5.AD9175高速DAC的優化PDN。
為了驗證優化PDN的噪聲性能是否足以滿足高性能技術規格要求,對AD9175進行相位噪聲評估,并檢測載波周圍邊帶雜散的DAC輸出頻譜。1如表2所示,相位噪聲檢測結果在數據手冊技術規格規定的限值內。AD9175輸出頻譜的載波頻率很干凈,沒有可見的邊帶雜散,如圖6所示。

圖6.使用優化PDN的AD9175輸出頻譜(1.8 GHz、–7 dBFS載波)。
表2.使用圖5中的優化PDN時,AD9175在1.8 GHz載波下的相位噪聲

AD9213 10.25 GSPS高速模數轉換器的電源系統優化
AD9213是一款單通道、12位、6 GSPS或10.25 GSPS、射頻(RF)模數轉換器(ADC),具有6.5 GHz輸入帶寬。AD9213支持高動態范圍頻率和需要寬瞬時帶寬和低轉換誤差率(CER)的時域應用。AD9213具有16通道JESD204B接口,以支持最大帶寬能力。
圖7顯示現成評估板上AD9213高速ADC的標準配電網絡,由一個 LTM4644-1 µModule® 四通道開關和兩個線性穩壓器構成。 該解決方案的大小和能效都較為高效,但它還可以改進嗎?如本系列文章所述,優化的第一步是量化AD9213的靈敏度——即實際設置PDN輸出噪聲的限值,以免導致ADC性能大幅下降。在這里,我們將介紹使用兩個µModule穩壓器的另一種替代PDN解決方案,并比較該方案與標準現成解決方案的性能。
AD9213 10 GSPS ADC需要15個不同的電源軌,這些電源軌可以分為4組:
● 1 V模擬(3個電源軌)
● 1 V數字(6個電源軌)
● 2 V模擬(2個電源軌)
● 2 V數字(4個電源軌)

圖7.集成在現成評估板上的AD9213高速DAC的標準PDN。
分析:噪聲要求
我們探討的優化解決方案使用兩個µModule穩壓器(LTM8024和LTM8074)和一個LDO后置穩壓器取代LTM4644-1 µModule四通道開關和兩個線性穩壓器。

圖8.在2.6 GHz載波頻率下,AD9213高速ADC的1 V模擬電源軌和2 V模擬電源軌的PSMR。
圖8顯示在2.6 GHz載波頻率下,AD9213的1 V模擬電源軌和2 V模擬電源軌的PSMR結果。1 V模擬電源軌的PSMR比2 V模擬電源軌更低,所以它更加敏感。
圖9顯示LTM8024(帶和不帶LDO穩壓器)在強制連續模式(FCM)下的頻譜輸出。圖中還顯示最大允許電壓紋波閾值的疊加不會在AD9213輸出頻譜的–98 dBFS本底噪聲中產生雜散。直接為1 V模擬電源軌供電時,LTM8024輸出中未經濾波的1/f噪聲和基波開關雜散超過了最大允許紋波閾值。
為LTM8024添加 ADP1764 LDO后置穩壓器可將1/f噪聲、基本開關紋波及其諧波降低至最大允許紋波閾值以下,如圖9所示。 需要在線性穩壓器輸入端提供一些裕量電壓。在本例中,從LTM8024輸出1.3 V至后置穩壓器的輸入。這個300 mV符合LDO穩壓器的推薦裕量電壓規格,同時能夠最大限度降低其功率損耗;比標準解決方案使用的500 mV更為合適。

圖9.LTM8024頻譜輸出與1 V模擬電源軌的最大允許紋波閾值之間的關系。
對于2 V電源軌:圖10顯示LTM8074 µModule穩壓器(帶和不帶LC濾波器)在強制連續模式下的頻譜輸出。圖中也顯示了最大允許電壓紋波閾值。此閾值代表電源紋波電平,當超過該值時,DAC載波信號中的邊帶雜散將出現在AD9213輸出頻譜的–98 dBFS本底噪聲上方。這里,與1 V模擬電源軌類似,直接為2 V模擬電源軌供電時,穩壓器開關雜散會超過最大允許紋波閾值。但是,不需要LDO穩壓器,而是由LTM8074輸出端的LC濾波器將開關雜散降低至最大允許紋波閾值以下。

圖10.LTM8074頻譜輸出與2 V模擬電源軌的最大允許紋波閾值之間的關系。
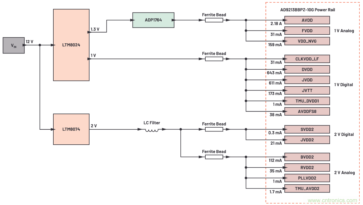
結果:優化PDN
圖11顯示根據電源靈敏度評估結果得到的優化配電網絡。與標準解決方案一樣,它使用三個功率IC;在本例中,分別是LTM8024、LTM8074和ADP1764。在該解決方案中,LTM8024 µModule穩壓器VOUT1由ADP1764進行后置調節,以便為相對敏感的1 V模擬電源軌供電。1 V數字電源軌直接由LTM8024的VOUT2供電。與AD9175 DAC類似,AD9213的數字電源軌對電源噪聲不太敏感,因此可以直接為這些電源軌供電,并且不會降低DAC動態性能。帶有LC濾波器的LTM8074為2 V模擬和2 V數字電源軌供電。

圖11.AD9213高速ADC的優化PDN。
表3比較了優化PDN與現成標準PDN的性能。如圖7所示,標準PDN使用一個四通道降壓開關和兩個LDO穩壓器。組件大小減小15.4%,效率從63.1%提高到73.5%,整體節能1.0 W。
表3.AD9213高速ADC的優化PDN與標準PDN比較

為了驗證優化PDN的性能,從SFDR和SNR兩個方面對AD9213進行評估,并檢查載波周圍邊帶雜散的FFT輸出頻譜。結果顯示,SNR和SFDR的性能在數據手冊給出的技術規格限值范圍內,如表4所示。圖12顯示AD9213的FFT輸出頻譜,其載波頻率很干凈,沒有可見的邊帶雜散。
表4.使用圖11中的優化PDN時,AD9213在2.6 Ghz載波下的動態性能


圖12.使用圖11中的優化PDN時,AD9213的FFT頻譜(2.6 GHz、–1 dBFS載波)。
結論
高性能數據轉換器的現成評估板中包含配電網絡,旨在滿足這些信號處理IC的噪聲要求。即使這些評估板在設計時經過了仔細考量,配電網絡仍有改進的空間。本文研究了兩種PDN:一種適用于高速DAC,一種適用于高速ADC。與標準PDN相比,我們的優化方案在空間要求、效率,尤其是重要的熱性能方面都有所改進。通過使用替代設計,或當前不可用的器件,可以進一步改善某些參數。請繼續關注"電源系統優化"系列文章,包括RF收發器的PDN優化。
參考電路
1 Patrick Errgy Pasaquian and Pablo Perez, Jr。"優化信號鏈的電源系統 — 第1部分: 多少電源噪聲可以接受?" 模擬對話,第55卷第1期,2021年3月。
Delos, Peter。"電源調制比揭秘:PSMR與PSRR有何不同?" ADI公司,2018年12月。
Delos、Peter和Jarrett Liner。"改進的DAC相位噪聲測量支持超低相位噪聲DDS應用" 模擬對話,第51卷第3期,2017年8月。
"數據轉換基本指南" ADI公司。
Umesh Jayamohan。 "為GSPS或RF采樣ADC供電:開關與LDO" ,ADI公司,2015年11月。
Limjoco、Aldrick、Patrick Errgy Pasaquian和Jefferson Eco。 "Silent Switcher µModule穩壓器為GSPS采樣ADC提供低噪聲供電,并節省一半空間" ADI公司,2018年10月。
Eco, Jefferson和Aldrick Limjoco。"鐵氧體磁珠揭秘" 模擬對話,第50卷第1期,2016年2月。
Umesh Jayamohan。 "高速ADC電源域非常見問題解答" 模擬對話,第52卷第2期,2018年5月。
免責聲明:本文為轉載文章,轉載此文目的在于傳遞更多信息,版權歸原作者所有。本文所用視頻、圖片、文字如涉及作品版權問題,請聯系小編進行處理。
推薦閱讀:




