【導讀】近年來,為了進一步改善全球節能,全球監管機構提出了新的效率標準。隨著美國能源部(DOE)出臺的一系列新要求,制造商必須提高現有獨立電源產品的效率以達到DOE VI級標準,才能在美國市場銷售。此外,制造商還需要設計符合其它能源規格的產品,例如歐盟CoC V5Tier2規格。
為了提高交流轉直流適配器的效率,將輸出續流肖特基二極管換成基于MOSFET的同步整流控制器(SR)時通常可提升2?3%或者更高的效率。還有發現使用SR有助于節省二極管散熱片成本和人工組裝的成本,設計人員還可以使用更便宜的初級MOSFET或者更細的輸出線纜來節省成本,且依然能達到目標效率。
因篇幅所限,本文無法涉及SR設計的全部細節,而精選了幾個在工程師設計同步整流電路時一些實際的話題用以討論。
SR的連續導通模式(CCM)
在圖1中,反激式SR控制器用于驅動AC / DC適配器中的次級MOSFET開關。這里,反激控制器可以在臨界導通模式(CrM),連續導通模式(CCM)或斷續導通模式(DCM)下運行。

圖1:快速充電器中使用的反激式電源的典型框圖
適配器在啟動或滿載的狀態下是以CCM模式運行,在主開關試圖導通時,SR開關中的電流被設置不能降至零。因此,需要防止初級側到次級側的擊穿而導致高壓尖刺和潛在損壞,而因此需要快速地關閉SR。MPS的解決方案是調整SR開關VG電壓來保持MOSFET的VDS恒定。隨著在CCM模式期間電流的下降,驅動器的VG電壓也隨之下降,直到MOSFET運行在線性工作區(見圖3)。因此,當電壓最終反向時,驅動器會基于很低的VG電壓來快速關斷,以此來確保在CCM模式下安全運行。因為它不受線路的輸入條件的影響,因此這是一種穩定的控制方法。此外,通過最大化SR MOSFET的導通時間和最小化體二極管導通時間,可確保最佳的效率。MPS的SR控制器不僅可以支持CCM模式,還可以支持DCM和CrM模式。

圖2:CCM模式下初級和次級電流波形
有關MPS的CCM兼容模式下的SR設計和操作的詳細說明,請參閱AN077應用筆記。1.
在CCM模式下和CrM模式下MOSFET封裝電感的影響
次級電流切換時總會有一些開關上升/下降時間(如圖2所示),由輸入/輸出,變壓器匝數比和電感來決定。MOSFET封裝電感也會影響次級電流的關斷。
隨著次級電流開始改變極性并關斷(圖4中的t1),MOSFET封裝電感(Ls)會在檢測到的Vds上產生瞬時電壓,如公式(1)和公式(2)所示:
其中,dc是DC平均輸入, n 是變壓器匝數比,Ls 是漏感。

圖3:MPS SR控制器操作原理
對于采用TO220封裝的MOSFET,封裝電感在100kHz頻率時可高達6.4nH,而Vlk可以高達幾百mV,達到SR控制器的關斷閾值,使SR控制器關斷門極( 從t1開始)。由于t1關斷時間相對較早,因此稍高的封裝電感有助于防止擊穿,特別是在深CCM條件下。
對于各種電路設計,我們可能會在CCM模式中看到不同的關斷波形(參見圖4a和圖4b)。如圖4a,電流降至零,但SR并未完全關閉。因此,交叉傳導可能發生并會反映在反向電流中。而相對最佳的設計是SR能夠在次級電流變為零(t2)之前關閉,如圖4b。更值得關注的是,如圖4c中所示,在CrM模式中,當副邊電流幾乎為零時,SR控制器隨之關斷,這意味著總是存在一個反向電流dI / dt * Toff。
當MOSFET的封裝電感非常小時(例如QFN或SOIC封裝),SR門極相對關斷會更延遲。即使在Vds調節控制下降低Vg,反向電流仍然大于具有較高封裝電感的MOSFET。這與主題1中介紹的Vds控制無關。
<p下面列出了一些改進選項,這些選項可以在同一應用中組合使用。
● 選擇Qg非常低的SR MOSFET(以加速關斷)。
在SR MOSFET上增加一個RC snubber 吸收電路(以吸收反向電壓尖峰)。使用具有高關斷電流的SR控制器。增加變壓器漏感以減慢關斷時的次級電流dI / dt(但會導致更高的初級MOSFET電壓尖峰)減緩初級MOSFET導通時的上升斜率(損失效率)。使用具有較高Vds控制電壓的SR控制器(圖2中使用MPS的MP6902為70mV)。在較高的Vds控制電壓情況下,MOSFET可以進入更深的線性區,在開關關斷之前Vg就達到很低的水平,從而快速關閉。
振鈴—優點與缺點
當MOSFET導通和關斷時,PCB布局和系統中產生的離散電感與元器件中的寄生電容會導致一些振鈴。如果不能適應振鈴造成的影響,輕則可能會使效率降低,重則會導致一些致命的問題。
振鈴引起的問題如圖4所示。當次級電流下降到零時,初級開關電壓Vds在變壓器的主電感和MOSFET Cds之間會產生諧振,這個諧振電壓會折射到次級側。通常,這個諧振谷值不應該會接觸到地平面,但有時諧振谷值可能會下降到SR的導通閾值。這可能是因為諸如原邊RCD緩沖器中二極管的反向恢復等因素引起的。
由于Vds電壓諧振的斜率總是遠低于實際開關關斷的斜率(得益于較大感量的主電感),因此MPS的MP6908使用獨特的可調斜率引腳來幫助確定何時副邊MOS真正關斷,以及何時是正常的Vds電壓諧振(如圖4所示)。

圖4:在消磁振鈴期間潛在錯誤開啟的SR波形
根據實際需要更換肖特基二極管
雖然SR的優勢已經被廣泛接受,但將肖特基二極管的設計改為使用SR驅動器和MOSFET的設計方案,仍然需要在BOM中增加許多元器件,并需要重新認證等工作。
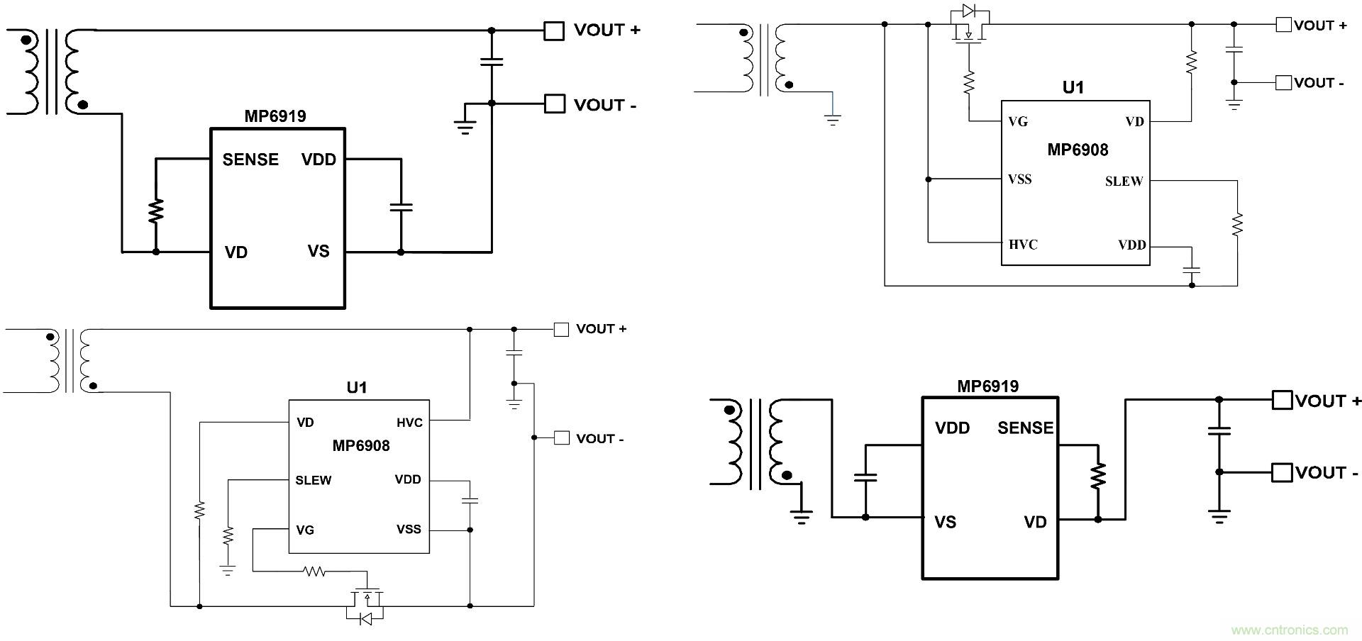
另一種解決方案是將SR MOSFET集成到SR驅動器IC內部,創建緊湊的封裝來替換肖特基二極管,而不需要對變壓器進行任何更改,這個全新的設計使BOM變化最小(見圖5)。這種解決方案被稱為理想二極管方案。
MPS新型理想二極管的優點如下:
● 最小的BOM和電路板空間。
● 在高側或低側無需輔助繞組即可直接更換肖特基二極管。
● 優化的集成門極驅動器。
● 針對不同的功率等級和額定電壓優化MOSFET。
● 靈活的SMT和通孔封裝選項。
為什么MPS MP6908是適用于實際SR控制設計的選擇?
MP6908是MPS最新的SR控制IC,而且未來將有一系列基于MP6908控制器創建的理想二極管方案。該控制器IC的一些主要功能包括:
● 不需要用于高側或低側整流的輔助繞組。
● 支持DCM,準諧振和CCM運行模式。
支持低至0V的寬輸出范圍(即使輸出短路時,SR保持供電,短路電流也不會通過MOSFET的體二極管流通)。振鈴檢測可以防止錯誤導通。超高速15ns傳播延遲和30ns關斷延遲。

圖5: MP6908控制器和低側和高側的理想二極管應用電路
總結
本文介紹了與實際工程情況相關的同步整流器(SR)設計。通過更多地了解終端應用,MPS能夠定義和創建更好的SR控制IC。
1 MPS MP6902 Application note: http://www.monolithicpower.com/pub/media/document/AN077_r1.0.pdf?utm_source=mps&utm_medium=article&utm_campaign=content
2 https://www.fairchildsemi.com/application-notes/AN/AN-4147.pdf
免責聲明:本文為轉載文章,轉載此文目的在于傳遞更多信息,版權歸原作者所有。本文所用視頻、圖片、文字如涉及作品版權問題,請聯系小編進行處理。
推薦閱讀:



