【導讀】在《模擬對話》2017年12月文章中介紹SMUADALM1000之后,我們希望進行一些小的基本測量,這是ADALM1000系列的第三部分。本實驗活動的目的是通過獲得給定電路的戴維寧等效電壓(VTH)和戴維寧等效電阻(RTH)來驗證戴維寧定理,然后驗證最大功率傳輸定理。

圖1. ADALM1000原理圖。
現在我們開始下一個實驗。
目標
本實驗活動的目的是通過獲得給定電路的戴維寧等效電壓(VTH)和戴維寧等效電阻(RTH)來驗證戴維寧定理,然后驗證最大功率傳輸定理。
背景知識
利用戴維寧定理可以將一個復雜電路簡化為由一個電壓源(VTH)與一個電阻(RTH)和負載電阻(RL)串聯組成的等效電路。創建戴維寧等效電路之后,很容易確定負載電壓VL或負載電流IL。
戴維寧定理的主要用途之一是用一個簡單的等效電路替換一個電路的很大一部分,通常是較復雜且意義不大的部分。相比于更復雜的原始電路,利用新的更簡單電路可以快速計算出輸送給負載的電壓、電流和功率。該定理還有助于選擇負載(電阻)的最佳值以實現最大功率傳輸。

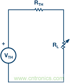
圖2. 圖1的戴維寧等效電路。
最大功率傳輸定理是指,一個獨立電壓源與一個電阻RS串聯,或一個獨立電流源與一個電阻RS并聯,當負載電阻RL = RS時,輸送給RL的功率最大。
就戴維寧等效電路而言,當負載電阻RL等于電路的戴維寧等效電阻RTH時,輸送給RL的功率最大。

圖3. 最大功率傳輸。
材料
● ADALM1000 硬件模塊
● 各種電阻(100 Ω、330 Ω、470 Ω、1 kΩ 和1.5 kΩ)
程序
1. 驗證戴維寧定理:
a. 利用下列元件值構建圖2 所示電路:
● R1 = 330 Ω
● R2 = 470 Ω
● R3 = 470 Ω
● R4 = 330 Ω
● R5 = 1 kΩ
● RL = 1.5 kΩ
● RS = 5 V
b. 使用ALM1000 電壓表工具精確測量負載電阻兩端的電壓VL。使用電壓表工具,將通道CA 連接到VL 的正端,將通道CB連接到負端。VL 將是CA 電壓與CB 電壓之差。該值稍后將與您使用戴維寧等效電路得出的值進行比較。
c. 測出VTH:移除負載電阻RL,測量端子上的開路電壓VOC。使用電壓表工具,將通道CA 連接到VOC的正端,將通道CB 連接到負端。VOC將是CA 電壓與CB 電壓之差。它等于VTH。參見圖4。

圖4. 測量戴維寧電壓。
d. 測出RTH:移除電源電壓VS 并構建圖5 所示電路。使用ALM1000 歐姆表工具測量原先RL所在開口處的電阻。這就是RTH。使用歐姆表進行測量之前,確保沒有電源施加到電路上,并且接地連接已按照圖示移動。

圖5. 測量戴維寧電阻RTH。
e. 獲得VTH 和RTH 之后,構建圖2 所示電路。利用零件箱中電阻的串聯和/ 或并聯組合得到RTH 的值。使用儀表源工具,連接通道CA 以提供VTH源,并將該值設置為步驟c 中測量的VTH值。

圖6. 戴維寧等效結構。
f. RL 設置為步驟b 中使用的1.5kΩ,測量等效電路的VL,并將其與步驟b 中獲得的VL 進行比較,由此驗證戴維寧定理。
g. 可選步驟:設置RL = 2.2kΩ,重復步驟1b 至步驟1f。
2. 驗證最大功率傳輸定理:
利用下列值構建圖7 所示電路:
● VS = 5 V
● R1 = R2 = 470 Ω
● R3 = 1 kΩ
● RL = 1 kΩ 和100 Ω 電阻的組合(圖8)

圖7. 驗證最大功率定理的電路。
b. 使用電壓表工具,將通道CA 連接到VL 的正端,將通道CB連接到RL 的負端。VL 將是CA 電壓與CB 電壓之差。
c. 為找到傳輸最大功率的RL 值,構建1 kΩ 和100 Ω 的串/ 并聯組合,以100 Ω 步進將負載電阻RL 從500 Ω 改變到1400 Ω,如圖8 所示。對于每個RL 值,記下VL。

圖8. RL配置。
d. 使用PL = VL²/RL 計算每個負載電阻值對應的功率。然后在測量結果之間進行插值,以計算對應于最大功率(PL-max) 的負載電阻值。該值應等于圖7 中電路的RTH(相對于負載端子)。
問題
1. 對圖2 電路使用分壓,計算VL。將其與測量值進行比較。解釋為何存在差異。
2. 計算傳輸到圖3 電路所獲得的負載RL的最大功率。
您可以在學子專區博客上找到問題答案。
注釋
與所有ALM實驗室一樣,當涉及與ALM1000連接器的連接和配置硬件時,我們使用以下術語。綠色陰影矩形表示與ADALM1000模擬I/O連接器的連接。模擬I/O通道引腳被稱為CA和CB。當配置為驅動電壓/測量電流時,添加-V,例如CA-V;當配置為驅動電流/測量電壓時,添加-I,例如CA-I。當通道配置為高阻態模式以僅測量電壓時,添加-H,例如CA-H。
示波器跡線同樣按照通道和電壓/電流來指稱,例如:CA-V和CB-V指電壓波形,CA-I和CB-I指電流波形。
對于本文示例,我們使用的是ALICE 1.1版軟件。
文件:alice-desktop-1.1-setup.zip。請點擊此處下載。
ALICE桌面軟件提供如下功能:
● 雙通道示波器,用于時域顯示和電壓/ 電流波形分析。
● 雙通道任意波形發生器(AWG) 控制。
● X 和Y 顯示,用于繪制捕捉的電壓/ 電流與電壓/ 電流數據,以及電壓波形直方圖。
● 雙通道頻譜分析儀,用于頻域顯示和電壓波形分析。
● 波特圖繪圖儀和內置掃描發生器的網絡分析儀。
● 阻抗分析儀,用于分析復雜RLC 網絡,以及用作RLC 儀和矢量電壓表。
● 一個直流歐姆表相對于已知外部電阻或已知內部50 Ω 電阻測量未知電阻。
● 使用ADALP2000 模擬器件套件中的AD584 精密2.5 V 基準電壓源進行電路板自校準。
● ALICE M1K 電壓表。
● ALICE M1K 表源。
● ALICE M1K 桌面工具。
注:需要將ADALM1000連接到您的PC才能使用該軟件。
免責聲明:本文為轉載文章,轉載此文目的在于傳遞更多信息,版權歸原作者所有。本文所用視頻、圖片、文字如涉及作品版權問題,請聯系小編進行處理。
推薦閱讀:


