【導讀】如果您尚未駕駛過電動汽車(EV),包括混合動力電動汽車(HEV)、插電式混合動力汽車(PHEV)和全電動汽車,那么很可能您就快要開上了。里程焦慮已成為過去?,F在,您可以幫助保護環境,而不必擔心陷在其中。世界各地的政府都提供了慷慨的財政激勵措施以抵消電動汽車的高價,希望能夠引導消費者不購買內燃機(ICE)汽車。有些政府已采取措施強制汽車制造商制造和銷售電動汽車,希望市場最終由電動汽車主導,而有些政府則制定了更明確的目標。例如,德國已經努力推動在2030年之前禁止ICE汽車。
電動汽車
如果您尚未駕駛過電動汽車(EV),包括混合動力電動汽車(HEV)、插電式混合動力汽車(PHEV)和全電動汽車,那么很可能您就快要開上了。里程焦慮已成為過去?,F在,您可以幫助保護環境,而不必擔心陷在其中。世界各地的政府都提供了慷慨的財政激勵措施以抵消電動汽車的高價,希望能夠引導消費者不購買內燃機(ICE)汽車。有些政府已采取措施強制汽車制造商制造和銷售電動汽車,希望市場最終由電動汽車主導,而有些政府則制定了更明確的目標。例如,德國已經努力推動在2030年之前禁止ICE汽車。
在汽車的大部分歷史中,創新一直聚焦于提供舒適的用戶體驗,提高ICE的燃油燃燒效率,以及使排放物更清潔。然而,ICE汽車的最近創新的絕大部分是電子技術進步的直接結果,包括底盤系統、動力傳動系統、自動駕駛和高級駕駛員輔助系統(ADAS)、信息娛樂和安全系統的改進。EV的許多電子系統與ICE車輛相同,當然還有傳動系統本身。根據Micron Technology的數據,電動汽車價值中的電子部分高達75%,隨著半導體技術持續發展,導致各種電子模塊和子系統的成本不斷降低,該部分的價值會越來越高。甚至非傳統的汽車玩家,例如Intel®,也要分一杯羹。
毫不奇怪,在電動汽車的所有電子子系統中,制造商和消費者都特別關注電動汽車的心臟——電池系統。電池系統包括可充電電池本身——鋰離子(Li-Ion)電池是當前主流——及電池管理系統(BMS),后者旨在最大程度地提高電池使用率和安全性。ADI公司的BMS解決方案是電池監控的主流產品。ADI公司通過豐富的智能BMS IC產品系列來提升新一代EV BMS設計, LTC2949 EV電池組監控器是其最新產品。
BMS監控
BMS的主要功能是監控電池狀態,對電動汽車而言,就是監視超大電池組或電池堆。BMS通常監控單個電芯和電池組的電壓、電流、溫度、荷電狀態(SOC)、健康狀態(SOH)及其他相關功能,例如冷卻液流量。BMS除了具有明顯的安全和性能優勢外,精確監控這些參數一般還能帶來更好的駕駛體驗,讓駕駛員充分了解電池實時狀況。
為了獲致成效,BMS測量電路(例如新型LTC2949電池組監控器)必須精準快速,具有高共模電壓抑制能力,功耗低,并能與其他器件安全通信。EV BMS的其他任務包括:將能量回收到電池組中(即再生制動),平衡電芯,保護電池組免受危險電壓、電流和溫度水平的影響,以及與其他子系統(如充電器、負載、熱管理、緊急關停)通信。
汽車制造商使用多種BMS監視拓撲來滿足其對準確性、可靠性、易制造性、成本和功耗的需求。例如,圖1所示的分布式拓撲具有以下突出特點:通過本地智能實現高精度,串聯電池組提供高可制造性,以及通過低功耗SPI和isoSPI™接口進行IC間通信,實現最低功耗和高可靠性。
其中,LTC2949用于低端電流檢測配置,isoSPI通信線路與底部的電池監視器LTC6811-1 并行。為了提高可靠性,可以將第二個isoSPI收發器連接到電池組的頂部,創建一個支持雙向通信的環形拓撲,從而實現雙通道通信方案。與SPI主控制器的隔離通信通過 LTC6820 isoSPI轉SPI信號轉換器實現。ADI公司的可堆疊LTC681x系列多節電池監控器可用于測量多達6、12、15或18節串聯電芯各自的電壓,而單個LTC2949用于測量總電池堆參數。LTC681x和LTC2949共同構成一個全面的EV BMS監控解決方案;對有些人來說,該電路的更熟悉名稱是BMS模擬前端(AFE)。


圖1.采用LTC6811-1和LTC2949的分布式EV BMS監控拓撲。
LTC2949專為EV設計,是一款高精度電流、電壓、溫度、電荷、功率、電能計量器件。通過測量這些關鍵參數,系統設計人員就有了必要的數據來計算整個電池堆的實時SOC和SOH以及其他品質因數。圖2給出了用在高邊電流檢測配置中的LTC2949的框圖。這里,LTC2949采用可調浮動拓撲,因而能夠監視電壓非常高的電池堆,而不受其自身的14.5 V電壓額定值的束縛。LTC2949的電源通過 LT8301 隔離反激式轉換器提供,VCC連接到電池正極。

圖2.高邊電流檢測配置中LTC2949浮動EV電池監控器的典型連接。LTC2949的電源由LT8301反激式轉換器提供,VCC連接到電池正極。
超越模擬
駕駛員會喜歡LTC2949的數字輸出和精度,而系統設計人員會喜歡LTC2949的模擬性能以及將其無縫集成到幾乎所有EV BMS中的能力。LTC2949的核心是五個軌到軌、低失調、Σ-Δ ADC,可確保精確測量電壓。在這五個ADC中,兩個20位ADC可用來測量兩個檢測電阻上的電壓(如圖2所示),并以令人吃驚的0.3%精度推斷出流過兩個獨立電源軌的電流。LTC2949具有小于1 µV的失調電壓,而且能提供異常高的動態范圍。同樣,電池堆的總電壓測量可達18位和0.4%的精度。兩個專用功率ADC檢測分流和電池堆電壓輸入,產生精度為0.9%的功率讀數。最后一個15位ADC可用來測量多達12個輔助電壓,方便與外部溫度傳感器或電阻分壓器一起使用。利用內置多路復用器,LTC2949可在12個緩沖輸入的任何一對之間以0.4%的精度執行差分軌到軌電壓測量。
為了簡化設置,LTC2949的五個ADC形成三個數據采集通道。每個通道可以根據應用需要配置為兩種速度之一,如表1所示。例如,可以使用兩個通道監視單個分流電阻:一個通道用于慢速(100 ms)高精度電流、功率、電荷和電能測量;另一個用于快速(782μs)電流快照,與電池堆電壓測量同步,以進行阻抗跟蹤或預充電測量?;蛘?,兩個獨立通道監視兩個不同大小的分流電阻(同樣如圖2所示),使得用戶可以平衡每個分流電阻的精度和功率損耗。同時,第三個輔助通道可以對可選的緩沖輸入進行快速測量,或者對兩個可配置輸入(堆電壓、芯片溫度、電源電壓和基準電壓)進行自動輪循(RR)測量。
表1.LTC2949三個數據采集通道的配置選項

當LTC2949的三個數據采集通道中的任何一個被配置為快速模式(782μs轉換時間和15位分辨率)時,LTC2949可以將其電池堆電壓和電流測量與任何LTC681x多節電池監控器的電池電壓測量同步,以推斷出單個電芯的阻抗、壽命和SOH。有了這些信息,就可以評估電池堆壽命,因為最弱的電芯最終決定整個電池堆的SOH。
SOH是在電池(或電池堆)生命周期的某一時刻對其狀況(相對于新電池)的測量,因此使用精確的EV BMS監控器很重要,這不僅是為了最大程度地延長行駛里程,也是為了最大程度地減少電池意外故障。說到電池壽命,LTC2949在開啟時僅消耗16 mA電流,而在睡眠時僅消耗8 µA電流。
數字優勢
LTC2949的數字特性包括一個過采樣乘法器和累加器,產生18位的功率值和48位的電能與電荷值,報告最小值和最大值以及基于用戶自定義限值的警報。這就免除了BMS控制器和總線不斷輪詢LTC2949以獲得電壓和電流數據的任務,而且免除了基于結果執行計算的額外任務。LTC2949以過采樣ADC時鐘速率(預抽取濾波器)進行功率采樣,而不是乘以平均值,故而在電流和電壓變化遠超其轉換速率的情況下可以準確測量功率,信號頻率最高可達50kHz。
LTC2949跟蹤電流、電壓、功率和溫度數據的最小值和最大值,所以總線和主機可以將時鐘周期花在其他任務上,而不用持續輪詢LTC2949。除了檢測并存儲最小值和最大值之外,LTC2949還可以在超出用戶自定義閾值時發出警報,這同樣會免除主機控制器和總線的輪詢任務。在提供指定的電能或電荷量之后,或者經過預設的時間量之后,LTC2949也能產生溢出警報。
為確保監控精度,LTC2949提供了多個可編程增益校正因子來補償測量器件的容差:兩個校正因子用于分流電阻、一個電池分壓器和四個多路復用輸入。這些校正因子可以存儲在外部EEPROM中,支持通過模塊化方法對電池組進行出廠校準。此外,LTC2949可以線性化最多兩個外部NTC熱敏電阻的溫度讀數,即通過求解帶可編程系數的Steinhart-Hart方程;這些讀數隨后可用于對分流電阻讀數進行自動溫度補償。通過持續補償容差和溫度影響,不僅可以提高監測精度,而且可以使用成本較低的外部器件。
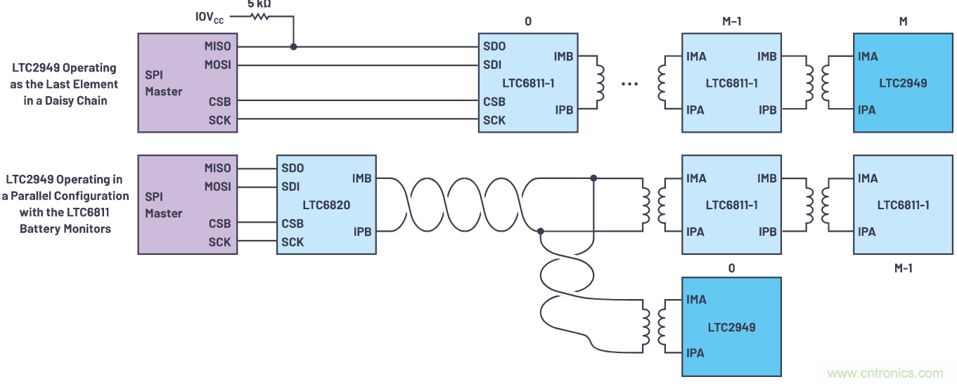
LTC2949上有一個標準SPI接口用于直接連接MCU。另外還有ADI公司專有的isoSPI接口。isoSPI對標準芯片級SPI的物理層進行了調適,以充分發揮經濟高效的分布式電池組架構的潛力。isoSPI針對高電壓和高噪聲系統而設計,可在長達100米的電纜上提供高達1 Mbps的安全可靠的信息傳輸,僅使用單根雙絞線電纜和簡單的脈沖變壓器。isoSPI還比其他板載隔離解決方案便宜。圖3顯示了LTC2949如何利用isoSPI,其與LTC6811-1一起用作菊花鏈或可尋址并行配置中的最后一個元件。

圖3.LTC2949 isoSPI配置
結論
電動汽車漸成主流,大規模應用的拐點已經到來。為了保持競爭力,系統設計人員需要密切關注電池和BMS技術,這些技術會深刻影響終端用戶的體驗。LTC2949是ADI公司在BMS監控領域的最新嘗試,它能輕松應對多種電池堆監控拓撲和配置。在幾乎任何電壓和任何電流水平下,LTC2949都能實現高性能、安全、靈活、可靠的電池管理系統。通過準確讀取電流、電壓、功率、電能、電荷、溫度和時間,可以立即獲得對電池SOH和SOC的精確評估。LTC2949除具有強大的模擬能力外,還能對可用數字輸出進行高速處理。關鍵的最小值、最大值和警報可以測量、計算并通過魯棒的isoSPI接口報告給LTC2949。因此,對主機資源、總線設計和測試以及軟件設計的要求得以降低。該器件的一些數字特性包括乘法器、累加器、最小值/最大值寄存器、可配置的警報以及外部器件容差/溫度補償。LTC2949設計為獨立工作或與任何LTC681x多節電池監控器配合使用,在滿足嚴格的AEC-Q100準則和ISO 26262安全標準的同時,滿足了對下一代EV BMS的迫切需求。
推薦閱讀:



