【導讀】在電動汽車和工業自動化的蓬勃發展的推動下,我們已經看到 用于監視系統性能的高壓和交流連接電子設備的數量有所增加。通常可以使用電流傳感器來滿足該需求,該電流傳感器用于測量系統以及隨后控制系統。

電流傳感器用于控制外部電路的示例。圖片由德州儀器(TI)提供
但是,現代電流傳感器仍然在成本,精度和隔離度之間表現出一定的權衡—在為他們的設計選擇最實用的設備時,工程師會做出一系列艱難的決定。
01 電流傳感器類型:開環和閉環
電流傳感器有許多不同的配置,但它們都可以歸結為兩種形式:開環和閉環。這兩種配置均取決于磁場的操縱,特別是利用霍爾效應(因此稱為霍爾效應傳感器)。
開環傳感器通常由置于磁芯間隙中的霍爾傳感器組成。所需的電流會產生一個磁場,該磁場被鐵心集中并由霍爾傳感器測量。這些傳感器非常便宜,但缺乏準確性。
開環傳感器不準確的主要原因之一是漂移。漂移可以是熱漂移,也可以是時間漂移。熱漂移表示由于環境溫度的變化而引起的設備正常操作行為的變化,而 時間漂移表示由于設備中與年齡相關的變化而引起的行為變化。

該圖顯示了開環傳感器。圖片由Digi-Key和Honeywell提供
另一方面,閉環傳感器利用具有高環路增益的反饋網絡來防止由于設備變化(即熱漂移)而引起的誤差。它們具有快速響應,高線性度和高抗電噪聲能力,但價格相對昂貴。由于這些原因,經常在要求高精度的應用中選擇閉環傳感器。
02 工程師如何應對漂移
工程師可以減輕開環傳感器中漂移的影響,以實現高精度,低成本的電流傳感器。當前采用了一些技術。
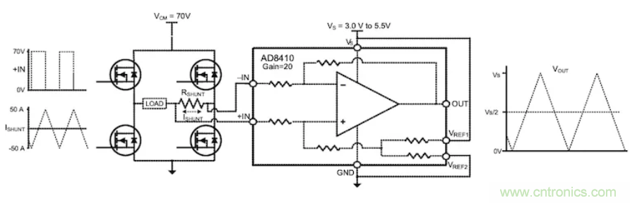
這些技術之一是使用集成了精確匹配的電阻性增益網絡的電流檢測放大器,該網絡將使增益誤差的溫度漂移效應最小化。

ADI公司的電流檢測放大器(AD8410)示例,以降低漂移效應。圖片由Analog Devices提供
據麻省理工學院的吉姆·愛爾蘭說,另一種技術是考慮漂移并相應地校準結果。本質上,如果人們可以理解特定傳感器中的漂移,則可以對其進行校正。
03 TI的“零漂移”霍爾效應電流傳感器
TI宣布了他們的“ 業界首款零漂移霍爾效應電流傳感器”。據說,即使在溫度變化和設備老化的影響下,這些新芯片TMCS1100和TMCS1101仍可提供高性能。

TMCS1100磁電流傳感器芯片。圖片由德州儀器(TI)提供
這些要求得到0.45%的總最大熱漂移和0.5%的壽命靈敏度漂移的支持。TI聲稱這些數字分別比其他磁電流傳感器低200%和100%。
04 零漂移開門
如今,對電流測量設備的監視和控制電氣系統有很多需求,希望能夠防止故障。擁有像新的德州儀器(Texas Instruments)霍爾效應電流傳感器這樣的更精確的開環傳感器,將有可能檢測出較小水平的性能變化,從而對系統性能有更深入的了解。
該消息極大地改善了電流檢測精度,并有望在將來幫助改善系統性能,保護和成本。
推薦閱讀:




