【導讀】當放大器發生外部過壓狀況時,ESD二極管是放大器與過電應力之間的最后防線。正確理解ESD單元在一個器件中是如何實現的,設計人員就能通過適當的電路設計大大擴展放大器的生存范圍。本文旨在向讀者介紹各種類型的ESD實現方案,討論每種方案的特點,并就如何利用這些單元來提高設計魯棒性提供指南。
引言
有許多應用的輸入不受系統控制,而是連接到外部世界,例如測試設備、儀器儀表和某些檢測設備。對于此類應用,輸入電壓可能會超過前端放大器的額定最大電壓,因而必須采用保護方案來維持設計的使用范圍和魯棒性。前端放大器的內部ESD二極管有時會用來箝位過壓狀況,但為了確保這種箝位能夠提供充分可靠的保護,需要考慮許多因素。了解前端放大器內部的不同ESD二極管架構,以及具體保護電路的熱影響和電子遷移影響,有助于設計人員解決保護電路相關的問題,并提高其在現場的使用壽命。
ESD二極管配置
應當明白,并非所有ESD二極管都是連接到電源和地的簡單二極管箝位。有許多可能的方案可以采用,例如:多個二極管串聯、二極管和電阻、背靠背二極管等。下面介紹一些較為常見的方案。
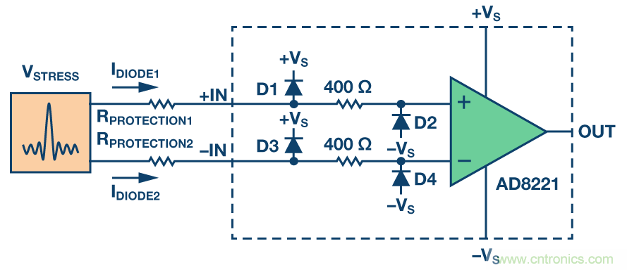
連接到電源的二極管
圖1顯示了一個放大器實例,二極管連接在輸入引腳和電源之間。在正常工作條件下,二極管反偏,但當輸入高于正電源電壓或低于負電源電壓時,二極管變為正偏。當二極管變為正偏時,電流經過放大器的輸入端流至相應的電源。
對于圖1所示電路,當過壓超過+Vs時,放大器本身不會限制輸入電流,需要外部增加串聯電阻來限流。當電壓低于–Vs時,400 Ω電阻會起到一定的限流作用,設計時應當納入考慮中。

圖1. AD8221的輸入ESD拓撲結構
圖2顯示了一個具有相似二極管配置的放大器,但在本例中,電流受內部2.2 kΩ串聯電阻的限制。它與圖1所示電路的區別不僅在于限流電阻R的值,還在于2.2 kΩ可保護電路不受+Vs以上電壓的影響。這個例子復雜難懂,務必充分了解以便在使用ESD二極管時優化保護。

圖2. AD8250的輸入ESD拓撲結構
限流JFET
與圖1和圖2中的方案不同,IC設計可以使用限流JFET代替二極管箝位。圖3顯示了一個例子,當輸入電壓超過器件的額定工作范圍時,JFET被用來保護器件。JFET輸入使該器件自身就能耐受相反供電軌的最高40 V電壓。由于JFET會限制流入輸入引腳的電流,因此ESD單元無法用作額外的過壓保護。
當需要最高40 V的電壓保護時,此器件的JFET保護可提供嚴格受控的、可靠的、完全明確的保護方案。這常常與使用ESD二極管的保護方案相反,后者關于二極管限流的信息常常指定典型值,甚至完全不明確。

圖3. AD8226的輸入保護方案
二極管堆疊
在允許輸入電壓超過電源電壓或地的應用中,可以使用二極管堆疊來防止輸入受ESD事件的影響。圖4所示的放大器就是采用堆疊二極管保護方案。該配置使用二極管串來防范負瞬變。在可用輸入范圍內,二極管串用于限制漏電流,但當超過負共模范圍時,它就會提供保護。記住,二極管串的等效串聯電阻是唯一的限流措施。對于給定電壓,可使用外部串聯電阻來降低輸入電流。

圖4. AD8417的低端輸入保護方案
背靠背二極管
當允許輸入電壓范圍超過電源電壓時,也可使用背靠背二極管。圖5所示的放大器采用背靠背二極管來為器件提供ESD保護,采用3.3 V電源供電時,其允許電壓最高達到70 V。D4和D5是高壓二極管,用于應對輸入引腳上可能存在的高電壓;當輸入電壓在正常工作范圍以內時,D1和D2用于防止漏電流。在這種配置中,不建議使用這些ESD單元來提供過壓保護,因為若超過高壓二極管的最大反偏電壓,很容易造成器件永久損壞。

圖5. AD8418的高端輸入保護方案
無ESD箝位
某些器件的前端沒有ESD器件。很顯然,如果沒有ESD二極管,設計人員當然無法將其用于箝位。之所以提到這種架構,是因為在研究過壓保護 (OVP) 時,需要注意這種情況。圖6所示的器件僅使用大阻值電阻保護放大器。

圖6. AD8479的輸入保護方案
ESD單元用于箝位
除了解ESD單元如何實現之外,還必須知道如何利用這些結構提供保護。典型應用使用串聯電阻來限制額定電壓范圍內的電流。
當放大器配置為圖7所示時,或者輸入受連接到電源的二極管保護時,輸入電流限值可利用以下公式計算。


圖7. ESD單元用于箝位
公式1用到一個假設,即VSTRESS > VSUPPLY。若非如此,應測得更精確的二極管電壓并將其用于計算,而不要使用0.7 V的近似值。
下面是一個計算實例,其中放大器采用±15 V電源供電,要防范的輸入過壓高達±120 V,輸入電流限制在1 mA。根據公式1,我們可以使用這些輸入進行計算:

根據上述要求,RPROTECTION > 105 kΩ可將二極管電流限制在 1 mA以下。
了解限流
IDIODE最大值隨器件而不同,它還取決于施加過壓的特定應用情形。持續數毫秒的一次性事件,與在應用的全部20年或更多年的任務壽命中持續施加電流,其最大電流將會不同。具體指導值可在放大器數據手冊的絕對最大值部分或應用筆記中找到,通常在1 mA至10 mA范圍內。
故障模式
具體保護方案的最大電流額定值最終要受兩個因素的限制: 二極管功耗的熱影響和電流路徑的最大電流額定值。功耗應保持在閾值以下,使工作溫度始終處于有效范圍;所選電流應在額定最大值范圍內,以免電子遷移引起可靠性問題。
熱影響
當電流流入ESD二極管時,二極管的功耗會引起溫度升高。多數放大器數據手冊指定了熱阻(通常指定?JA),它顯示了結溫升幅與功耗的關系。考慮最差情況下的應用溫度,以及功耗引起的最壞溫度升幅,可以判斷保護電路是否有效。
電子遷移
即使電流不引起熱問題,二極管電流也可能造成可靠性問題。由于電子遷移,任何電氣信號路徑都有一個最大壽命電流額定值。二極管電流路徑的電子遷移電流限值通常受與二極管串聯的內部走線的厚度限制。放大器制造商不一定會發布此信息,但若二極管長時間工作(而不是工作很短時間),就需要予以考慮。
舉個例子,當放大器監控(因而連接到)一個獨立于其自身供電軌的電壓軌時,電子遷移便可能是一個問題。當存在多個電源域時,可能會發生因電源時序問題而引起電壓暫時超過絕對最大條件的情況。考慮最差情況下的電流路徑和在整個使用壽命中以此電流工作的持續時間,并了解電子遷移的最大允許電流,便可避免電子遷移引起可靠性問題。
結論
了解放大器內部ESD二極管如何在過電應力期間激活,有助于輕松提高設計的魯棒性。研究保護電路的熱影響和電子遷移影響,可以凸顯潛在的問題并顯示是否需要額外的保護。考慮本文提出的條件可以讓設計人員作出明智選擇,避免在現場發生魯棒性問題。
推薦閱讀:





