【導讀】電磁輻射 (EMR)、電磁干擾 (EMI) 和電磁兼容性 (EMC)是涉及來自帶電粒子的能量以及可能干擾電路性能和信號傳輸的相關磁場的術語。隨著無線通信的激增,通信裝置不計其數,再加上越來越多的通信方法 (包括蜂窩、Wi-Fi、衛星、GPS 等) 使用的頻譜越來越多(有些頻帶相互重疊),電磁干擾成了客觀存在的事實。
為了減輕此影響,許多政府機構和監管組織對通信裝置、設備和儀器可發射的輻射量設定了限制。這類規范的示例之一是 CISPR 16-1-3,它涉及無線電干擾和抗擾度測量設備和測量方法。
根據其特征,電磁干擾可分為傳導干擾(通過電源傳輸)或輻射干擾(通過空氣傳輸)。開關電源會產生兩種類型的干擾。ADI為減少傳導干擾和輻射干擾實施的一項技術是擴頻頻率調制(SSFM)。
該技術用于我們一些基于電感和電容的開關電源、硅振蕩器和 LED 驅動器,將噪聲擴展到更寬的頻帶上,從而降低特定頻率下的峰值噪聲和平均值噪聲。
SSFM 不允許發射能量在任何接收器的頻帶中停留過長時間,從而改善了EMI。有效SSFM的關鍵決定因素是頻率擴展量和調制速率。對于開關穩壓器應用來說,典型擴展量為 ±10%,最佳調制速率取決于調制方式。SSFM 可采用各種頻率擴展方法,例如使用正弦波或三角波調制時鐘頻率。
調制方法
大多數開關穩壓器都會呈現與頻率相關的紋波:開關頻率越低則紋波越多,開關頻率越高則紋波越少。因此,如果對開關時鐘進行頻率調制,則開關穩壓器的紋波將呈現幅度調制。如果時鐘的調制信號是周期性的 (例如正弦波或三角波),則將呈現周期性的紋波調制,而且在調制頻率上存在一個明顯的頻譜分量 (圖 1)。

圖 1. 由時鐘的正弦波頻率調制引起的開關穩壓器紋波圖解
由于調制頻率遠低于開關穩壓器的時鐘頻率,因此可能難以濾除。由于下游電路中的電源噪聲耦合或有限的電源抑制,這可能導致可聽音或明顯的偽像等問題。偽隨機頻率調制能夠消除這種周期性紋波。采用偽隨機頻率調制時,時鐘以偽隨機方式從一個頻率轉換到另一個頻率。由于開關穩壓器的輸出紋波由類噪聲信號進行幅度調制,因此輸出看似沒有進行調制,而且下游系統的影響可以忽略不計。
調制量
隨著 SSFM 頻率范圍的增加,帶內時間的百分比減少。從下方圖 2 中可以看到,與單個未調制的窄帶信號相比,調制頻率呈現為寬帶信號而且峰值降低 20 dB。如果發射信號不常進入接收器的頻帶而且停留的時間很短 (相對于其響應時間),則可以顯著降低 EMI。例如,在降低 EMI 方面,±10% 的頻率調制比±2% 的頻率調制有效得多。不過,開關穩壓器所能容許的頻率范圍是有限的。一般來說,大多數開關穩壓器都能輕松容忍±10% 的頻率變化。

圖 2. 擴頻調制在更寬的時鐘頻帶內產生更低的峰值能量
調制速率
與調制量類似,對于某個給定的接收器,隨著頻率調制速率的增加 (跳頻速率),給定接收器的 EMI 處于帶內的時間將減少,因此 EMI將降低。然而,開關穩壓器所能跟蹤的頻率變化速率(dF/dt) 具有一個限值。其解決方案則是找出那個不影響開關穩壓器輸出調節性能的最高調制速率。
測量 EMI
測量 EMI 的典型方法為峰值檢測、準峰值檢測或平均值檢測。對于這些測試而言,適當地設置測試設備的帶寬,以反映實際目標帶寬并確定 SSFM 的有效性。在進行頻率調制時,檢測器會隨著發射掃描整個檢測器的頻帶而進行響應。當檢測器的帶寬相較于調制速率較小時,檢測器的有限響應時間會導致 EMI 測量值衰減。
相反,檢測器的響應時間不會影響固定頻率發射,從而不會觀測到 EMI 衰減。峰值檢測測試顯示通過SSFM得到的改善直接對應于衰減量。準峰值檢測測試還可以顯示進一步的 EMI 改善,因為它包括了占空比的影響。具體而言,固定頻率發射產生 100% 的占空比,而來自 SSFM 的占空比隨發射在檢測器頻帶內所占的時間量而減少。
最后,平均值檢測測試能夠顯示最明顯的 EMI 改善,因為它使用低通過濾峰值檢測信號,從而生成平均帶內能量。在固定頻率發射時,平均值和峰值能量相等,SSFM 則不同,它對峰值檢測能量和帶內時間量均進行衰減,從而產生更低的平均值檢測結果。許多監管測試要求系統通過準峰值和平均值兩種檢測測試。
SSFM 和接收器帶寬
無論是否啟用 SSFM,在任何時刻,開關穩壓器的峰值發射可能看起來都是相同的。這怎么可能?SSFM的有效性部分取決于接收器的帶寬。要接收瞬時的發射快照,需要無限帶寬。每個實際系統的帶寬都是有限的。如果時鐘頻率的變化快于接收器的帶寬,將顯著降低接收干擾。

圖 3. 使用啟用 SSFM 和未啟用 SSFM 的 LTC6908 開關穩壓器的輸出頻譜 (9 kHz 分辨率帶寬)
硅振蕩器中的 SSFM
LTC6909, LTC6902 和 LTC6908是具有擴頻調制的八相、四相和雙相輸出的多相硅振蕩器。這些器件通常用于為開關電源提供時鐘。多相操作有效地增加了系統的開關頻率 (因為相位表現 為開關頻率的增加),并且擴頻調制使每個器件在一定頻率范圍內開關,從而在更寬的頻帶上擴展傳導 EMI。LTC6908 具有 5 kHz至 10 MHz 的頻率范圍,提供兩個輸出,并具有兩種可選版本:
LTC6908-1 提供具有 180° 相移的兩個輸出,而 LTC6908-2 提供具有 90° 相移的兩個輸出。前者非常適合同步兩個單開關穩壓器,后者則非常適合同步兩個雙相雙開關穩壓器。
四通道LTC6902 具有 5 kHz 至 20 MHz 的頻率范圍,可編程用作等間距的雙相、三相或四相輸出。LTC6909 具有 12 kHz 至 6.67 MHz 的頻率范圍,最多可編程提供八相輸出。
為了解決上述周期性紋波問題,這些硅振蕩器使用偽隨機頻率調制。利用該技術,開關穩壓器時鐘以偽隨機方式從一個頻率轉換到另一個頻率。頻率偏移率或跳頻速率越高,開關穩壓器在給定頻率下的工作時間越短,并且對于給定的接收器間隔,EMI 在帶內的時間將越短。
但是,跳頻速率有一個限制。如果頻率以超出開關穩壓器帶寬的速率跳變,則可能會在時鐘頻率轉換邊沿發生輸出尖峰。較小的開關穩壓器帶寬會導致更明顯的尖峰。因此,LTC6908 和LTC6909 包含一個專有的跟蹤濾波器,可以實現從一個頻率到下一個頻率的平滑轉換 (LTC6902 采用一個 25 kHz的內部低通濾波器)。內部濾波器跟蹤跳頻速率,為所有頻率和調制速率提供最佳平滑性能。

圖 4. 偽隨機調制說明了 LTC6908/LTC6909 內部跟蹤濾波器的影響
對于許多邏輯系統來說,這種濾波調制信號可能是可接受的,但必須仔細考慮逐周期的抖動問題。即便使用了跟蹤濾波器,給定穩壓器的帶寬仍有可能不足以滿足高速率頻率調制的要求。為應對帶寬限制,LTC6908/LTC6909 的跳頻速率可以從默認速率 (即標稱頻率的 1/16) 降低到標稱頻率的 1/32 或 1/64。
電源中的 SSFM
開關穩壓器基于逐周期運行,以將功率傳輸到輸出。在大多數情況下,工作頻率要么是固定的,要么是基于輸出負載的常數。這種轉換方法在工作頻率 (基波) 和工作頻率的倍頻 (諧波)下產生較大的噪聲分量。
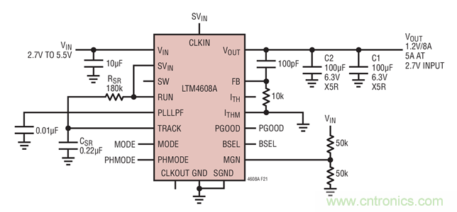
LTM4608A:具有 SSFM 的 8 A、2.7 V 至5.5 IN DC/DC µModule 降壓型穩壓器
為了降低開關噪聲,可以將 LTM4608AA 的 CLKIN 引腳連接到 SVIN (低功耗電路電源電壓引腳)以啟用擴頻功能。在擴頻模式下,LTM4608A的內部振蕩器設計用于產生時鐘脈沖,其周期在逐周期的基礎上是隨機的,但固定在標稱頻率的 70% 到 130% 之間。這有利于在一定頻率范圍內擴展開關噪聲,從而顯著降低峰值噪聲。如果 CLKIN 接地或由外部頻率同步信號驅動,則禁用擴頻操作。圖 5 顯示了啟用擴頻操作的工作電路。必須在PLL LPF 引腳上放置一個 0.01 μF 的接地電容,以控制擴頻頻率變化的壓擺率。元件值由以下公式確定:
RSR ≥ 1 / −(ln(1− 0.592/VIN)*500*CSR)

圖 5. 啟用擴頻的 LTM4608A。
LT8609 具有 SSFM 的 42 V 輸入、2 A 同步降型轉換器
LT8609是一款微功率降壓型轉換器,可在高開關頻率下保持高效率 (2 MHz 時為 93%),從而允許使用更小的外部元件。SSFM模式的操作類似于跳躍脈沖工作模式,其主要區別在于開關頻 率由 3 kHz 三角波上下調制。調制范圍的低端通過開關頻率 (由RT 引腳上的電阻設置) 設置,高端則設置為比 RT 設置的頻率高約 20%。要啟用擴頻模式,須將 SYNC 引腳連接到 INTVCC 或將其驅動到 3.2 V 和 5 V 之間的電壓。
LTC3251 / LTC3252 具有 SSFM 的電荷泵降壓型穩壓器
LTC3251/LTC3252 是 2.7 V 至 5.5 V、單路輸出 500 mA/雙路輸出250 mA 的電荷泵降壓型穩壓器,可生成時鐘脈沖,其周期在逐周期的基礎上是隨機的,但固定在 1 MHz 到 1.6 MHz 之間。圖 6和圖 7 顯示了與傳統降壓型轉換器相比,LTC3251 的擴頻特性顯著降低了峰值諧波噪聲并幾乎消除了諧波。LTC3251 提供可選的擴頻操作,而LTC3252 則始終啟用擴頻。

圖 6. 禁用 SSFM 的 LTC3251

圖 7. 啟用 SSFM 的 LTC3251
LED 驅動器中的 SSFM
LT3795:具有 SSFM 的 110 V 多拓撲 LED 控制器
對于汽車和顯示屏照明應用的 EMI 問題而言,開關穩壓器 LED 驅動器也是個麻煩。為了提高 EMI 性能, LT3795 110 V 多拓撲LED 驅動控制器集成了 SSFM。如果 RAMP 引腳上有一個電容,則會產生一個介于 1 V 和 2 V 之間的三角波。然后將該信號饋入內部振蕩器,在基頻的 70% 和基頻之間對開關頻率進行調制,基頻由時鐘頻率設置電阻 RT 設定。
調制頻率計算公式如下:
12µA/(2 • 1V • CRAMP)
圖 8 和圖 9 顯示了傳統的升壓開關轉換器電路 (將 RAMP 引腳連接到 GND) 和啟用擴頻調制的升壓開關轉換器 (RAMP 引腳上為 6.8nF) 之間的噪聲頻譜比較。圖 8 顯示了平均值傳導 EMI,圖 9 顯示了峰值傳導 EMI。EMI 測量的結果易受使用電容選擇的 RAMP 頻率的影響。1 kHz 是優化峰值測量的良好起點,但為了在特定系統中獲得整體 EMI 的最佳結果,可能需要對該值進行一些微調。

圖 8. LT3795 平均值傳導 EMI

圖 9. LT3795 峰值傳導 EMI
LT3952:具有 SSFM 的多拓撲 42 VIN, 60V/4A LED 驅動器
LT3952是一款 60 V/4 A 電源開關式、恒流、恒壓、多拓撲 LED 驅動器,提供可選的 SSFM。振蕩器頻率以偽隨機方式從標稱頻率(fSW) 變化到高于標稱值的 31%,步長為 1%。這種單向調整使LT3952只需將標稱頻率編程至其上方一點就可以避免系統中的敏感頻帶 (例如 AM 無線電頻譜)。成比例的步長允許用戶輕松確定適用于指定的 EMI 測試倉大小的時鐘頻率值 (RT 引腳),并且偽隨機方法可以從頻率變化本身提供音調抑制。
偽隨機值的更新使用 fSW/32 的速率,與振蕩器頻率成正比。該速率允許整組頻率在標準 EMI 測試停留時間內多次通過。

圖 10. LT3952 平均值傳導 EMI。
ADI 還提供許多其他產品,可以有效地利用設計技術來降低 EMI。如上所述,使用 SSFM 是其中一種技術。其他方法還包括 減緩快速內部時鐘邊沿和內部濾波。采用我們的 Silent Switcher™ 技術實現了另一種創新方法,通過布局有效降低 EMI。
LT8640
● Silent Switcher® 架構:
(1)超低 EMI / EMC 輻射
(2)擴頻調制
● 在高頻下實現高效率
(1)在 1MHz、12VIN 至 5VOUT 轉換時達 96%
(2)在 2MHz、12VIN 至 5VOUT 轉換時達 95%
● 寬輸入電壓范圍:3.4V 至 42V
● 5A 最大連續電流,7A 峰值瞬態輸出
● 超低靜態電流突發模式 (Burst Mode®) 操作:
2.5μA IQ (調節 12VIN 至 3.3VOUT)
(1)輸出紋波 < 10mVP-P
● 快速最小接通時間:30ns
● 在所有條件下均可提供低壓差:100mV (在 1A)
● 強制連續模式 (僅限 LT8640-1)
● 可在過載情況下安全承受電感器飽和
● 可調及可同步頻率范圍:200kHz 至 3MHz
● 峰值電流模式操作
● 輸出軟起動和跟蹤
● 小外形 18 引腳 3mm x 4mm QFN 封裝
LT8640是一款獨特的 42 V 輸入、微功率同步降壓型開關穩壓器,它將 Silent Switcher 技術和 SSFM 相結合以降低 EMI。因此,當您在設計中再次遇到 EMI 問題時,請務必查看我們的低 EMI 產品,以幫助您更輕松地符合 EMI 標準。
推薦閱讀:




