【導讀】555定時器,從誕生到現在,銷量過百億,電路設計從沒有大改變,可以說是歷史上最成功的芯片。
NE555雙極型時基電路(555的第一代)是1972年美國Signetics公司研制出的。設計原意是用來取代體積大,定時精度差的熱延遲繼電器等機械式延遲器。但該器件投放市場后,人們發現這種其應用遠遠超出原設計的使用范圍,用途之廣幾乎遍及電子應用的各個領域。
1974年,Signetics公司又在同一基片上將兩個雙極型555單元集成在一起,取名為NF556。
1978年,Intelsil研制成功CMOS型時基電路ICM555、1CM556,后來又推出將四個時基電路集成在一個芯片上的四時基電路556。
由于采用CMOS型工藝和高度集成,使時基電路的應用從民用擴展到火箭、導彈、衛星、航天等高科技領域。
于是,全世界各大半導體公司也競相仿制、生產,直到今日。不過,所有雙極型產品型號最后的3位數碼都是555,所有CMOS產品型號最后的4位數碼都是7555。而且,它們的功能和外部引腳排列完全相同。
在四十多年的時間里,全球的電工們,前赴后繼,用555實現了一個又一個應用電路。下面,就為大家展示555都能做什么。
555放大器電路
555可被用做放大器,工作模式非常類似于PWM。

自動窗簾關閉機

摩托車轉向信號控制
要控制兩邊的轉向信號,需要兩個電路。

雙極型LED驅動電路
這個電路能驅動交替閃動紅綠色的LED燈。

汽車轉速表
555在電路被配置成單穩態。

持續性測試儀
這個電路能探測低電阻和高電阻,并控制麥克發聲。

繼電器
當管腳2和6連接起成為輸入,芯片只需1μA來激活輸出。

白光LED串驅動

偽裝式報警器

閃光式LED

閃光式鐵路信號燈

鳴叫式警報器

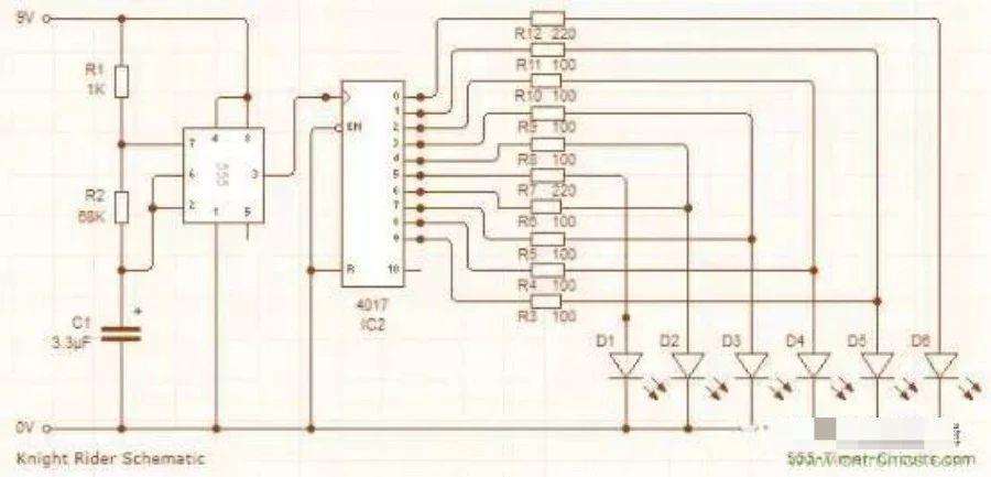
霹靂游俠戰車前燈
通過555和4017控制多路LED交替閃爍。

模擬激光器
這個電路能產生像激光槍的聲音,并以5Hz來閃爍一個白光LED。

鎖存電路

LED骰子

LED調光器
這個電路能調制一個或多個LED的亮度,范圍是5%~95%。

光探測器

機槍(能模擬機槍的聲音)

金屬探測器
這個電路能探測出金屬和磁鐵。

節拍器

音頻驅蚊器
這個電路產生的音調高于人的聽力范圍,但是需要一個響應為15KHz的壓電薄膜。

電機PWM控制
電機的轉速由電路控制,范圍是5%~95%。

音樂盒子
這個電路能產生10種不同的音調,調節管腳5上的電壓可以控制音量。

警燈
這個電路讓左邊的LED閃3次,然后是右邊閃三次,接著重復。在這個電路中,555會通過管腳3產生連續的方波。

雨水報警電路
在濕度傳感器探測到雨水前,這電路不消耗電流。

輪盤電路
當手指碰到感應線的時候,電路讓LED依次點亮,產生旋轉的效果。手指移開,旋轉降速,最終停止。

100dB警笛
這是一個非常響的報警器,如果在屋里使用了兩個壓電陶瓷開關,小偷將不會知道聲音是從哪里來的。

伺服檢測電路
這個電路能控制伺服電機順時針或逆時針轉動。

步進電機控制電路
電機轉動的方向取決于前進和倒退兩個開關。

電擊槍電路
這個電路能產生很高的電壓,使用時要非常小心。

三極管檢測
555工作在2Hz,當電壓是一個方向時,一個LED點亮;三極管開路,所有的LED都將閃爍,三極管短路,所有LED都不亮。

推薦閱讀:



