【導讀】通訊問題,和交通問題一樣,也有高速、低速、擁堵、中斷等等各種情況。如果把串口通訊比做交通,UART比作車站,那么一幀的數據就好比汽車。汽車跑在路上,要遵守交通規則。如果是市內,一般限速30、40,而高速公路則可以到120。而汽車走什么路,限速多少,就要看協議怎么規定了。常見的串口協議有RS-232、RS-422、RS-485等,他們之間有何細微差別?下面我們就一起來探討一下。
一、UART是什么
UART是通用異步收發傳輸器(Universal Asynchronous Receiver/Transmitter),通常稱作UART,是一種異步收發傳輸器,是設備間進行異步通信的關鍵模塊。UART負責處理數據總線和串行口之間的串/并、并/串轉換,并規定了幀格式;通信雙方只要采用相同的幀格式和波特率,就能在未共享時鐘信號的情況下,僅用兩根信號線(Rx 和Tx)就可以完成通信過程,因此也稱為異步串行通信。


若加入一個合適的電平轉換器,如SP3232E、SP3485,UART 還能用于RS-232、RS-485 通信,或與計算機的端口連接。UART 應用非常廣泛,手機、工業控制、PC 等應用中都要用到UART。

UART使用的是 異步,串行通信。
串行通信是指利用一條傳輸線將資料一位位地順序傳送。特點是通信線路簡單,利用簡單的線纜就可實現通信,降低成本,適用于遠距離通信,但傳輸速度慢的應用場合。
異步通信以一個字符為傳輸單位,通信中兩個字符間的時間間隔多少是不固定的,然而在同一個字符中的兩個相鄰位間的時間間隔是固定的。
數據傳送速率用波特率來表示,即每秒鐘傳送的二進制位數。例如數據傳送速率為120字符/秒,而每一個字符為10位(1個起始位,7個數據位,1個校驗位,1個結束位),則其傳送的波特率為10×120=1200字符/秒=1200波特。
數據通信格式如下圖:

其中各位的意義如下:
起始位:先發出一個邏輯”0”信號,表示傳輸字符的開始。
數據位:可以是5~8位邏輯”0”或”1”。如ASCII碼(7位),擴展BCD碼(8位)。小端傳輸
校驗位:數據位加上這一位后,使得“1”的位數應為偶數(偶校驗)或奇數(奇校驗)
停止位:它是一個字符數據的結束標志。可以是1位、1.5位、2位的高電平。
空閑位:處于邏輯“1”狀態,表示當前線路上沒有資料傳送。
注:異步通信是按字符傳輸的,接收設備在收到起始信號之后只要在一個字符的傳輸時間內能和發送設備保持同步就能正確接收。下一個字符起始位的到來又使同步重新校準(依靠檢測起始位來實現發送與接收方的時鐘自同步的)

二、RS-232標準
RS-232是美國電子工業協會EIA(Electronic Industry Association)制定的一種串行物理接口標準。RS是英文“推薦標準”的縮寫,232為標識號。RS-232是對電氣特性以及物理特性的規定,只作用于數據的傳輸通路上,它并不內含對數據的處理方式。需要說明一下,很多人經常把RS-232、RS-422、RS-485 誤稱為通訊協議,這是很不應該的,其實它們僅是關于UART通訊的一個機械和電氣接口標準(頂多是網絡協議中的物理層面)。
該標準規定采用一個25 個腳的DB-25 連接器,對連接器的每個引腳的信號內容加以規定,還對各種信號的電平加以規定。后來IBM的PC 機將RS-232 簡化成了DB-9 連接器,從而成為今天的事實標準。而工業控制的RS-232 口一般只使用RXD(2)、TXD(3)、GND(5) 三條線。

早期由于PC都帶有RS-232接口,所以我們需要使用UART時,都選擇RS-232。但是現在個人電腦,不光是筆記本,包括臺式機都不再帶有RS-232的接口,大家看到電腦主板上面沒有DB9的接口。所以現在開發板都選擇TTL的UART,或者直接UART轉USB做在開發板上。
嵌入式里面說的串口,一般是指UART口, 但是我們經常搞不清楚它和COM口的區別, 以及RS232, TTL等關系, 實際上UART,COM指的物理接口形式(硬件), 而TTL、RS-232是指的電平標準(電信號).
UART有4個pin(VCC, GND, RX, TX), 用的TTL電平, 低電平為0(0V),高電平為1(3.3V或以上)。

三、RS-485/ RS-422標準
RS-232接口可以實現點對點的通信方式,但這種方式不能實現聯網功能。于是,為了解決這個問題,一個新的標準RS-485產生了。RS-485的數據信號采用差分傳輸方式,也稱作平衡傳輸,它使用一對雙絞線,將其中一線定義為A,另一線定義為B。
通常情況下,發送驅動器A、B之間的正電平在+2~+6V,是一個邏輯狀態,負電平在-2~6V,是另一個邏輯狀態。另有一個信號地C,在RS-485中還有一“使能”端,而在RS-422中這是可用可不用的。
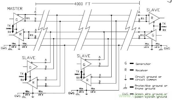
RS-422 的電氣性能與RS-485完全一樣。主要的區別在于:RS-422 有4 根信號線:兩根發送、兩根接收。由于RS-422 的收與發是分開的所以可以同時收和發(全雙工),也正因為全雙工要求收發要有單獨的信道,所以RS-422適用于兩個站之間通信,星型網、環網,不可用于總線網;RS-485 只有2 根信號線,所以只能工作在半雙工模式,常用于總線網。

1. RS-485的電氣特性:邏輯“1”以兩線間的電壓差為+(2~6)V表示;邏輯“0”以兩線間的電壓差為-(2~6)V表示。接口信號電平比RS-232-C降低了,就不易損壞接口電路的芯片,且該電平與TTL電平兼容,可方便與TTL 電路連接。
2. RS-485的數據最高傳輸速率為10Mbps 。
3. RS-485接口是采用平衡驅動器和差分接收器的組合,抗共模干擾能力增強,即抗噪聲干擾性好。
4. RS-485最大的通信距離約為1219M,最大傳輸速率為10Mb/S,傳輸速率與傳輸距離成反比,在100Kb/S的傳輸速率下,才可以達到最大的通信距離,如果需傳輸更長的距離,需要加485中繼器。RS-485總線一般最大支持32個節點,如果使用特制的485芯片,可以達到128個或者256個節點,最大的可以支持到400個節點。
1 RS-423 非平衡串行通信接口
結構、信號電平、傳輸距離、傳輸速率、接口芯片
2 RS-422 平衡型串行通信接口
結構、信號電平、接口芯片,MC3486、MC3487、SN75154,SN75155
傳輸速率、傳輸距離
3 RS-485 串行通信總線
結構、信號電平、接口芯片 MAX485
傳輸速率、傳輸距離,應用實例
由于RS-232 接口標準出現較早,難免有不足之處,主要有以下四點:
(1) 接口的信號電平值較高,易損壞接口電路芯片,又因為232電平與TTL電平不兼容故需使用電平轉換電路方能與TTL電路連接;
(2) 傳輸速率較低,在異步傳輸時,波特率為20Kbps。現在由于采用了新的UART芯片,波特率達到115.2Kbps(1.832M/16);
(3) 接口使用一根信號線和一根信號返回線而構成共地的傳輸形式,這種共地傳輸容易產生共模干擾,所以抗噪聲干擾性弱;
(4) 傳輸距離有限,最大傳輸距離標準值為50 米,實際上也只能用在15 米左右;
(5) RS-232 只容許一對一的通信,沒有考慮構成串行總線。(這點很重要,在很多控制場景,是一控多,如果主設備都需要跟從設備點對點通信,那現場布線成蜘蛛網了)

非平衡型串行通信接口RS-423,RS-449


平衡型串行通信接口RS-422
RS-422(EIA RS-422-A Standard)是Apple的Macintosh計算機的串口連接標準。RS-422使用差分信號,RS-232使用非平衡參考地的信號。差分傳輸使用兩根線發送和接收信號,對比RS-232,它能更好的抗噪聲和有更遠的傳輸距離。在工業環境中更好的抗噪性和更遠的傳輸距離是一個很大的優點。




四、RS-232與RS-485對比
1、抗干擾性:RS485 接口是采用平衡驅動器和差分接收器的組合,抗噪聲干擾性好。RS232 接口使用一根信號線和一根信號返回線而構成共地的傳輸形式,這種共地傳輸容易產生共模干擾。
2、傳輸距離:RS485 接口的最大傳輸距離標準值為 1200 米(9600bps 時),實際上可達 3000 米。RS232 傳輸距離有限,最大傳輸距離標準值為 50 米,實際上也只能用在 15 米左右。
3、通信能力:RS-485 接口在總線上是允許連接多達128個收發器,用戶可以利用單一的 RS-485 接口方便地建立起設備網絡。RS-232只允許一對一通信。
4、傳輸速率:RS-232傳輸速率較低,在異步傳輸時,波特率為 20Kbps。RS-485 的數據最高傳輸速率為 10Mbps 。
5、信號線:RS485 接口組成的半雙工網絡,一般只需二根信號線。RS-232 口一般只使用 RXD、TXD、GND 三條線 。
6、電氣電平值:RS-485的邏輯"1"以兩線間的電壓差為+(2-6) V 表示;邏輯"0"以兩線間的電壓差為-(2-6)V 表 示 。在 RS-232-C 中任何一條信號線的電壓均為負邏輯關系。即:邏輯"1",-5- -15V;邏輯"0 " +5- +15V 。
五、RS-422與RS-485對比
RS-485的電氣性能與RS-422完全一樣。主要的區別在于:
1、RS-422 有4 根信號線:兩根發送(Y、Z)、兩根接收(A、B)。由于RS-422 的收與發是分開的所以可以同時收和發(全雙工)。
2、RS-485 只有兩根數據線:發送和接收都是A 和B。由于RS-485 的收與發是共用兩根線,所以不能同時收和發(半雙工)。
RS-485標準采用平衡式發送,差分式接收的數據收發器來驅動總線,具體規格要求:
接收器的輸入電阻RIN≥12kΩ
驅動器能輸出±7V的共模電壓
輸入端的電容≤50pF
在節點數為32個,配置了120Ω的終端電阻的情況下,驅動器至少還能輸出電壓1.5V(終端電阻的大小與所用雙絞線的參數有關)
接收器的輸入靈敏度為200mV(即(V+)-(V-)≥0.2V,表示信號“0”;(V+)-(V-)≤-0.2V,表示信號“1”)

因為RS-485的遠距離、多節點(32個)以及傳輸線成本低的特性,使得EIA RS-485成為工業應用中數據傳輸的首選標準。
(1) RS-485 的電氣特性:發送端:邏輯“0”以兩線間的電壓差+(2 ~6)V 表示;邏輯“1”以兩線間的電壓差-(2 ~6)V 表示。接收端:A 比B 高200mV 以上即認為是邏輯“0”,A 比B 低200mV 以上即認為是邏輯“1”;
(2) RS-485 的數據最高傳輸速率為10Mbps。但是由于RS-485 常常要與PC 機的RS-232 口通信,所以實際上一般最高115.2Kbps。又由于太高的速率會使RS-485 傳輸距離減小,所以往往為9600bps 左右或以下;
(3) RS-485 接口是采用平衡驅動器和差分接收器的組合,抗噪聲干擾性好;
(4) RS-485 接口的最大傳輸距離標準為1200 米(9600bps 時),實際上可達3000米,RS-485 接口在總線上是容許連接多達128 個收發器、即RS-485 具有多機通信功能,這樣用戶可以利用單一的RS-485 接口方便的建立起網絡。因為RS-485 接口組成的半雙工網絡,一般只需二根信號線,所以RS-485 接口均采用雙絞線傳輸。RS-485 的國際標準并沒有規定RS-485 的接口連接器標準、所以采用接線端子或者DB-9、DB-25 等連接器都可以。
在使用RS-485 接口時,對于特定的傳輸線徑,從發生器到負載其數據信號傳輸所容許的最大電纜長度是數據信號速率的函數,這個長度數據主要是受信號失真及噪聲等影響所限制。最大電纜長度與信號速率的關系曲線是使用24AWG 銅芯雙絞電話電纜(線徑為0.51mm),線間旁路電容為52.5PF/M,終端負載電阻為100 歐時所得出的。(引自GB11014-89 附錄A)。當數據信號速率降低到90Kbit/S 以下時,假定最大容許的信號損失為6dBV 時,則電纜長度被限制在1200m。實際上,在實用時是完全可以取得比它大的電纜長度。當使用不同線徑的電纜,則取得的最大電纜長度是不相同的。例如:當數據信號速率為600Kbit/S 時,采用24AWG 電纜,最大電纜長度是200m,若采用19AWG電纜(線徑為0.91mm)則電纜長度將可以大于200m;若采用28AWG 電纜(線徑為0.32mm),則電纜長度只能小于200m。
RS-485的遠距離通信建議采用屏蔽電纜,并且將屏蔽層作為地線。
六、影響RS-485總線通訊速度和通信可靠性的三個因素
1、在通信電纜中的信號反射
在通信過程中,有兩種信號因素導致信號反射:阻抗不連續和阻抗不匹配。
阻抗不連續,信號在傳輸線末端突然遇到電纜阻抗很小甚至沒有,信號在這個地方就會引起反射,如圖所示。這種信號反射的原理,與光從一種媒質進入另一種媒質要引起反射是相似的。消除這種反射的方法,就必須在電纜的末端跨接一個與電纜的特性阻抗同樣大小的終端電阻,使電纜的阻抗連續。由于信號在電纜上的傳輸是雙向的,因此,在通訊電纜的另一端可跨接一個同樣大小的終端電阻。

從理論上分析,在傳輸電纜的末端只要跨接了與電纜特性阻抗相匹配的終端電阻,就再也不會出現信號反射現象。但是,在實現應用中,由于傳輸電纜的特性阻抗與通訊波特率等應用環境有關,特性阻抗不可能與終端電阻完全相等,因此或多或少的信號反射還會存在。
引起信號反射的另一個原因是數據收發器與傳輸電纜之間的阻抗不匹配。這種原因引起的反射,主要表現在通訊線路處在空閑方式時,整個網絡數據混亂。
信號反射對數據傳輸的影響,歸根結底是因為反射信號觸發了接收器輸入端的比較器,使接收器收到了錯誤的信號,導致CRC校驗錯誤或整個數據幀錯誤。
在信號分析,衡量反射信號強度的參數是RAF(Refection AttenuationFactor反射衰減因子)。它的計算公式如式(1)。
RAF=20lg(Vref/Vinc) (1)
式中:Vref—反射信號的電壓大小;Vinc—在電纜與收發器或終端電阻連接點的入射信號的電壓大小。
具體的測量方法如圖3所示。例如,由實驗測得2.5MHz的入射信號正弦波的峰-峰值為+5V,反射信號的峰-峰值為+0.297V,則該通訊電纜在2.5MHz的通訊速率時,它的反射衰減因子為:
RAF=20lg(0.297/2.5)=-24.52dB

要減弱反射信號對通訊線路的影響,通常采用噪聲抑制和加偏置電阻的方法。在實際應用中,對于比較小的反射信號,為簡單方便,經常采用加偏置電阻的方法。在通訊線路中,如何通過加偏置電阻提高通訊可靠性的原理。
2、在通訊電纜中的信號衰減
第二個影響信號傳輸的因素是信號在電纜的傳輸過程中衰減。一條傳輸電纜可以把它看出由分布電容、分布電感和電阻聯合組成的等效電路,如圖所示。

電纜的分布電容C主要是由雙絞線的兩條平行導線產生。導線的電阻在這里對信號的影響很小,可以忽略不計。信號的損失主要是由于電纜的分布電容和分布電感組成的LC低通濾波器。PROFIBUS用的LAN標準型二芯電纜(西門子為DP總線選用的標準電纜),在不同波特率時的衰減系數如表1所示。
電纜的衰減系數

3、在通訊電纜中的純阻負載
影響通訊性能的第三個因素是純阻性負載(也叫直流負載)的大小。這里指的純阻性負載主要由終端電阻、偏置電阻和RS-485收發器三者構成。

在敘述EIA RS-485規范時曾提到過RS-485驅動器在帶了32個節點,配置了150Ω終端電阻的情況下,至少能輸出1.5V的差分電壓。一個接收器的輸入電阻為12kΩ,整個網絡的等效電路如圖5所示。按這樣計算,RS-485驅動器的負載能力為:
RL=32個輸入電阻并聯2個終端電阻=((12000/32)×(150/2))/(12000/32)+(150/2))≈51.7Ω
現在比較常用的RS-485驅動器有MAX485、DS3695、MAX1488/1489以及和利時公司使用的SN75176A/D等,其中有的RS-485驅動器負載能力可以達到20Ω。在不考慮其它諸多因素的情況下,按照驅動能力和負載的關系計算,一個驅動器可帶節點的最大數量將遠遠大于32個。
在通訊波特率比較高的時候,在線路上偏置電阻是很有必要的。偏置電阻的連接方法如圖6。它的作用是在線路進入空閑狀態后,把總線上沒有數據時(空閑方式)的電平拉離0電平,如圖7。這樣一來,即使線路中出現了比較小的反射信號或干擾,掛接在總線上的數據接收器也不會由于這些信號的到來而產生誤動作。

通過下面后例子了,可以計算出偏置電阻的大小:
終端電阻Rt1=Rr2=120Ω;
假設反射信號最大的峰-峰值Vref≤0.3Vp-p,則負半周的電壓Vref≤0.15V;終端的電阻上由反射信號引起的反射電流Iref≤0.15/(120||120)=2.5mA。一般RS-485收發器(包括SN75176)的滯后電壓值(hysteresis value)為50mV,即:
(Ibias-Iref)×(Rt1||Rt2)≥50mV
于是可以計算出偏置電阻產生的偏置電流Ibias≥3.33mA
+5V=Ibias(R上拉+R下拉+(Rt1||Rt2)) (2)
通過式2可以計算出R上拉=R下拉=720Ω
在實際應用中,RS-485總線加偏置電阻有兩種方法:
(1)把偏置電阻平衡分配給總線上的每一個收發器。這種方法給掛接在RS-485總線上的每一個收發器加了偏置電阻,給每一個收發器都加了一個偏置電壓。
(2)在一段總線上只用一對偏置電阻。這種方法對總線上存在大的反射信號或干擾信號比較有效。值得注意的是偏置電阻的加入,增加了總線的負載。
七、RS-485總線的負載能力和通訊電纜長度之間的關系
在設計RS-485總線組成的網絡配置(總線長度和帶負載個數)時,應該考慮到三個參數:純阻性負載、信號衰減和噪聲容限。純阻性負載、信號衰減這兩個參數,在前面已經討論過,現在要討論的是噪聲容限(Noise Margin)。RS-485總線接收器的噪聲容限至少應該大于200mV。前面的論述者是在假設噪聲容限為0的情況下進行的。在實際應用中,為了提高總線的抗干擾能力,總希望系統的噪聲容限比EIA RS-485標準中規定的好一些。從下面的公式能看出總線帶負載的多少和通訊電纜長度之間的關系:
Vend=0.8(Vdriver-Vloss-Vnoise-Vbias)(3)
其中:Vend為總線末端的信號電壓,在標準測定時規定為0.2V;Vdriver為驅動器的輸出電壓(與負載數有關。負載數在5~35個之間,Vdriver=2.4V;當負載數小于5,Vdriver=2.5V;當負載數大于35,Vdriver≤2.3V);Vloss為信號在總線中的傳輸過程中的損耗(與通訊電纜的規格和長度有關),由表1提供的標準電纜的衰減系數,根據公式衰減系數b=20lg(Vout/Vin)可以計算出Vloss=Vin-Vout=0.6V(注:通訊波特率為9.6kbps,電纜長度1km,如果特率增加,Vloss會相應增大);Vnoise為噪聲容限,在標準測定時規定為0.1V;Vbias是由偏置電阻提供的偏置電壓(典型值為0.4V)。
式(3)中乘以0.8是為了使通信電纜不進入滿載狀態。從式(3)可以看出,Vdriver的大小和總線上帶負載數的多少成反比,Vloss的大小和總線長度成反比,其他幾個參數只和用的驅動器類型有關。因此,在選定了驅動器的RS-495總線上,在通信波特率一定的情況下,帶負載數的多少,與信號能傳輸的最大距離是直接相關的。具體關系是:在總線允許的范圍內,帶負載數越多,信號能傳輸的距離就越小;帶負載數據少,信號能傳輸的距離就發越遠。
八、分布電容對RS-485總線傳輸性能的影響
電纜的分布電容主是由雙絞線的兩條平行導線產生。另外,導線和地之間也存在分布電容,雖然很小,但在分析時也不能忽視。分布電容對總線傳輸性能的影響,主要是因為總線上傳輸的是基波信號,信號的表達方式只有“1”和“0”。在特殊的字節中,例如0x01,信號“0”使得分布電容有足夠的充電時間,而信號“1”到來時,由于分布電容中的電荷,來不及放電,(Vin+)—(Vin-)-還大于200mV,結果使接愛誤認為是“0”,而最終導致CRC校驗錯誤,整個數據幀傳輸錯誤。具體過程如圖所示。

由于總線上分布影響,導致數據傳輸錯誤,從而使整個網絡性能降低。解決這個問題有兩種方法:
(1)降低數據傳輸的波特率;
(2)使用分布電容小的電纜,提高傳輸線的質量。
僅僅用一對雙絞線將各個接口的A、B端連接起來,而不對RS-485通信鏈路的信號接地,在某些情況下也可以工作,但給系統埋下了隱患。RS-485接口采用差分方式傳輸信號并不需要對于某個參照點來檢測信號系統,只需檢測兩線之間的電位差就可以了。但應該注意的是收發器只有在共模電壓不超出一定范圍(-7V至+12V)的條件下才能正常工作。當共模電壓超出此范圍,就會影響通信的可靠直至損壞接口。如圖1所示,當發送器A向接收器B發送數據時,發送器A的輸出共模電壓為VOS,由于兩個系統具有各自獨立的接地系統存在著地電位差VGPD,那么接收器輸入端的共模電壓就會達到VCM=VOS+VGPD。RS-485標準規定VOS≤3V,但VGPD可能會有很大幅度(十幾伏甚至數十伏),并可能伴有強干擾信號致使接收器共模輸入VCM超出正常圍,在信號線上產生干擾電流影響正常通信,或損壞設備。
總結:
串口是一種非常通用的設備接口,是儀器儀表設備常用的通信接口,常用于遠程采集設備數據或者實現遠程控制。串口的開發也比較簡單,是很多工程師最喜歡的接口之一。
推薦閱讀:




