【導讀】測量中我們常常會發現,輸出電壓標稱為5V的電源模塊實際輸出只有4.8V,這是為什么呢?本文將為您介紹電源模塊輸出電壓低的原因及解決方法。
一般來說,模塊在上板前都會進行功能測試,驗證模塊的電壓輸出是否正常。電源模塊輸出有電壓但電壓低于標稱輸出值是測試過程中經常遇到的問題,出現這種情況的原因無非有兩種,一是電源模塊為不良品或損壞,二是使用方法問題。下文將重點討論使用方法導致的電源模塊輸出電壓低的情況。
1輸入電壓低
輸入電壓偏低是最容易被忽略的情況,當輸出有問題時我們應該第一時間檢查輸入是否正常。對于輸入為定壓或寬壓的電源模塊,當輸入值偏低時將導致輸出值也偏低。當然,這種情況是有限度的,對于一個特定的模塊來說,當輸入電壓過低時將導致其不能工作,無輸出電壓。

圖1 輸入標稱電壓及工作電壓范圍
2輸出過載
輸出過載是指負載工作功率大于電源模塊的額定輸出功率,過載情況下電源模塊的輸出電壓明顯被拉低。以ZY0505FS-1W為例,當負載電流增大到300mA時,輸出電壓只有4.5V。持續過載將影響到電源模塊的工作效率、穩定性以及散熱情況,導致模塊使用壽命減少。若是過載導致的輸出電壓過低,則需要提升電源模塊的輸出功率,可以選擇2W或3W的模塊。

圖2 輸出過載
3走線阻抗大
電源模塊輸出與負載連接必然要有一段PCB走線,走線越長、走線越窄則它的等效電阻越大。等效電阻可以認為是串聯在負載的工作回路中,將起到分壓作用,因此導致負載兩端的電壓小于模塊的輸出電壓。此外,除了走線問題還有很多情況起到類似的作用,比如焊點接觸不良導致等效電阻增加,線路氧化或腐蝕導致等效電阻增加。

圖3 等效電阻導致壓降
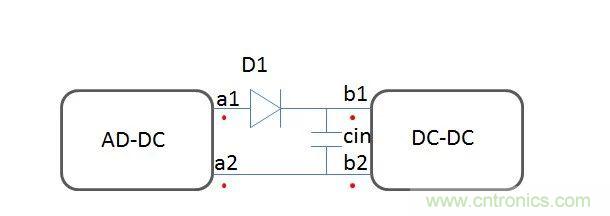
4防反接二極管
很多產品的AC和DC部分是不在一塊板上的,在生產或終端客戶使用中不可避免涉及到插拔電源連接器的情況。為防止此過程中的反接導致的硬件損壞,常串入一只二極管解決。以壓降0.7V的二極管為例,b1 b2間的電壓將比a1 a2間電壓小0.7V,這也就是上面所討論的輸入電壓偏低的情況,可以通過選擇壓降低的管子或者直接提高a1 a1間電壓的方法解決。

圖4 防反接二極管
5總結
電源模塊能使工程師規避掉電源設計中的很多問題,選用合適的電源模塊不僅能速斷產品的開發周期還能提高產品的市場競爭力。以ZLG立功科技·致遠電子P_FKS-1W為例,它的效率高達83%,空載電流低至7ma,集成輸出短路保護。
推薦閱讀:





