【導讀】大部分電工經常會聽到這樣的一句話:“電流互感器的二次側不能開路,電壓互感器二次側不能短路”。在工作中,大家一定會把這句話當做“圣經”一樣對待,拆除電流互感器二次線時,先用短接片或短接線把二次側短接,然后再進行拆線或接線工作,這樣才能保證人的安全,是非常正確的做法。
我自己曾經拆電度表的電流線時,遇到過短接不牢靠,端子處噼里啪啦放電現象。那么電流互感器二次為什么不能開路呢?是什么原理呢?會產生什么樣的后果呢?下面為大家仔細的分析,希望大家都能理解。
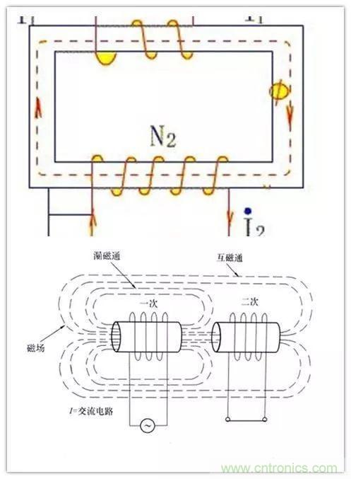
電流互感器的測量電路如下圖所示,原方電流是由被測試的電路決定的,當負荷的電阻大小不同時,原邊的電流大小也不同,在正常運行時,電流互感器的副方相當于短路,副方電流有強烈的去磁作用,即副方的磁動勢近似與原方的磁動勢大小相等、方向相反,因而產生鐵心中的磁通所需的合成磁動勢和相應的勵磁電流很小。

若副方開路,則原方電流全部成為勵磁電流,使鐵心中的磁通增大,鐵心過分飽和,鐵耗急劇增大,引起互感器發熱損壞。同時因副繞組匝數很多,將會感應出危險的高電壓,危及操作人員和測量設備的安全。
電流互感器正常工作(不開路)
電流互感器正常工作的時候,次級所接負載為電流表或電度表電流線圈以及變送器等,這些線圈的阻抗都很小,基本上運行在短路狀態。這種情況下,電流互感器的一次電流和次級電流所產生的磁通相互抵消,使鐵芯中的磁通密度維持在較低水平,通常在零點幾特斯拉(磁通密度的單位:T),由于次級電阻很小,所以次級電壓也很低。

電流互感器二次側開路情況下
當電流互感器次級繞組開路時,這時候一次電流如果沒有變化,二次回路斷開,或者電阻很大,那么二次側的電流為0,或者非常小,二次線圈或鐵芯的磁通量就很小,不能抵消掉一次磁通量。這時候一次電流全部變為勵磁電流,使鐵心飽和,這個變化是突然的,叫突變,它的磁通密度高達幾個特斯拉以上。磁通密度突變,二次電壓很高。

電流互感器二次開路的后果
這種情況后出現后,會產生一下后果:
1. 二次產生數千伏電壓(這個沒有驗證過,是照抄的規程),高電壓可能擊穿電流互感器的絕緣,使整個配電設備外殼帶電,也可能讓檢修人員觸電,有生命危險。
2. 鐵芯突變飽和會使互感器的鐵芯損耗增加,鐵芯會發熱,損壞互感器。
3. 互感器飽鐵芯飽和,計量失準,CT比差和角差加大。
推薦閱讀:





