【導讀】LT8640S/LT8643S是42 V、6 A連續電流/7 A峰值電流單片式降壓型穩壓器,采用第二代Silent Switcher® 2架構。Silent Switcher穩壓器通過將高頻環路一分為二來抑制EMI輻射,分離環路產生的磁場相互抵消。單片式降壓型穩壓器LT8640S和LT8643S集緊湊布局、高效率和超低EMI于一體,非常適合汽車環境應用。
易于布局、超低EMI、高效率的Silent Switcher 2
LT8640S/LT8643S是42 V、6 A連續電流/7 A峰值電流單片式降壓型穩壓器,采用第二代Silent Switcher® 2架構。Silent Switcher穩壓器通過將高頻環路一分為二來抑制EMI輻射,分離環路產生的磁場相互抵消。第二代Silent Switcher 2在封裝內集成了旁路陶瓷電容。這些電容位于快速交流環路(VIN、BST和INTVCC)內,因此需要精密且可重復的PCB布局才能確保EMI性能。集成這些電容大大簡化了PCB布局和制造要求。即使是低成本的雙層電路板,現在也能具有出色的EMI性能。
在汽車應用中,設計人員偏向于使用2 MHz或更高開關頻率的電源,以避開AM頻段并使解決方案尺寸最小化。遺憾的是,高開關頻率通常意味著更低的效率和更高的功耗,迫使設計人員要在小尺寸和低EMI性能與效率之間進行權衡。LT8640S和LT8643S消除了這種權衡:得益于可控且快速的開關邊沿,即使在高開關頻率下,它們仍能以高效率和低功耗運行。
圖1顯示了一個超低EMI且高效率的LT8640S 12 V至5 V/6 A設計。內部穩壓器由5 V輸出通過BIAS引腳供電,以降低功耗。該設計的開關頻率設置為2 MHz。使能展頻模式(SYNC/MODE = INTVCC),使得開關頻率在3 kHz三角調制下可以從2 MHz變化到2.4 MHz。

圖1.展頻模式的超低EMI LT8640S 5 V/6 A降壓轉換器

圖2.采用圖1所示設計,2層和4層板的CISPR 25 EMI輻射比較
圖2比較了采用圖1所示設計的2層和4層板的EMI輻射。兩塊電路板均符合嚴苛的汽車級CISPR 25 Class 5輻射EMI要求,僅需在輸入側使用鐵氧體磁珠。圖3顯示了效率。在高達2 MHz的開關頻率下,LT8640S 12 V輸入的峰值效率達到95%,24 V輸入的峰值效率達到92%。
多個LT8643S器件可以并聯,以支持7 A(峰值)以上的輸出電流。LT8643S利用電流模式控制和外部補償實現平衡均流——這在并聯配置中非常重要。將所有誤差放大器的輸出VC引腳連接在一起,便可自然地實現均流。無需額外的時鐘器件,CLKOUT和SYNC/MODE引腳即可實現頻率同步。

圖3.采用圖1所示設計的LT8640S 5 V/6 A輸出效率(fSW = 2 MHz)
圖4顯示了9 V輸出的LT8640S設計。圖5顯示了5 A負載時的熱結果。在45 W輸出功率和1 MHz開關頻率下,由于采用了增強散熱技術,LT8640S 4 mm×4 mm LQFN封裝的溫升低于50°C。

圖4設計(fSW = 1 MHz,TA = 25°C)

圖5.LT8640S 24 V至9 V/5 A熱圖像,采用圖4設計(fSW = 1 MHz,TA = 25°C)
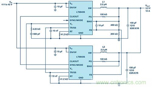
圖6顯示了12 V至3.3 V/12 A LT8643S并聯設計的簡潔性。上方LT8643S通過讓SYNC/MODE引腳浮空而設置為強制連續模式,其CLKOUT信號驅動下方LT8643S SYNC/MODE引腳以實現同步。圖7顯示了該設計的效率,而圖8顯示了8 A階躍瞬態響應。

圖6.使用兩個LT8643S器件的并聯3.3 V/12 A降壓轉換器

圖7.LT8643S 12 V至3.3 V、8 A階躍負載瞬態響應,采用圖6所示并聯設計(fSW = 1 MHz)

圖8.LT8643S 12 V至3.3 V/12 A效率,采用圖6所示并聯設計(fSW = 1 MHz)
結論
LT8640S和LT8643S是6 A(峰值7 A)、超低EMI單片同步開關穩壓器,采用小型4 mm×4 mm LQFN封裝。已獲專利的Silent Switcher 2架構可確保EMI輻射極低。集成環路電容消除了PCB布局敏感性,有助于節省設計工作量和解決方案成本。同步設計和快速開關邊沿可提高重載時的效率,而低靜態電流對輕載效率有利。3.4 V至42 V的寬輸入范圍和低壓差使LT8640S和LT8643S能夠滿足汽車冷啟動或負載切斷情況下的要求。
推薦閱讀:





