中心議題:
- 高穩定度低紋波的線性穩壓電源系統總體方案設計
- 線性穩壓電源的主要功能模塊分析
- 電源性能測試
本文設計制作了一款基于LT1083/LT1033 系列大功率低壓差三端穩壓芯片的高穩定度低紋波直流電源,介紹了降壓、整流濾波、線性穩壓、LC 低通濾波等主要構成模塊。測試結果表明,本電源具有輸出電壓穩定度高、輸出電流大、低紋波、低功耗等特點。
線性穩壓電源被廣泛應用于科研、電力電子、電鍍、廣播電視發射、通信等領域, 是大專高等院校、實驗室等進行電子電路研究不可或缺的儀器設備。但是傳統線性穩壓電源存在變壓器轉換效率低、穩壓芯片壓差大、濾波電路不夠完善等缺點, 時常出現輸出紋波大、效率低、發熱量大、間接地給系統增加熱噪聲等問題。在歷年的電子設計競賽中, 作品在比賽場地測試正常, 但在指定測試場地測評時, 電路突然燒毀或者性能指標達不到原先水平的現象時有發生, 一個重要的原因就是測評場地提供的穩壓電源電壓波動大、供電電流不穩定、正負電壓不匹配。因此, 高穩定性、低紋波的穩壓電源是科研創新和電子設計競賽不可或缺的保障。
1 系統總體方案設計
本設計由降壓模塊、整流濾波模塊、線性穩壓模塊和低通濾波模塊組成, 如圖1 所示。變壓器將220 V/50 Hz 交流電分別降壓到±16 V、±6 V、+6 V, 通過整流橋堆整流以及大容量電容濾波后, 進入正( 負) 線性穩壓模塊, 再經過低通濾波模塊濾除直流以外的干擾信號, 分別輸出±15 V、±5 V、+5 V 的穩定電壓。
![]()
圖1 系統結構框圖
2 主要功能模塊分析
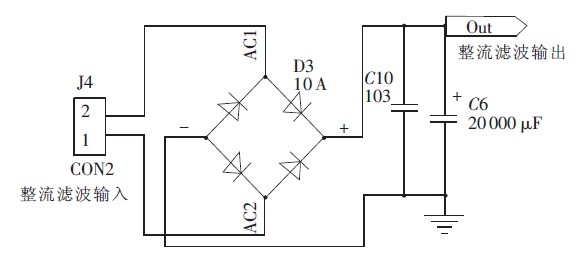
2.1 整流濾波模塊
整流濾波電路主要由整流橋堆和大容量濾波電容組成, 如圖2 所示。整流橋堆具有體積小巧、輸出電流大、安裝方便等優勢, 并能代替由4 只二極管組成的傳統橋式整流電路。濾波電路采用大容量電解電容濾波,增加了輸出電壓的穩定性。根據式(1) 可求出所需濾波電容容量。

當輸出電壓為5 V、電流為2 A 時,R=U/I=2.5 Ω, 此時,C= kT/2R =20 000 μF,其中,k=5 .電容耐壓Umax≥√2Ui≈24.038 V.其中,Ui=17 V, 因此Umax取值為25 V.在電解電容C6 兩端并聯一個0.01 μF 的瓷片電容C10 可以有效抑制高頻干擾。

圖2 橋式整流濾波電路
[page]
2.2 線性穩壓模塊
LT1083/LT1033 系列正負可調穩壓器的效率大大高于現有器件,可以提供7.5 A、5 A 和3 A 輸出電流,并能在低至1 V 的壓差條件下運行,壓降在最大電流條件下保證在1.5 V 以內。負載電流減小時允許壓差同時減小,可在多種電流水平條件下通過片內修整電路,提供所保證的最小壓差,并能夠使輸出電壓準確度調節至1%.其電壓調整率為0.015%,負載調整率為0.01%,對電流限值也進行了修整,最大限度地減小了過載條件下穩壓器和電源電路上承受的應力,具有熱功耗限制保護[10].LT1083/LT1033 系列器件的引腳與老式三端穩壓器兼容,與大多數穩壓器設計中的10 μF 輸出電容器以及PNP 穩壓器多達10%的輸出電流作為靜態電流消耗不同,LT1083/LT1033 系列的靜態電流流入負載, 大大降低了電源功耗。此芯片電壓調整率小、負載調整率小的特點能夠保證輸出電壓穩定度高。正負線性穩壓模塊電路如圖3 所示,其中R1=R3,R2=R4.電路中的電阻參數可根據輸出可調電壓公式確定:

其中,Uref=1.25 V,IADJ=50 μA,R1=200 Ω。

圖3 正負線性穩壓模塊電路
2.3 低通濾波模塊
低通濾波電路采用LC 濾波電路, 濾波電容為4 700 μF電解電容和0.01 μF 瓷片電容, 能有效減少直流的紋波和高頻干擾, 兩個33 μH/3A 功率電感并聯可以隔離交流并提高輸出電流。截止頻率:

其中,L=33 μH,C=4 700 μF, 圖4 為低通濾波器電路圖。

圖4 LC 濾波電路
3 電源性能測試
測試儀器采用固緯4 位半數字萬用表(GDM-8245) 、上海愛儀交流毫伏表(AS2294D) 和調壓變壓器(TDGC -0.5/0.5) .負載電阻采用水泥電阻(2.5Ω/20 W、5Ω/20 W、15Ω/20 W) .電源性能參數如表1 所示。可以看出, 負載調整率和電壓調整率反映出了電源較高的穩定度, 紋波系數指標反映出低紋波特性。

表1 電源性能參數表
4 總結
傳統穩壓電源因其電壓波動大、效率低、體積龐大等缺點影響了電子產品的各項性能指標。本文設計制作的電源不僅具有高穩定性、低紋波的優點, 而且輸出電壓可調、電壓波動小、帶負載能力強、體積小巧。由于本文所設計的電源具有非常小的電壓調整率, 一旦設置好電壓, 即使電網波動, 電源也能保證輸出電壓與設置電壓相同, 為微弱信號和高頻信號的處理提供有力的保障, 不僅能有效地避免在電子競賽測評時由于更換電源而導致的作品性能指標下降甚至燒毀的事件發生, 而且對于電子線路的各項研究有十分重要的意義。




