- 如何為通信電源系統選擇整流模塊
- 采用冷卻方式如風冷和自冷的選擇
- 采用外部系統冷卻和輔助冷卻
- 整流模塊提供報警信號或輔助功能
引言
為一個通信電源系統選擇整流模塊要考慮很多因素。過去,大的壟斷性的電信公司常常選擇冗余量很大的系統方案。但是,隨著全球性市場競爭的日趨激烈,這種選擇方式將是不可取的。為了優化一個電源供電方案,有必要仔細考察許多相關因素,包括產品性能與價格問題,這樣才能以最經濟的方式滿足最終用戶的要求。
各國在法律上不斷對產品的安全性和EMC提出新的要求,使得選擇電源方案的條件更加苛刻。為每一個應用場合提供最優方案是必要的,但是為此從頭開始設計每一個系統卻是不可行的。可行的是使用標準組件來配置系統。
整流模塊是電源系統的心臟,選的模塊不正確,很難提供最優的電源系統配置。本文研究了與模塊有關的許多因素以及模塊的運行環境,并從邏輯上提供選擇通信電源系統整流模塊的方法。
本文涉及范圍僅限于單相200W~6kW的整流模塊。但許多思路可應用在其它電源上。
冷卻方式—風冷和自冷的選擇
一個系統的冷卻方式對整流模塊的選擇有非常大的影響。有些系統要求自然冷卻(簡稱自冷),有些則可以接受風扇冷卻(簡稱風冷)。在同樣功率、同等條件下,風冷和自冷模塊的最大區別在于外形大小及成本多少。西方大的電信公司傳統上選擇自然冷卻,這樣可得到較長的產品壽命,明顯低的維護成本,電源的初始成本也不象現在這么貴(現在自冷的模塊很貴)。這樣,選擇冗余量很大的系統方案也可以接受,它可以更加安全地供電。
風冷模塊在成本和尺寸上的優勢被它的缺點所抵消(如噪音,灰塵,風扇壽命和可靠性),但實際上這些缺點并不是最首要考慮的問題。一個外殼設計得很糟糕的自冷模塊的可靠性比采用風冷的模塊要低得多,因為風冷模塊的冷卻與外殼設計無關。另外,風冷產品的關鍵——半導體器件比自冷系統溫升更低,因而更可靠。
要求設計壽命超過7年時,傳統上不采用風扇。但是,如果允許定期更換風扇,就有可能得到設計壽命更長的風冷系統。如果風冷整流模塊設計成具有風扇性能監測、現場易于更換風扇的特性,則允許系統以低成本獲得高可靠性。20多年以來對整流模塊既要經濟、又要長壽命的設計要求是風冷產品得以生存的條件。
[page]
除了上面提到的風冷和自冷技術外,另外兩種技術也越來越流行:外部系統冷卻和輔助冷卻。
1. 外部系統冷卻
外部系統冷卻是指由中央冷卻裝置提供空氣流對整流模塊進行冷卻。這種方法可以得到高功率密度,而且避免了模塊電源內裝風扇帶來的一些缺點。這給OEM應用中把電源系統集成到整個通信系統中去的供應商帶來顯著益處。比如:
中央冷卻裝置,不僅給電源系統提供空氣流,也冷卻其它部分的通信系統。一個系統中只有一個中央冷卻裝置需要維護,當中央冷卻裝置發生故障時電源仍能輸出能量(約為滿載時的60%)。
2. 輔助風冷
輔助風冷是指模塊的冷卻是由間斷運行的風扇提供的。如果溫度過高或持續輸出大電流時,風扇就會運轉。采用這種方式可以獲得很高的系統集成度,但需要經常讓風扇運轉并定期檢測其性能。如果風扇工作不正常,就會發出報警信號。該方法的好處有:
在不更換的情況下,風扇間斷運轉使得系統設計壽命比模塊內強制風冷要長。
如果考慮冗余和電池充電,在正常情況下模塊內的風扇不轉。
由于風扇間斷運行,灰塵和噪音問題也大大緩解。
以下舉例說明如何配置系統:
整流模塊:
自然冷卻時的容量30A
輔助風冷時的容量50A
負載:
最大負載110A
電池充電電流30A
總電流140A
要求采用N+1冗余備份。
[page]
要支持140A的輸出容量必須選3個整流模塊和1個冗余備用模塊。如果4個模塊都工作(實際應用正是如此)而且電池充滿了電,每個模塊的最大負載電流只有110/4=27.5A,低于模塊自冷額定容量。此時風扇不轉。在停電后對電池充電時,或一個模塊發生故障時,系統仍將滿足要求,但風扇開始運轉。在典型的系統中,風扇運轉時間的比例是非常低的,這大大地延長了產品壽命。而且,根據以上實例,某一模塊的風扇故障后系統容量只降低10%(從4×50A降到3×50A+30A)。假如采用強制風冷模塊,系統容量將降低25%。
表1給出了各種冷卻方式下的典型功率密度。
表1各種冷卻方式下的典型功率密度*

*假定所有運行環境具有可比性。
輸入電壓范圍的選擇
為特定的應用場合選擇正確的輸入電壓范圍越來越重要。在英國,過去通常定義輸入電壓范圍為216V~264V(即240V±10%)。現在趨向采用適合于全世界的通用電壓范圍:85V~264V(或更寬)。在實際應用中兩個極端值(85V和264V)都不是最合適的。
為了滿足國際上規定的對輸入諧波的要求,開發了具有110V輸入功率因數校正電路的整流模塊,從而使產品具有全球通用的輸入電壓范圍。
對于可移動設備市場或全球性使用設備市場而言,選擇帶功率因數校正的、通用輸入的模塊無疑是正確的,但對于固定安裝來說,仔細選擇輸入電壓范圍會有很大好處。在寬電壓范圍內要提供完全的性能將會給整流模塊帶來成本和尺寸上的顯著增加。這也會影響系統冷卻。實際應用中整流模塊工作在85V輸入電壓時的損耗是230V時的兩倍。
顯然,有時必須在寬電壓范圍內提供完全的性能。但是在某些場合,當輸入電壓低于某一閾值時只要求在短時間內提供完全性能,這樣就不需要處理散熱問題,從而顯著地降低了成本和縮小了體積。
如果系統工作在115V額定輸入電壓下,那么運行在1035V(115V-10%)時的損耗與運行在85V時的損耗相差15%。要求在85V以上能連續工作的系統將比在1035V時連續工作的系統要多損耗15%的功率。連續工作在1035V下并不意味著系統不能可靠地短時間工作在很低的電壓下。對此的精確控制將取決于模塊內的溫度監控電路。圖1給出了典型的功率損耗與輸入電壓之間的關系。

圖1具有全球通用輸入電壓的模塊的典型功率損耗
限流特性
通常電源系統在整個電壓輸出范圍內具有恒流特性,在短路時輸出電壓、電流以折線或直線下降。這一傳統方式并不理想。仔細考慮負載的所有真實特性可以使系統得到優化。
加在一個通信電源系統上的負載實際上是許多小負載的總和。一些負載是電阻性的,一些是恒電流性的,一些是恒功率性的,電池組也會因充電狀態的變化而使充電電流變化。如果系統以工作在最高電池浮充電壓下的最大總負載電流(包含電池充電電流)來確定其容量,那么就會富余很多的供電容量。
在現代通信系統中越來越多的設備采用系統內置DC/DC變換器,它可以提供不隨供電電源輸出母線電壓變化而變化的恒定直流電壓。這種恒功率特性要求在母線電壓下降時輸入電流增加。如果恒功率負載在55V時消耗1A,那么在40V時消耗13A。而恒電阻負載在55V時消耗1A,在40V時只消耗07A。仔細地分析在整個工作電壓范圍內所有負載的實際情況就會知道,是否可以通過一種不同于傳統的恒電流的限流特性來優化系統。
以下方法可用來確定是否采用優化的特性曲線。假設:
Id—40V時的DC/DC最大的輸入電流
Ir—55V時最大電阻性電流
Ib—恒定的電池充電電流
It—總負載電流
那么在55V時:
It=Id×40/55+Ir+Ib
在40V時:
It=Id+Ir×40/55+Ib
假定正常浮充電壓為55V,最低電池電壓為40V。
例1
設:Id=100A,Ir=20A,Ib=10A
在55V時:
It=(100×40/55)+20+10=102.7A
等于564kW的功率。
在40V時:
It=100+(20×40/55)+10=124.5A
這等于498kW的功率。
例2
設:Id=50A,Ir=70A,Ib=10A
在55V時:
It=(50×40/55)+70+10=116.4A
等于6.4kW的功率。
在40V時:
It=50+(70×40/55)+10=110.9A
這等于444kW的功率。
[page]
在例1中,如果在模塊內采用部分恒功率特性電路,可以把最大功率從685kW(124.5×55)縮減到5.64kW,節省了17%還多。
在例2中,在整個工作電壓范圍內,電流隨著電壓的下降而降得很少,所以適合于整流模塊內具有恒電流特性的電路。
現代開關式拓撲技術可以輕易地做到根據總負載要求來確定輸出特性,使得在一定的負載組合下減小總的安裝功率也能滿足要求。
圖2顯示出一個經過優化的輸出限流特性曲線的模塊,它滿足例1的要求。

圖2 優化輸出限流特性曲線
圖中A—傳統恒電流限流特性
B—部分恒功率限流特性
C—帶恒功率負載
圖中A和B之間的三角區域等效減小了約17%的功率。
溫度范圍
通信設備的運行溫度范圍是非常重要的參數。一些設備要求工作在室溫下,而另一些設備要求工作在很寬的溫度范圍內(如-40℃至+65℃)。正如第1節所說,仔細考慮溫度和散熱對于系統的可靠和有效運行非常重要。如果實際要求電源系統工作在寬溫度范圍內,顯然保證系統中的所有元器件可靠地工作是很必要的。為達到這一目的和最大限度減少成本,應仔細估算在兩個極端溫度點處是否需要達到完全的性能指標,即在很低的溫度下完全達到常溫時的系統指標是否必要?在很高的溫度時是否有必要提供最大的功率輸出?
[page]
實際上,在極端溫度點處對模塊的要求越低,系統就可以越經濟。
一些設備要求在很低溫度下運行時性能不能打一點折扣。這時系統應能滿足所有參數要求。如果有些特性可以降低要求,成本將顯著降低。要求電源系統在如此低的溫度下工作往往是因為設備在冷天閑置一段時間后需要可靠地起動。實際上,系統在起動一段時間以后由于自身發熱溫度會上升。放松在低溫時對非關鍵參數的要求(如輸出噪音、輔助特性)對降低模塊成本有好處。實際應用中,如果規定模塊可以在最低溫度下起動和在較高一些溫度下完全達到指標地工作是很有用的。
如果要求高溫環境下工作,一般電源在高于一定溫度值時其功率額定值會降低。即在溫升20℃時輸出功率減少30%。
這種對輸出能力的限制可解釋為在傳統電源系統的初期設計階段,負載要求電源在電壓控制模式下運行;只有運行出現故障時才需要限流。當電池處于高度充電狀態時,整流模塊的輸出需在恒壓下運行。但當電池剛開始充電時,模塊需在恒流狀態下持續運行一定的時間。如果采用溫度降額(即溫度升高額定輸出功率降低),必須同時減小限流點(保證在限流時安全運行)以確保模塊在最差的環境溫度條件下其功率容量不會超出設計值。實際上要在高溫下運行,整流模塊的限流點比在較低溫度條件下運行時的限流點更低。
在實際應用中,通常的工作環境溫度會因氣候的變化和系統的運行條件的變化而變化。整流模塊一般不會在其指定的最高環境溫度條件下持續運行相當長時間。如果模塊限制的溫度控制適當,就能在大多數運行情況下,只對模塊在最高環境溫度時的容量作限制,使電源系統的功率最大化(特別是當模塊的輸入電壓偏向下限時)。如果要限制模塊的輸出容量以滿足在最高環境溫度下能在正常的功率范圍內安全運行,可在模塊內安裝適合的溫度監控系統,在較低溫的條件下可自動提供更大的功率。
在具體應用中有可能不接受經常因為溫度過高而降額輸出,但是如果仔細研究最高溫時的最小要求,就可以判斷是否可以采用這一功能。例如:
在最高運行溫度時是否需要系統提供電池再充電電流?或是否可以接受更長的再充電時間?
在最高環境溫度下系統的一些特性能否被抑制以減少最大電流的需要?
在最高環境溫度下系統冗余能否消除?
如果整流模塊的溫度與限流性能相關聯,那會帶來非常顯著的益處。
這一特征也可和以上提到過的部分恒功率特性組合起來,這樣就可以盡可能發揮它的優勢。同時要注意的是,在高溫時,帶溫度限流的模塊由于輸入電壓使得功率損耗變化,這樣,系統在標稱電壓左右工作時比在最小輸入電壓工作時能提供更大的電流容量。
[page]
增加的功能和信號
最簡單的整流模塊僅僅是給通信系統供電。但實際應用時,需要模塊能提供更多的報警信號或輔助功能。
有時模塊只提供一路“輸出正常”或“模塊失效”信號就夠了,但有時必須提供很復雜的信號,并在模塊上帶顯示。
設計靈活的整流模塊可根據用戶的需要而隨意改變和擴充信號,不需要對電源的核心作變動。
這個辦法使只需要簡單功能模塊的用戶不需花錢購買不必要的性能。
帶智能信號的模塊已越來越受歡迎,這使終端用戶更容易編程控制。這同時也使模塊更容易適應不同用戶的要求。智能信號可幫助廠商降低成本,減少維修程序,也減少了對勞動力的需要。
在整流模塊中越來越普遍使用的信號是:
輸出電流信號
限流可編程
強制均流
電池溫度補償
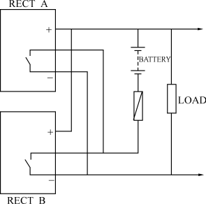
一個使電源系統簡化的新功能是整流器內置低壓斷開裝置。這一功能會在市電斷電一段時間后電池電壓低于閾值時發揮作用,這就防止了電池的永久性損壞。如果是大量模塊并聯的系統,在每個模塊內置低壓斷開裝置很不實際;這時選用系統解決辦法更合適。在較小的系統即2個模塊并聯(1+1),每個模塊都內置一個低壓斷開裝置很理想。這會使系統特別簡易,只有兩個整流器,一個電池和一個電池保險。圖3是系統框圖。
以上就是各種信號和特征的介紹。很顯然,對應用案例仔細考慮就可以降低系統中使用模塊的成本。

圖3二個模塊并聯系統框圖
連接性
整流模塊和系統的連接方式對制造廠商的成本有很大的影響。需要連接的三個端口是交流輸入,直流輸出和報警信號。
簡單的模塊具有連接電源輸入輸出的螺栓連接和一個簡單的多針信號連接器,但這種連接越來越不受歡迎,因為安裝和更換相對比較困難。
當今流行的趨勢是“熱插拔”模塊,它們可自動和交流電源、直流匯流條、各報警監控電路連接,因為模塊可以滑進自身的支撐架里。安裝和拆卸根本不需要任何技能。帶“熱插拔”連接的整流器比一般螺釘連接的生產成本更高,但如把安裝和維修成本考慮在內,就會便宜了。
還有一些整流模塊采用介于以上兩種方式之間的連接方法。有一種帶輸入連接器,輸出連接器和信號連接器的模塊,因為它在機架安裝時,不是自動實現連接,但仍可以稱為“熱替換”,它在安裝和替換時要求掌握更高的技術以確保系統的穩定性。
模塊連接性的正確選擇很大程度上根據實際應用和地點而定。如果使用地點很遠,安裝和維修需要技術性很強的人員,這種情況最好選用熱插拔模塊。如果在技術人員隨時可到的地點使用,那么低成本的連接器更實用。
結語
許多相互關聯的因素會影響對通信用整流模塊的選擇。如果在最壞故障條件下設定整流器的技術指標,系統將具有比實際需要更大的容量。
冷卻方式的選擇會影響整流器的物理尺寸,最大高達25倍。
有些模塊初看起來應選用自然冷卻方式,在應用中使用風扇冷卻也可行。
模塊內的功耗會隨著輸入電壓的下降而明顯增加,因此優化配置系統時認真設定輸入電壓的技術指標非常重要。
如果部分恒功率限流特性應用于一定的負載類型,整流器的最大功率可有20%的偏差。
靈活分析限流特性溫度以確保在高溫條件下提供足夠的容量。
整流模塊內的增強功能很大程度上簡化了電源系統,而且模塊提供的正確信號技術將確保系統的簡易維修。
熱插拔整流器初看起來價格昂貴,但如果生產廠商從總成本來考慮,實際上會更便宜。





