- 功率器件的選型
- 單相無變壓器式光伏逆變器拓撲介紹
- 三相無變壓器光伏逆變器拓撲結構介紹
- 下一代光伏逆變器拓撲的設計思路介紹
1 引言
對于傳統電力電子裝置的設計,我們通常是通過每千瓦多少錢來衡量其性價比的。但是對于光伏逆變器的設計而言,對最大功率的追求僅僅是處于第二位的,歐洲效率的最大化才是最重要的。因為對于光伏逆變器而言,不僅最大輸出功率的增加可以轉化為經濟效益,歐洲效率的提高同樣可以,而且更加明顯。歐洲效率的定義不同于我們通常所說的平均效率或者最高效率。它充分考慮了太陽光強度的變化,更加準確地描述了光伏逆變器的性能。歐洲效率是由不同負載情況下的效率按照不同比重累加得到的,其中半載的效率占其最大組成部分(見圖1)。

圖1 歐洲效率計算比重
因此為了提高光伏逆變器的歐洲效率,僅僅降低額定負載時的損耗是不夠的,必須同時提高不同負載情況下的效率。歐洲效率是一個新的參數,主要是針對光伏逆變器提出來的。由于太陽光在不同時間,強度是不一樣的,所以光伏逆變器其實并不會一直工作在額定功率下,更多的是工作在輕負載的時候。所以衡量光伏逆變器的效率,不能完全以額定功率下的效率來衡量。所以歐洲人就想出來了一個新的參數–歐洲效率來衡量。歐洲效率的計算方法如表1。

歐洲效率的改善所帶來的經濟效益也很容易通過計算得到。例如以一個額定功率3kw的光伏逆變器為例,根據現在市場上的成本估算,光伏發電每千瓦安裝成本大約需要4000歐元[2],那也就意味著光伏逆變器每提高歐效1%就可以節省120歐元(光伏發電現在的成本大概在每千瓦4000歐元,或者說每瓦 4歐元,包括太陽能電池和光伏逆變器,對于一個3kw的發電裝置,如果逆變器效率提高了1%,也就是說多發了30w,那么成本就可以節省4×30=120 歐元)。提高光伏逆變器的歐洲效率帶來的經濟效益是顯而易見的,“不惜成本”追求更高的歐效也成為現在光伏逆變器發展的趨勢。
2 功率器件的選型
在通用逆變器的設計中,綜合考慮性價比因素,igbt是最多被使用的器件。因為igbt導通壓降的非線性特性使得igbt的導通壓降并不會隨著電流的增加而顯著增加。從而保證了逆變器在最大負載情況下,仍然可以保持較低的損耗和較高的效率。但是對于光伏逆變器而言,igbt的這個特性反而成為了缺點。因為歐洲效率主要和逆變器不同輕載情況下效率的有關。在輕載時,igbt的導通壓降并不會顯著下降,這反而降低了逆變器的歐洲效率。相反,mosfet的導通壓降是線性的,在輕載情況下具有更低的導通壓降,而且考慮到它非常卓越的動態特性和高頻工作能力,mosfet成為了光伏逆變器的首選。另外考慮到提高歐效后的巨大經濟回報,最新的比較昂貴的器件,如sic二極管,也正在越來越多的被應用在光伏逆變器的設計中,sic肖特基二極管可以顯著降低開關管的導通損耗,降低電磁干擾。
3 光伏逆變器的設計目標
對于無變壓器式光伏逆變器,它的主要設計目標為:
(1) 對太陽能電池輸入電壓進行最大功率點跟蹤,從而得到最大的輸入功率;
(2) 追求光伏逆變器最大歐效;
(3) 低的電磁干擾。
為了得到最大輸入功率,電路必須具備根據不同太陽光條件自動調節輸入電壓的功能,最大功率點一般在開環電壓的70%左右,當然這和具體使用的光伏電池的特性也有關。典型的電路是通過一個boost電路來實現。然后再通過逆變器把直流電逆變為可并網的正弦交流電。
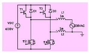
4 單相無變壓器式光伏逆變器拓撲介紹
拓撲結構的選擇和光伏逆變器額定輸出功率有關。對于4kw以下的光伏逆變器,通常選用直流母線不超過500v,單相輸出的拓撲結構。
這個功能(見圖2)可以通過以下的原理圖實現(見圖3)。

圖2 單相無變壓器式光伏逆變器功能圖

圖3 單相無變壓器式光伏逆變器原理圖
boost電路通過對輸入電壓的調整實現最大功率點跟蹤。h橋逆變器把直流電逆變為正弦交流電注入電網。上半橋的igbt作為極性控制器,工作在 50hz,從而降低總損耗和逆變器的輸出電磁干擾。下半橋的igbt或者mosfet進行pwm高頻切換,為了盡量減小boost電感和輸出濾波器的大小,切換頻率要求盡量高一些,如16khz。[page]
4.1 單相無變壓器式光伏逆變器的優點
我們推薦使用功率模塊來設計光伏逆變器,因為把圖3拓撲結構上的所有器件集成到一個模塊里面可以提供以下優點:
(1) 安裝簡單,可靠;
(2) 研發設計周期短,可以更快地把產品推向市場;
(3) 更好的電氣性能。
4.2 對于模塊設計,必需要達到的指標
而對于模塊的設計,我們必須保證:
(1) 直流母線環路低電感設計
為了實現這個目標,我們必須同時降低模塊內部和外部的寄生電感。為了降低模塊內部的寄生電感,必須優化模塊內部的綁定線,管腳布置以及內部走線。為了降低模塊外部寄生電感,我們必須保證在滿足安全間距的前提下,boost電路和逆變橋電路的直流母線正負兩端盡量靠近。
(2) 給快速開關管配置專有的驅動管腳
開關管在開關過程中,綁定線的寄生電感會造成驅動電壓的降低。從而導致開關損耗的增加,甚至開關波形的震蕩。在模塊內部,通過給每個開關管配置專有的驅動管腳(直接從芯片上引出),這樣就可以保證在驅動環路中不會有大電流流過,從而保證驅動回路的穩定可靠。這種解決方案目前只有功率模塊可以實現,單管igbt還做不到。
圖4顯示了vincotech公司最新推出的光伏逆變器專用模塊flowsol-bi(p896-e01),它集成了上面所說的優點。

圖4 flowsol-bi boost電路和全橋逆變電路
4.3 技術參數
(1) boost電路由mosfet(600v/45mω)和sic二極管組成;
(2) 旁路二極管主要是當輸入超過額定負載時,旁路boost電路,從而改善逆變器整體效率;
(3) h橋電路上半橋由75a/600v igbt和sic二極管組成,下半橋由mosfet(600v/45mω)組成;
(4) 集成了溫度檢測電阻。
5 單相無變壓器光伏逆變器專用模塊flowsol0-bi的效率計算
這里我們主要考慮功率半導體的損耗,其他的無源器件,如boost電感,輸出濾波電感的損耗不計算在內。
基于這個電路的相關參數,仿真結果如下:
條件
●pin=2kw;
●fpwm = 16khz;
●vpv-nominal = 300v;
●vdc = 400v。
根據圖5、6的仿真結果可以看到,模塊的效率幾乎不隨負載的降低而下降。模塊總的歐洲效率(boost+inverter)可以達到 98.8%。即使加上無源器件的損耗,總的光伏逆變器的效率仍然可以達到98%。圖6虛線顯示了使用常規功率器件,逆變器的效率變化。可以明顯看到,在低負載時,逆變器效率下降很快。

圖5 boost電路效率仿真結果 ee=99.6

圖6 flowsol-bi逆變電路效率仿真結果-ee=99.2%標準igbt全橋-ee=97.2% (虛線)
6 三相無變壓器光伏逆變器拓撲結構介紹
大功率光伏逆變器需要使用更多的光伏電池組和三相逆變輸出(見圖7),最大直流母線電壓會達到1000v。

圖7 三相無變壓器式光伏逆變器功能圖
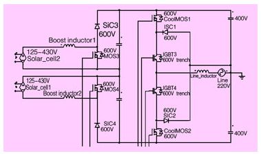
這里標準的應用是使用三相全橋電路。考慮到直流母線電壓會達到1000v,那開關器件就必須使用1200v的。而我們知道,1200v功率器件的開關速度會比600v器件慢很多,這就會增加損耗,影響效率。對于這種應用,一個比較好的替代方案是使用中心點箝位(npc=neutral point clamped)的拓撲結構(見圖8)。這樣就可以使用600v的器件取代1200v的器件。

圖8 三相無變壓器npc光伏逆變器原理圖
為了盡量降低回路中的寄生電感,最好是把對稱的雙boost電路和npc逆變橋各自集成在一個模塊里。[page]
(1) 雙boost模塊技術參數(見圖9)

圖9 flowsol-npb—對稱雙boost電路
●雙boost電路都是由mosfet(600v/45 mω)和sic二極管組成;
●旁路二極管主要是當輸入超過額定負載時,旁路boost電路,從而改善逆變器整體效率;
●模塊內部集成溫度檢測電阻。
(2) npc逆變橋模塊的技術參數(見圖10)

圖10 flowsol-npi -npc逆變橋
●中間換向環節由75a/600v的igbt和快恢復二極管組成;
●上下高頻切換環節由mosfet(600v/45 mω)組成;
●中心點箝位二極管由sic二極管組成;
●模塊內部集成溫度檢測電阻。
對于這種拓撲結構,關于模塊的設計要求基本類似于前文提到的單相逆變模塊,唯一需要額外注意的是,無論是雙boost電路還是npc逆變橋,都必須保證dc+,dc-和中心點之間的低電感設計。
有了這兩個模塊,就很容易設計更高功率輸出光伏逆變器。例如使用兩個雙boost電路并聯和三相npc逆變橋就可以得到一個高效率的10kw的光伏逆變器。而且這兩個模塊的管腳設計充分考慮了并聯的需求,并聯使用非常方便。圖 11是雙boost模塊并聯和三相npc逆變輸出模塊布局圖。

圖11 雙boost模塊并聯和三相npc逆變輸出模塊布局圖
針對1000v直流母線電壓的光伏逆變器,npc拓撲結構逆變器是目前市場上效率最高的。圖12比較了npc模塊(mosfet+igbt)和使用1200v的igbt半橋模塊的效率。

圖12 npc逆變橋輸出效率(實線)和半橋逆變效率(虛線)比較
根據仿真結果,npc逆變器的歐效可以達到99.2%,而后者的效率只有96.4%。npc拓撲結構的優勢是顯而易見的。
7 下一代光伏逆變器拓撲的設計思路介紹
目前混合型h橋(mosfet+igbt)拓撲已經取得了較高的效率等級。而下一代的光伏逆變器,將會把主要精力集中在以下性能的改善:
(1) 效率的進一步提高;
(2) 無功功率補償;
(3) 高效的雙向變換模式。
7.1 單相光伏逆變器拓撲結構
對于單相光伏逆變器,首先討論如何進一步提高混合型h橋拓撲的效率(見圖13)。
在圖13中,上橋臂igbt的開關頻率一般設定為電網頻率(例如50hz),而下橋臂的mosfet則工作在較高的開關頻率下,例如 16khz,來實現輸出正弦波。仿真顯示,這種逆變器拓撲在2kw額定功率輸出時,效率可以達到99.2%。由于mosfet內置二極管的速度較慢,因此 mosfet不能被用在上橋臂。

圖13 光伏逆變器的發展-混合型
由于上橋臂的igbt工作在50hz的開關頻率下,實際上并不需要對該支路進行濾波。因此對電路拓撲進行優化,可以得到圖14所示的發射極開路型拓撲。這種拓撲的優點是只有有高頻電流經過的支路才有濾波電感,從而減小了輸出濾波電路的損耗。

圖14 改進的無變壓器上橋臂發射極開路型拓撲
目前vincotech公司已經有標準的發射極開路型igbt模塊產品,型號是flowsol0-bi open e (p896-e02),如圖15所示。

圖15 flowsol0-bi-open e (p896-e02)
技術參數:
(1) 升壓電路采用mosfet(600v/45mω)和sic二極管組成;
(2) 旁路二極管主要是當輸入超過額定負載時,旁路boost電路,從而改善逆變器整體效率;
(3) h橋的上橋臂采用igbt(600v/75a)和sic二極管,下橋臂采用mosfet(600v/45 mω);
(4) 模塊內部集成溫度檢測電阻。
下面再來分析一下圖14所示的發射極開路型拓撲。當下橋臂的mosfet工作時,與上橋臂igbt反并聯的二極管卻由于濾波電感的作用沒有工作,這樣就可以在上橋臂也使用mosfet,在輕載時提高逆變器的效率。仿真結果顯示,在2kw額定功率輸出時,這種光伏逆變器的歐效可以提高0.2%,從而使效率達到99.4%。在實際的應用場合中,這種拓撲對效率的提高會更多,因為仿真結果是在假定芯片結溫125℃的情況下得到的,但由于mosfet 體積較大,且光伏逆變器經常工作在輕載情況下,mosfet芯片結溫遠遠低于125℃,因此實際工作時mosfet的導通阻抗rds-on將比仿真時的數值要低,損耗相應也會更小。
如何解決無功功率的問題呢?這種電路拓撲處理無功功率的唯一方法就是使用fred-fet,但這些器件的導通阻抗rds-on通常都很高。另一個缺點是其反向恢復特性較差,影響無功補償和雙向變換時的性能。但是在某些特殊應用中,如果必須通過無功功率來測量線路阻抗或者保護某些元器件,那么圖 16所示拓撲將可以滿足以上要求。
圖16所示拓撲結構允許純無功負載,能夠提高對電網的無功補償,也能滿足雙向功率流動,例如實現高效電池充電。如果應用sic肖特基二極管,這種電路拓撲將可以達到更高的效率等級。表2是2kw額定功率下不同拓撲結構的歐洲效率
[page]圖16 適應無功負載的全mosfet拓撲
7.2 三相光伏逆變器拓撲結構
對于npc拓撲的三相光伏逆變器也可以做類似的改進。
以一相為例,在2kw額定輸出時,三電平逆變器(見圖17)可以達到99.2%的歐效(見表2)。稍作改動,該拓撲就可以實現無功功率流動。

圖17 三電平逆變器
在輸出與直流母線間增加1200v二極管后,該拓撲(見圖18)就可以輸出無功功率。同時也可以用作高效率的雙向逆變器,實現能量的反向變換。為了減小損耗,d3,d4推薦使用sic二極管。

圖18 可實現無功功率輸出的npc拓撲逆變器
但由于1200v的sic價格過高,圖19所示的拓撲將會是一種比較好的選擇。

圖19 可實現無功功率輸出的npc拓撲逆變器(增加了2個sic二極管和4個si二極管)
這種拓撲只使用了兩個600v的sic二極管(d4,d6)。d3和d5采用快速si二極管,d7和d8采用小型si二極管,用來防止sic二極管過壓損壞。
這里是否可能也全部采用mosfet來實現呢?答案是可以的,前提是需要把mosfet的體二極管旁路掉。這可以通過把上下半橋的輸出端子分開并配上各自的濾波電感來實現。
圖20的電路拓撲可以提高在輕載時的效率。

圖20 采用mosfet實現無功功率輸出的npc拓撲逆變器
圖21是全采用mosfet方案和混合型方案在額定功率2kw時的效率比較。

圖21 全采用mosfet方案和混合型方案在額定功率2kw時的效率比較
其歐效可以從99.2%提高到99.4%。無功功率由1200v快速二極管通路實現。在選擇二極管時,推薦使用sic二極管,這樣可以在反向變換時,達到更高的效率。或者如圖22所示,d4和d6采用600v sic二極管,另外四個采用快恢復si二極管。

圖22 采用2個sic二極管、4個si二極管和分別輸出方式的npc逆變器拓撲
8 結束語
這些新的拓撲使得逆變器的效率能夠達到更高的歐效等級。即使在輸出功率為0.4kw時,我們仍然可以達到最高的效率,這也使得可以通過模塊并聯來進一步提升系統容量。此時可以非常容易的計算出投資回報率,從而也顯示出效率等級在光伏逆變器應用中的重要作用。
對無功功率輸出的改善同樣使得這種拓撲結構擁有以下特性和更廣泛的應用:
(1) 線路無功補償;
(2) 高效電池充電,可應用于后備電源系統、電動交通工具和混合動力汽車;
(3) 高效、高速電機驅動。





